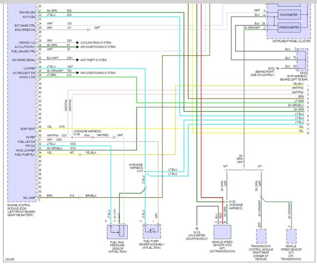
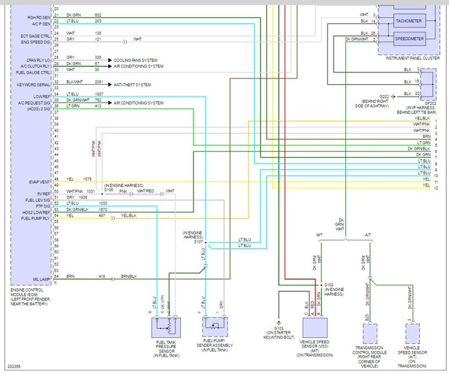
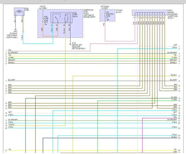
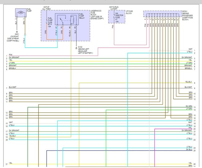
I started my car and when I accelerate it doesn't go any higher than 20mph. I'm trying to figure out what the problem is. In the past I had the same problem. So I put a bottle of heet in it and worked fine. Now it just won't get any go over 20mph.
Feb 24, 2015 at 5:16 PM




