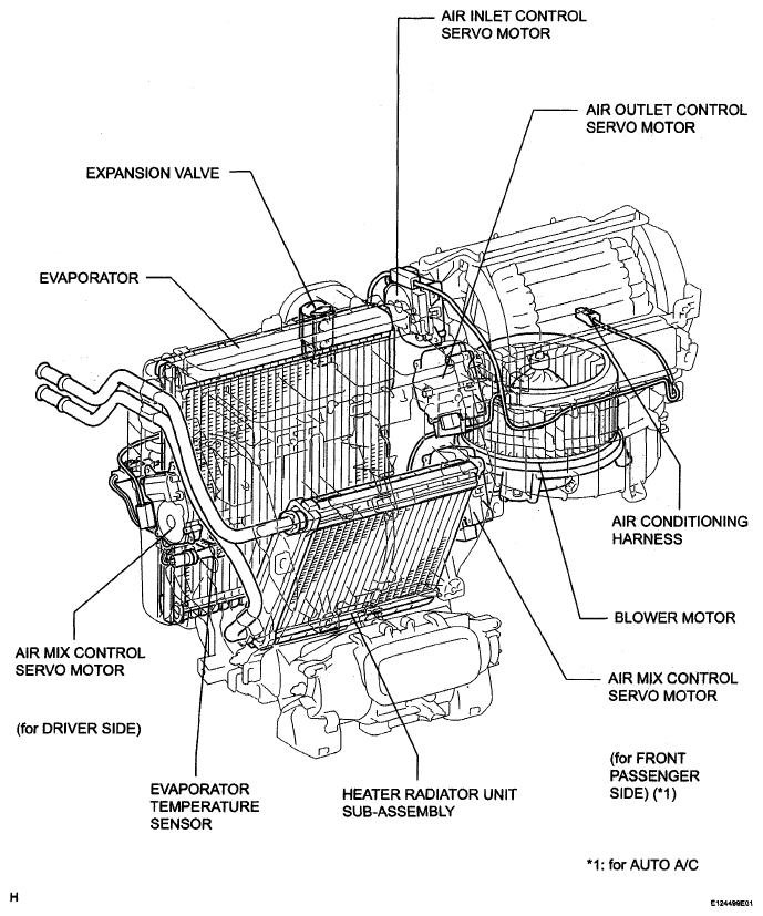
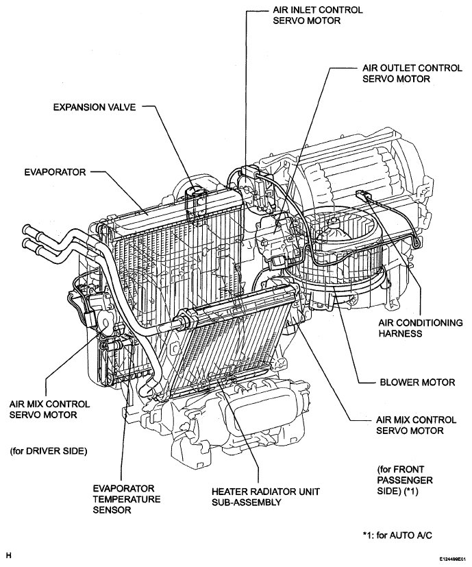
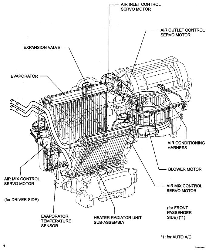
I need hep finding the driver side servo motor actuator. my car is blowing hot air on the driver side and cold on the passenger side. I cannot find a video or picture on Google or YouTube. I tried to find it under the driver side but is not there. Does anyone knows if both servos are in the passenger side?
Jun 30, 2017 at 5:55 PM
