Fuel Filter replacement?

2009 BUICK LUCERNE
105,000 MILES
Avatar
DHAYDON
  • MEMBER
  • 1 POST
Where is the fuel filter? Where is the fuel pump? If, in tank, can it be replaced without removing tank?
Dec 16, 2012 at 5:39 PM
Advertisement
Avatar
HMAC300
  • CERTIFIED EXPERT
  • 48,601 POSTS
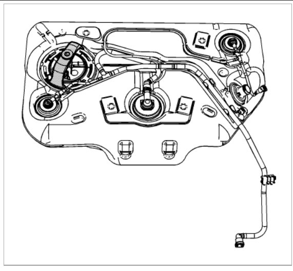
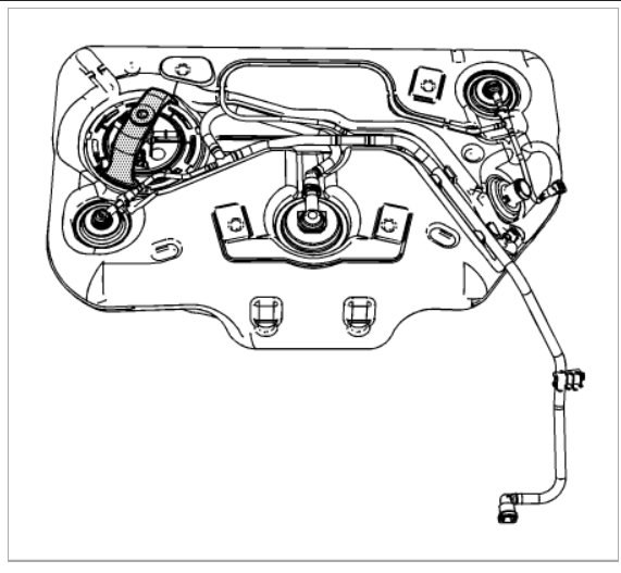
it's in the tank and you do need to remove the tank. This guide will help you with diagrams below to show you how on your car.

https://www.2carpros.com/articles/how-to-change-a-fuel-filter

Check out the diagrams (Below). Please let us know if you need anything else to get the problem fixed.
Dec 27, 2018 at 8:56 PM
Avatar
MPOLISHAK
  • MEMBER
  • 1 POST
I am trying to find and replace the fuel filter on my car it is a CXL model. I will be using an ACdelco fuel filter and gasket. What is the procedure to find and replace that part?
Aug 11, 2020 at 5:39 PM (Merged)
Advertisement
Avatar
CARADIODOC
  • CERTIFIED EXPERT
  • 34,306 POSTS
It is in the tank in the fuel pump assembly. It should not need periodic replacement for general maintenance. Lucky you. You can relax and enjoy the work you do not have to go through!
Aug 11, 2020 at 5:39 PM (Merged)
Avatar
CHRISV7777
  • MEMBER
  • 2 POSTS
Where is the fuel filter located on 06 Buick Lucerne cxs?
Aug 11, 2020 at 5:39 PM (Merged)
Avatar
HMAC300
  • CERTIFIED EXPERT
  • 48,601 POSTS
Hello,

The fuel filter/strainer is in the fuel tank attached to the fuel pump. Here are diagrams and instruction below to help you with the job. Check out the diagrams (Below). Please let us know if you need anything else to get the problem fixed.
Aug 11, 2020 at 5:39 PM (Merged)
Avatar
FREEMBA
  • CERTIFIED EXPERT
  • 1,152 POSTS
Your fuel filter (called the fuel strainer) is located in the gas tank at the end of the fuel sending unit..
Aug 11, 2020 at 5:39 PM (Merged)