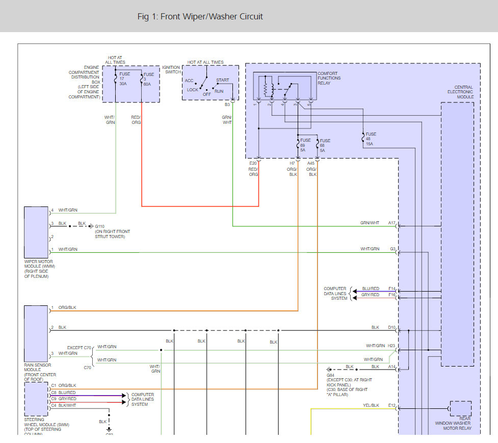
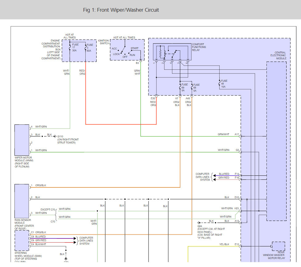
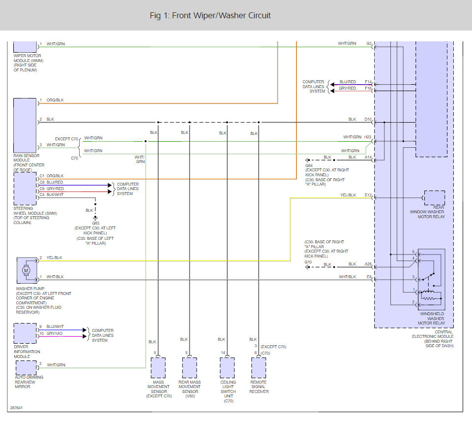
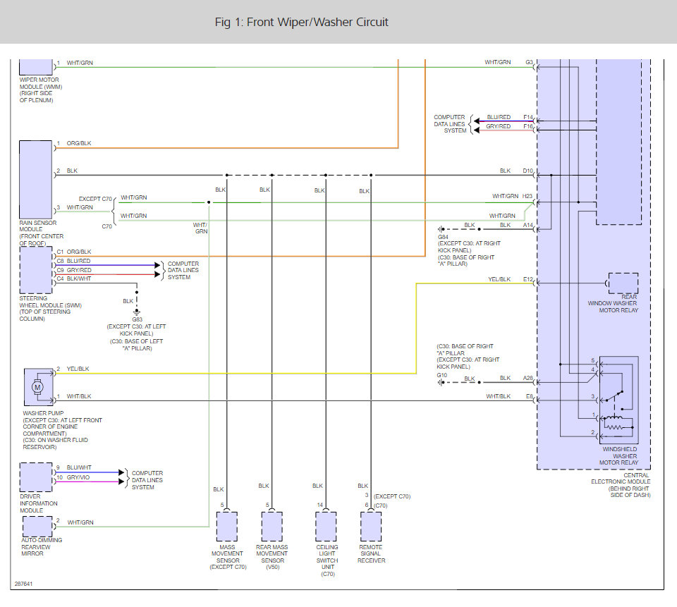
wipers do not work. what is going on? I went on we did not demand for them and will not work when i need them. this is for the front windshield. 2009 a recall was issued for this issue. does anyone know what i need to do?
Dec 16, 2012 at 8:24 PM









