The rear latch on the trunk lid will not release and let the trunk open. Any suggestions?
Mar 24, 2011 at 12:22 AM
Advertisement
JACOBANDNICKOLAS
CERTIFIED EXPERT
110,175 POSTS
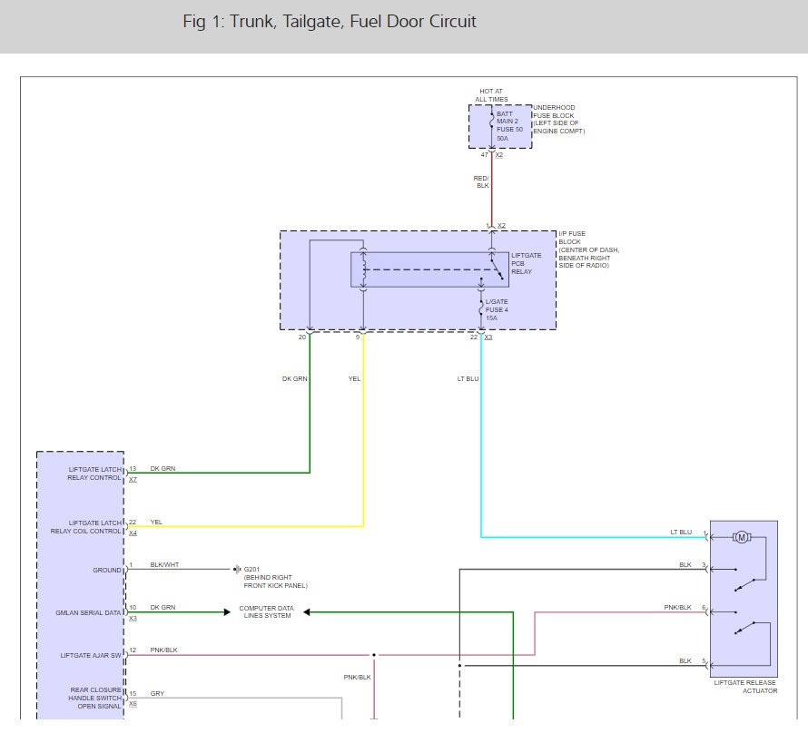
There is a left gate control relay or fuse #7 that sounds like it is out. To be sure lets run down this guide that will help you test it. Also, the location of the relay with the door lock and lift gate wiring diagrams so you can see how the system works as well.
Check out the diagrams (below). Please let us know what you find.
Cheers
Images (Click to enlarge)
Jun 21, 2011 at 4:35 AM
SIDS PROBLEM1
MEMBER
0 POST
Thanks for this post. It was the fuse for my car all fixed! I love this site BTW
Sep 4, 2018 at 2:55 PM
Advertisement
SHIFFERMEG
MEMBER
3 POSTS
All of a sudden my trunk door would not open from the outside. Where do I start to diagnose the problem? When you go in side you can get it open though. The outside has a button you lightly touch to open the trunk.
Sep 4, 2018 at 2:56 PM
(Merged)
DOCFIXIT
CERTIFIED EXPERT
18,828 POSTS
Do you mean key will not open or FOB? Does indicator light up when tailgate opened?
Sep 4, 2018 at 2:56 PM
(Merged)
SHIFFERMEG
MEMBER
3 POSTS
I do not have a button for it on my FOB nor do I have a place for my key. On the outside when I push when I push on the touch pad to open it will not open. Truthfully when I push the lock button on my FOB or in the car it does not even sound like the back lift gate locks or unlocks.
Sep 4, 2018 at 2:56 PM
(Merged)
DOCFIXIT
CERTIFIED EXPERT
18,828 POSTS
Yes, light on dash states tailgate ajar/open.
Sep 4, 2018 at 2:56 PM
(Merged)
SHIFFERMEG
MEMBER
3 POSTS
Yes, it comes across my screen on dash saying lift gate open.
Sep 4, 2018 at 2:56 PM
(Merged)
DOCFIXIT
CERTIFIED EXPERT
18,828 POSTS
To help find out what is at fault you need to have BCM scanned for codes and system information.