☰
Login
Join
×
Home
Answered Questions
Repair Topics
Repair & Service Guides
Popular Questions
Warning Lights
Trouble Codes
How It Works
Testing / Diagnostics
Symptoms
Videos
Login
Become a Member
Home
Suzuki
XL7
Body
Liftgate
Open
2008 SUZUKI XL7
75,000 MILES
ANONYMOUS
MEMBER
1 POST
FOLLOW
How do I fix the back lift gate? It will not open and the fuses are OK.
Mar 17, 2013 at 7:06 PM
Advertisement
JACOBANDNICKOLAS
CERTIFIED EXPERT
110,175 POSTS
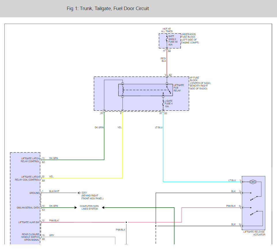
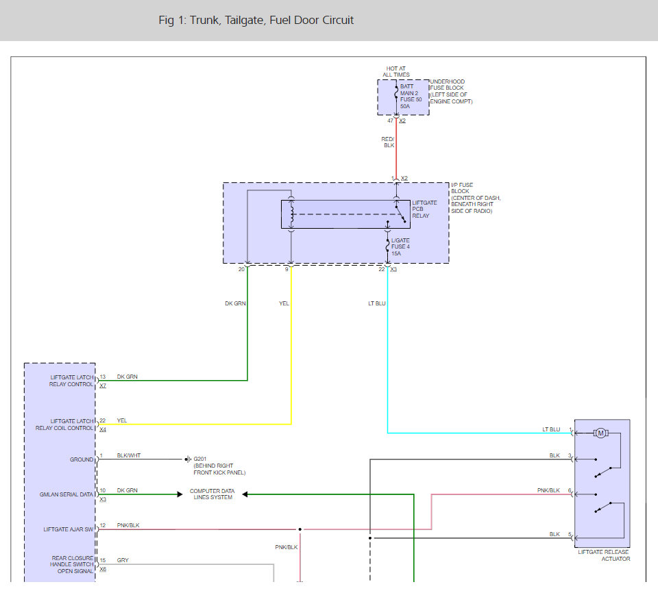
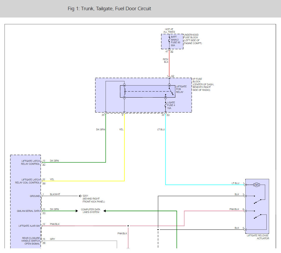
Will it open with a key? Here is the controller that goes bad in these cars (below)
It also could be the relay here is a wiring diagram and guide to help you do some testing to see if it is getting power.
https://www.2carpros.com/articles/how-to-check-an-electrical-relay-and-wiring-control-circuit
and
https://www.2carpros.com/articles/how-to-use-a-test-light-circuit-tester
Please let us know what you find.
Cheers,
Images (Click to enlarge)
Mar 17, 2013 at 7:18 PM
SHARONDACLAY
MEMBER
2 POSTS
82850-78J00 this is the part you all need
Aug 24, 2017 at 5:36 AM
Advertisement
STRAILER
CERTIFIED EXPERT
53,854 POSTS
Great addition to this thread! Please feel free to help out whenever you are on the site :)
Cheers, Ken
Aug 25, 2017 at 10:49 AM