No starter operation?

2008 PONTIAC VIBE
199,902 MILES • 4 CYL • 2WD • MANUAL
Avatar
AUSTIN752
  • MEMBER
  • 4 POSTS
I have been reading and testing and trying for the past two days to find a solution and while there are many good ones out there none have yet to solve my problem.

My car was running fine delivering packages for hours. Stalled out on a country road and wouldn't start again. Had a few issues before with it not starting and figured it was a bad starter.

I replaced the starter with a brand new one and it still would not start.

I rebuilt the old one and had it tested and it passed and worked as expected. Still will not start. Original starter is on the car now.

I bought a volt tester and am getting power to the starter solenoid.

I pulled the clutch switch so make sure it was being pressed all the way. Still will not start. I can hear a click when I press and release the clutch switch. I am guessing that's the relay activating. I even jumped the clutch switch and still nothing.

The battery has been tested and is only four months old. I even tried to jump the car using a V8 motor. Still won't start.

I have pulled and checked all fuses. None are blown and it still won't start.

It has a half tank of gas and did not sputter when it stalled. Operator error caused that.

I have gone through numerous steps with the alarm system which I think is more of a deterrent system and it still won't start.

I have locked and unlocked my car using the key.

I have left the key in an on position for three cycles at ten minutes each.

I have used the fob, which only has lock, unlock and rear glass buttons, to lock and unlock the door from inside.

I have inserted the key to the on position and have tried to lock and unlock the doors. Locking does not work when in the on position.

The blinking light is on the radio. Blinks steady all the time. Goes off when the key is in the on position and starts blinking when trying to start the car.

At this point, I have no idea what could be wrong. I cannot afford a scan tool to plug into my car. I cannot afford to have a mobile repair service to come test it. I really need to get this fixed so I can go back to work.

Any help would be greatly appreciated.
Dec 16, 2018 at 8:31 AM
Advertisement
Avatar
ASEMASTER6371
  • CERTIFIED EXPERT
  • 52,796 POSTS
Good morning,

What is the battery voltage at the battery?

These guides can help us fix it

https://www.2carpros.com/articles/starter-not-working-repair

and

https://www.2carpros.com/articles/car-battery-load-test

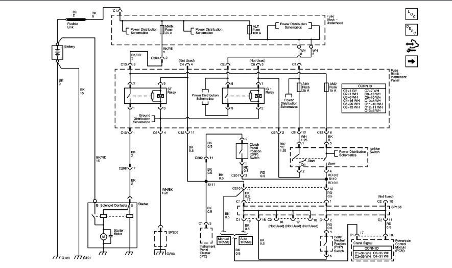
Please run down these guides and report back. Did you check for power to the clutch switch? I attached a wire diagram for you to view. Test the fuses listed for power on both sides. Here is how to change the starter and its location. Check out the diagrams (Below). Please let us know what happens.
Dec 16, 2018 at 8:48 AM
Avatar
AUSTIN752
  • MEMBER
  • 4 POSTS
I don't remember what they said the voltage was on the battery but I tried to jump it with a V8 Corvette and it didn't do anything and I let it charge for a good fifteen minutes before trying to start it. I'm not getting the clicking sound usually associated with a dead or bad battery.

Everything works as normal except nothing happens when I turn the key. I do hear a humming/buzzing sound coming from the engine compartment when the key is in the on position.

I don't have a volt meter I only have a volt tester. It lights up when I touch the wires for the clutch switch.

I also don't have an interior fuse panel. I checked all the fuses in the engine block.
Dec 16, 2018 at 9:11 AM
Advertisement
Avatar
ASEMASTER6371
  • CERTIFIED EXPERT
  • 52,796 POSTS
It is under the left side of the dash. I attached a location. it is marked number 3.

I enclosed a clearer diagram for you.

Roy
Dec 16, 2018 at 9:15 AM
Avatar
AUSTIN752
  • MEMBER
  • 4 POSTS
That's a really dumb place for a fuse panel.

I checked the fuses there and all were good. I can't check the relays in the green cover without removing the dash.
Dec 16, 2018 at 9:45 AM
Avatar
ASEMASTER6371
  • CERTIFIED EXPERT
  • 52,796 POSTS
The starter relay is shown in the picture at number 7 location.

Roy
Dec 16, 2018 at 11:23 AM
Avatar
AUSTIN752
  • MEMBER
  • 4 POSTS
I don't have any relays on that side of the car. Only a wiring harness.
Dec 16, 2018 at 11:58 AM
Avatar
ASEMASTER6371
  • CERTIFIED EXPERT
  • 52,796 POSTS
look up above the kick panel on the passenger side. they like to hide them as you know with the left side.

Roy
Dec 16, 2018 at 4:39 PM
Avatar
DRAGONVIRGO
  • MEMBER
  • 1 POST
Two weeks ago my car would not start, so the dealer replaced the battery. I drove it back and forth to work, approximately 1.5 miles one way. Last week I drove the car Monday - Wednesday. Did not drive it on Thursday or Friday due to heavy rains. On Saturday I went to use the car and it was completely dead. Nothing worked, ie, lights, horn and had to use the key to get into the car. The dealer said that the battery had a low charge. What would cause a new battery to have a low charge and the car not run?
Oct 7, 2020 at 11:27 AM (Merged)
Avatar
JDL
  • CERTIFIED EXPERT
  • 16,098 POSTS
A battery drain, with everything turned off, will cause the battery to run down. A problem with the charging system can also cause problems.
Oct 7, 2020 at 11:27 AM (Merged)
Avatar
RPOLZIN35
  • MEMBER
  • 2 POSTS
My car wont start all of a sudden. The battery has been checked good, the starter is only, only one old and it has a new alternator. It just makes a humming sound when I try to start. I'm not sure what else it could be. any advice would help thanks.
Oct 7, 2020 at 11:27 AM (Merged)
Avatar
JACOBANDNICKOLAS
  • CERTIFIED EXPERT
  • 110,175 POSTS
Welcome to 2CarPros.

Can you tell approximately where the humming is coming from? Is it possible to record the sound so I can hear it?

There is a good chance it is related to the starter itself. Even though it's only a year old, it may have failed.

Here is a link that explains how to test a starter:

https://www.2carpros.com/articles/starter-not-working-repair

Let me know if you have other questions.

Take care,
Joe
Oct 7, 2020 at 11:27 AM (Merged)
Avatar
RPOLZIN35
  • MEMBER
  • 2 POSTS
So the starter tested out fine. Now when I start it I get one click and nothing else. No humming sound anymore. I am stumped.
Oct 7, 2020 at 11:27 AM (Merged)
Avatar
JACOBANDNICKOLAS
  • CERTIFIED EXPERT
  • 110,175 POSTS
Welcome back:

If there is only one click, check to see if the battery terminals are clean and tight. A starter draws a big electrical load. If the connection is weak, what you described is what can often times happen.

If that isn't the issue, see if it cranks with a jumper pack or try to jump start the engine.

https://www.2carpros.com/articles/how-to-jump-start-car-battery-using-jumper-cables

A weak battery can also cause this. However, most times it is a bad starter or terminal issue. Since you had the starter checked, I suspect there is a connection issue.

Is there any chance of an internal engine issue that could prevent the starter from turning the engine to start it? If an engine is locked, you will get one click and then the starter can't turn the engine, so nothing else happens.

Let me know what you find.

Joe
Oct 7, 2020 at 11:27 AM (Merged)
Avatar
BRIDGES1984
  • MEMBER
  • 1 POST
Bought new battery car was wad running fine went to crank it it would not turn over. Then it started all of a sudden it happen again making weird sound in passenger side dace.
Oct 7, 2020 at 11:27 AM (Merged)
Avatar
JACOBANDNICKOLAS
  • CERTIFIED EXPERT
  • 110,175 POSTS
Hi and thank you for using 2carpros.com. It sounds like the starter relay may be giving you trouble. If it is bad, the starter will not engage. Additionally, it is located in the vehicle, passenger side under dash (where you heard the noise). That is where I would recommend starting. I have attached a picture of where it is located. Once you locate it, all you need to do is unplug it and replace it with a new one from the parts store.

I hope this helps.
Take care,
Joe
Oct 7, 2020 at 11:27 AM (Merged)
Avatar
MLUVSPJ
  • MEMBER
  • 2 POSTS
I have a 2004 Pontiac Vibe that will not start or starts intermittently. The battery is new, connections are good, just changed the clutch safety switch, could it be a fuse?
Oct 7, 2020 at 11:28 AM (Merged)
Avatar
CARADIODOC
  • CERTIFIED EXPERT
  • 34,306 POSTS
Fuses are not intermittent. When they blow, that circuit is dead and will not work again at times.

What is the symptom when the problem occurs?
Oct 7, 2020 at 11:28 AM (Merged)
Avatar
MLUVSPJ
  • MEMBER
  • 2 POSTS
All electrical functions will work, I hear the pump priming, but that is it. The starter will not event attempt to run. I can pump the clutch a few times and then it will start most times. I have noticed the starter getting stuck for just a second or two when it does start.
Oct 7, 2020 at 11:28 AM (Merged)
Avatar
MIKE H R
  • CERTIFIED EXPERT
  • 3,094 POSTS
Check under the car by the clutch assembly, see if there are any loose or hitting anything that would make it frayed or have a bad connection.
Oct 7, 2020 at 11:28 AM (Merged)
Avatar
CARADIODOC
  • CERTIFIED EXPERT
  • 34,306 POSTS
I think you guys found it based on those clues. My guess is bad contacts inside the clutch safety switch. You should be able to unplug it and jump the wires in the connector. If that solves it, you'll be able to crank the engine with the transmission in gear and the clutch released so be careful to avoid doing that.
Oct 7, 2020 at 11:28 AM (Merged)
Avatar
BECKYLASS
  • MEMBER
  • 1 POST
I have a 2004 Pontiac Vibe the starter went out so we got a new one and replaced it. But now the car is doing the same thing except now even tapping on the starter wont work. Any ideas please? There is no anti- theft device on this car. And a brand new battery
Oct 7, 2020 at 11:28 AM (Merged)
Avatar
WRENCHTECH
  • CERTIFIED EXPERT
  • 20,761 POSTS
This is a rather complicated circuit tat the dash cluster plays a part in so about all I can do is supply the wiring diagram to you. You will likely need an electrical expert to troubleshoot the car for you. Make sure you are correct about the alarm system as some of those models were equipped with theft deterrent systems and use different wiring diagrams. https://www.2carpros.com/images/external/107177939.gif
Oct 7, 2020 at 11:28 AM (Merged)
Avatar
ALICE HARGRAVES
  • MEMBER
  • 1 POST
Got new battery, new starter, when I try to start it it only clicks.
Oct 7, 2020 at 11:28 AM (Merged)
Avatar
HMAC300
  • CERTIFIED EXPERT
  • 48,601 POSTS
make sure battery terminal ends are tight and clean same on starter. then try resetting security system. see link.
https://www.2carpros.com/articles/how-to-reset-a-security-system
Oct 7, 2020 at 11:28 AM (Merged)