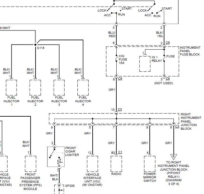
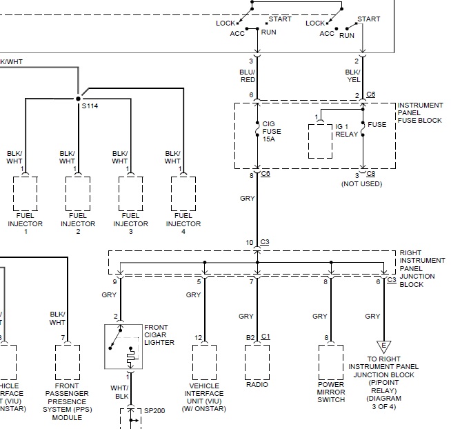
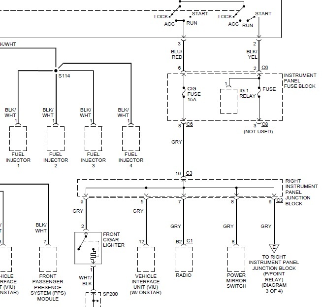
The CIG 15A fuse under the dash burns out instantly as soon as it is under power. I removed the radio and checked wires and nothing loose or frayed. I was researching and some others said the Headlight relay switch was bad causing theirs to burn out but I cannot seem to locate that part to even make sure it could be that. Have you heard of any other issues with the Vibes an the fuses that controls the CIG and the audio system? I am trying to troubleshoot without a big expense if possible.
Oct 17, 2012 at 4:10 PM
