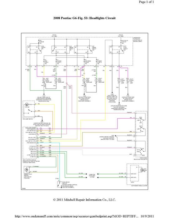
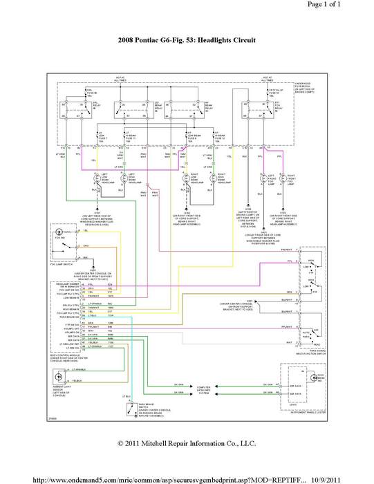
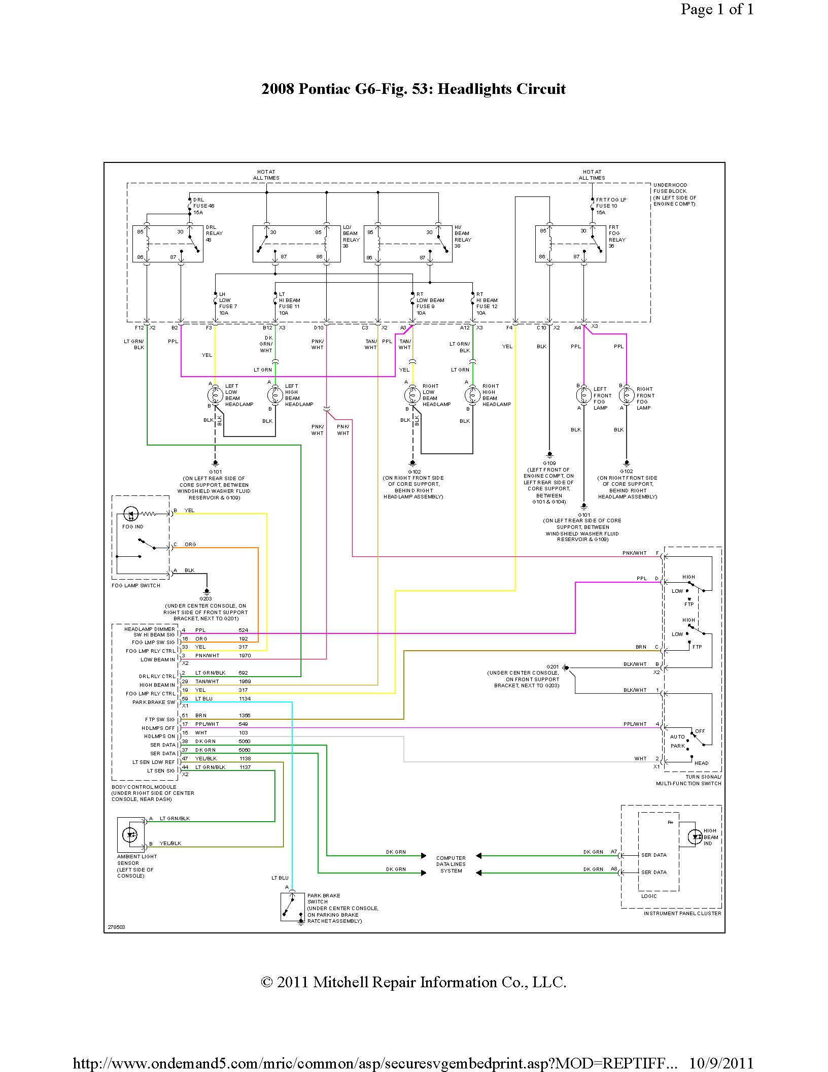
I want to replace the headlight plugs on a 2008 Pontiac G6. The plugs I bought have 2 wires. I noticed the plug in the car has a 3rd small wire. I wonder if it's a ground. Do you think it will be okay to just splice the 2 leads and leave the 3rd wire off?
The low beam headlight plugs are just about finished. I want to cut off the old ones and splice new plugs onto the wires.
The low beam headlight plugs are just about finished. I want to cut off the old ones and splice new plugs onto the wires.
Oct 9, 2011 at 8:43 PM


