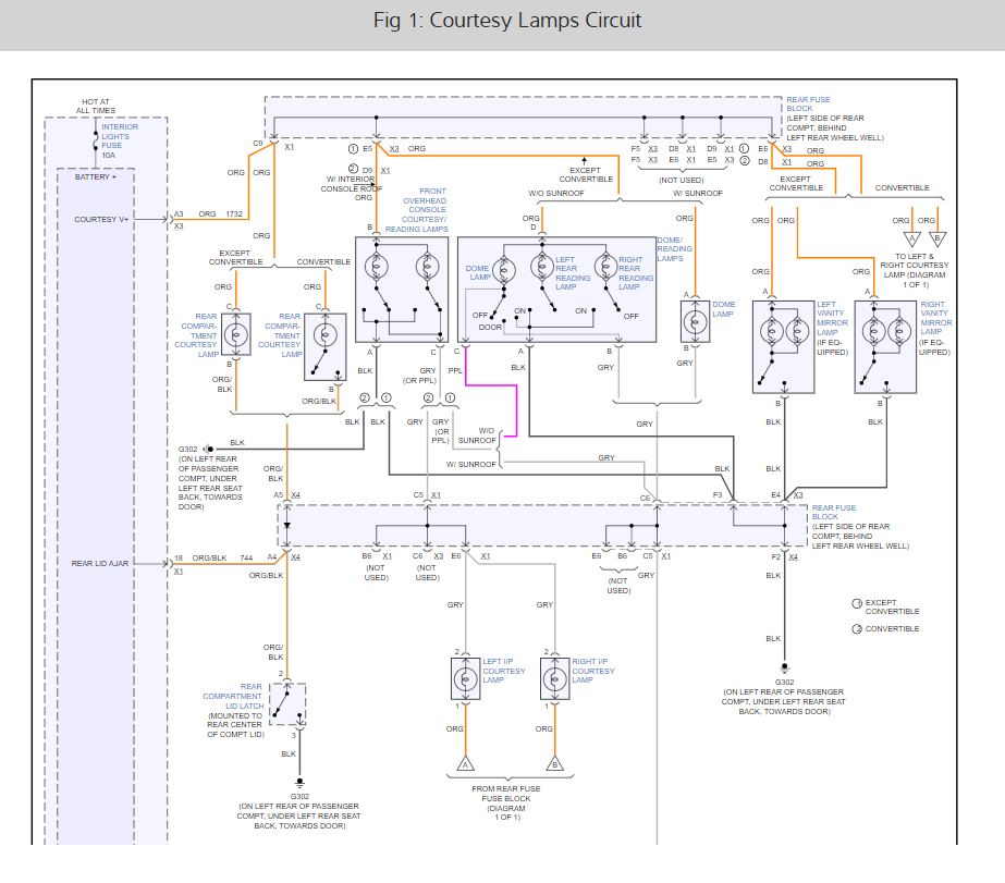
I have a 2008 Pontiac G6 and Sunday my dome lights started staying on longer than the normal 5-10 seconds. They stay on a good 15-20 minutes. I have checked to make sure all my doors and trunk is shut tight as well as the light switched to make sure it
Dec 6, 2011 at 7:21 PM






