need to know where the fuses are for the radio?

2008 NISSAN SENTRA
120,000 MILES
Avatar
PAULAWALLA
  • MEMBER
  • 3 POSTS
My son had a starter replaced at a Nissan Dealership and the radio will not turn on. I need to know where the fuses are for the radio, as I understand there are three or four of them that control the power to the radio. Thanks.
Apr 6, 2023 at 12:09 PM
Advertisement
Avatar
STRAILER
  • CERTIFIED EXPERT
  • 53,855 POSTS
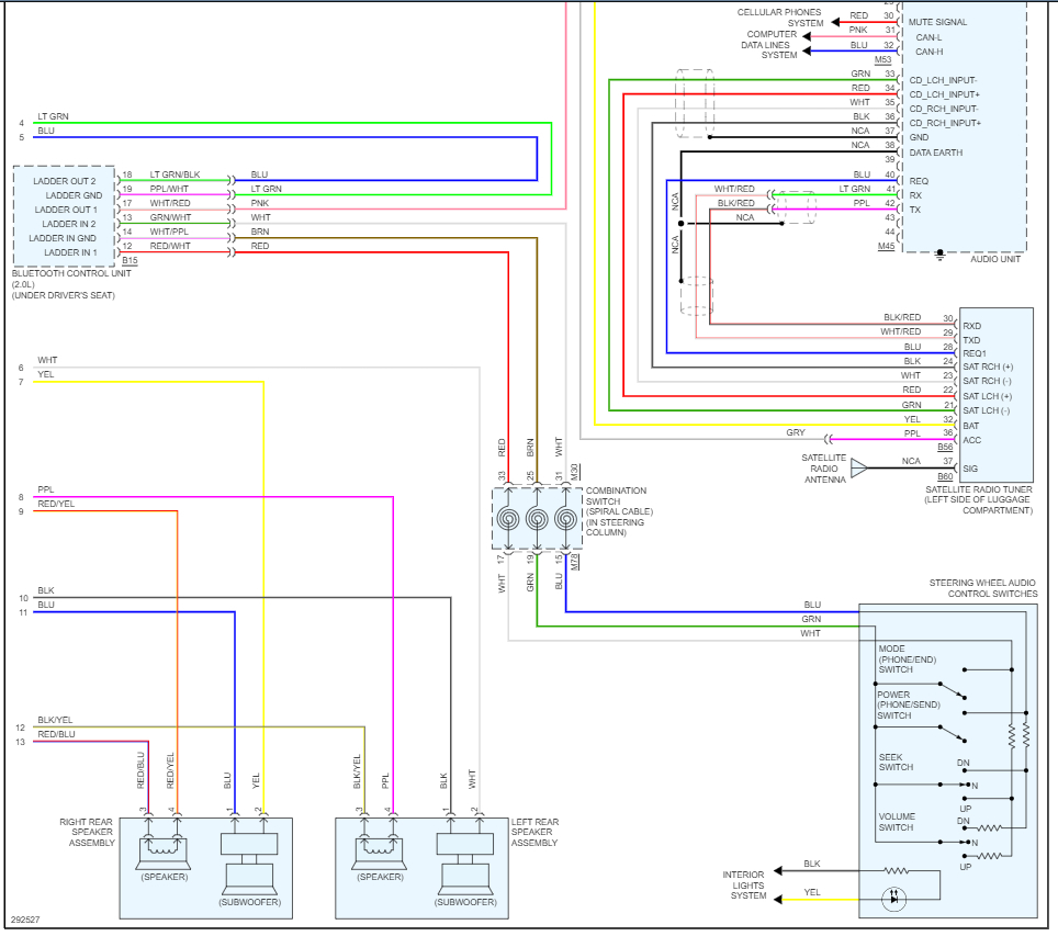
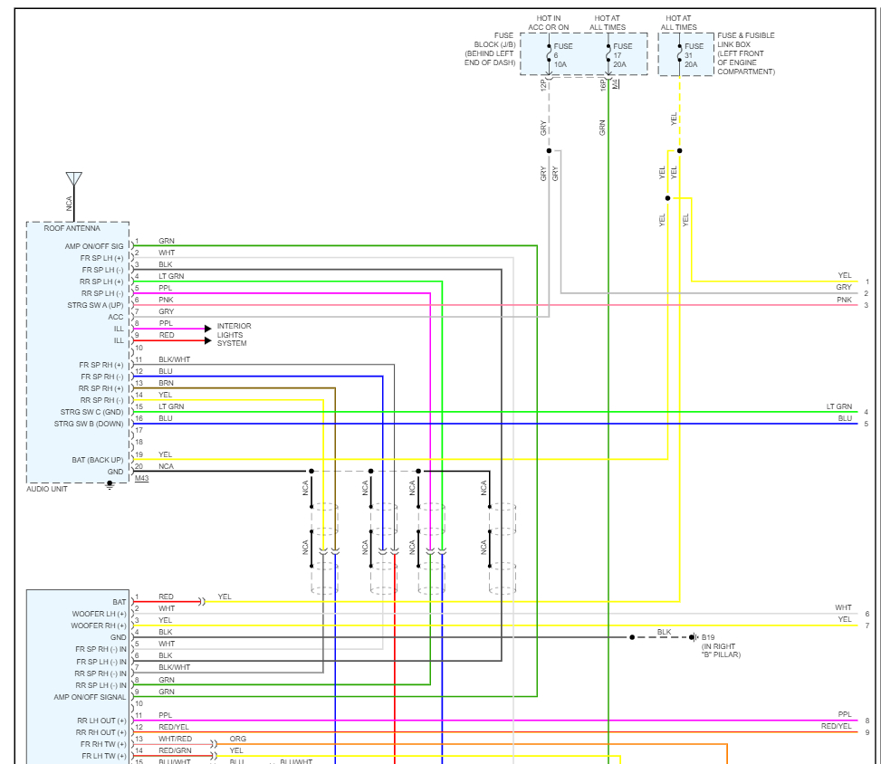
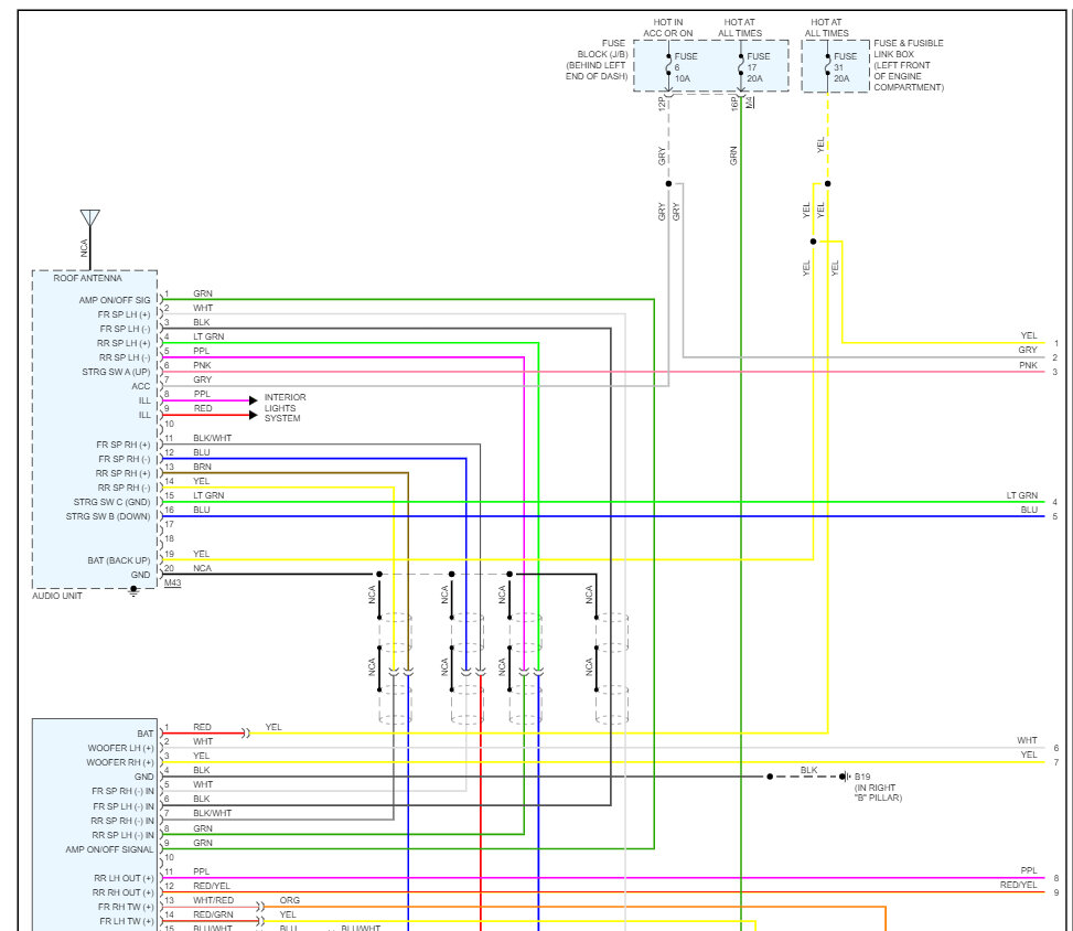
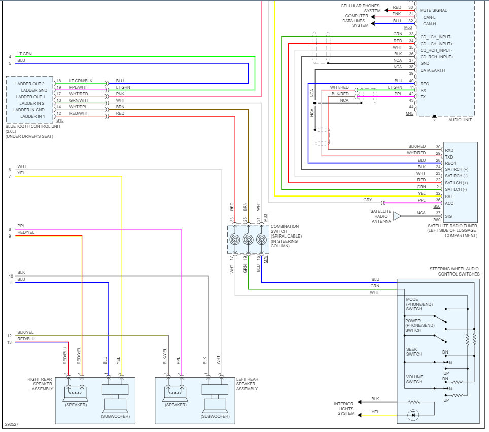
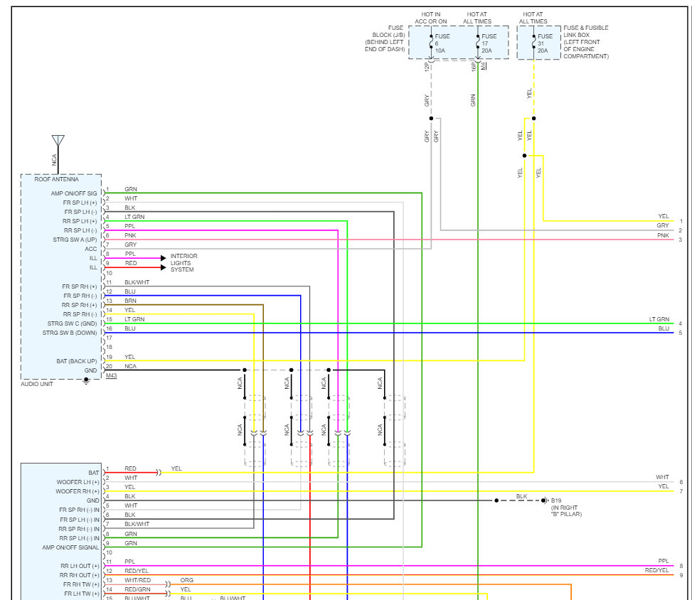
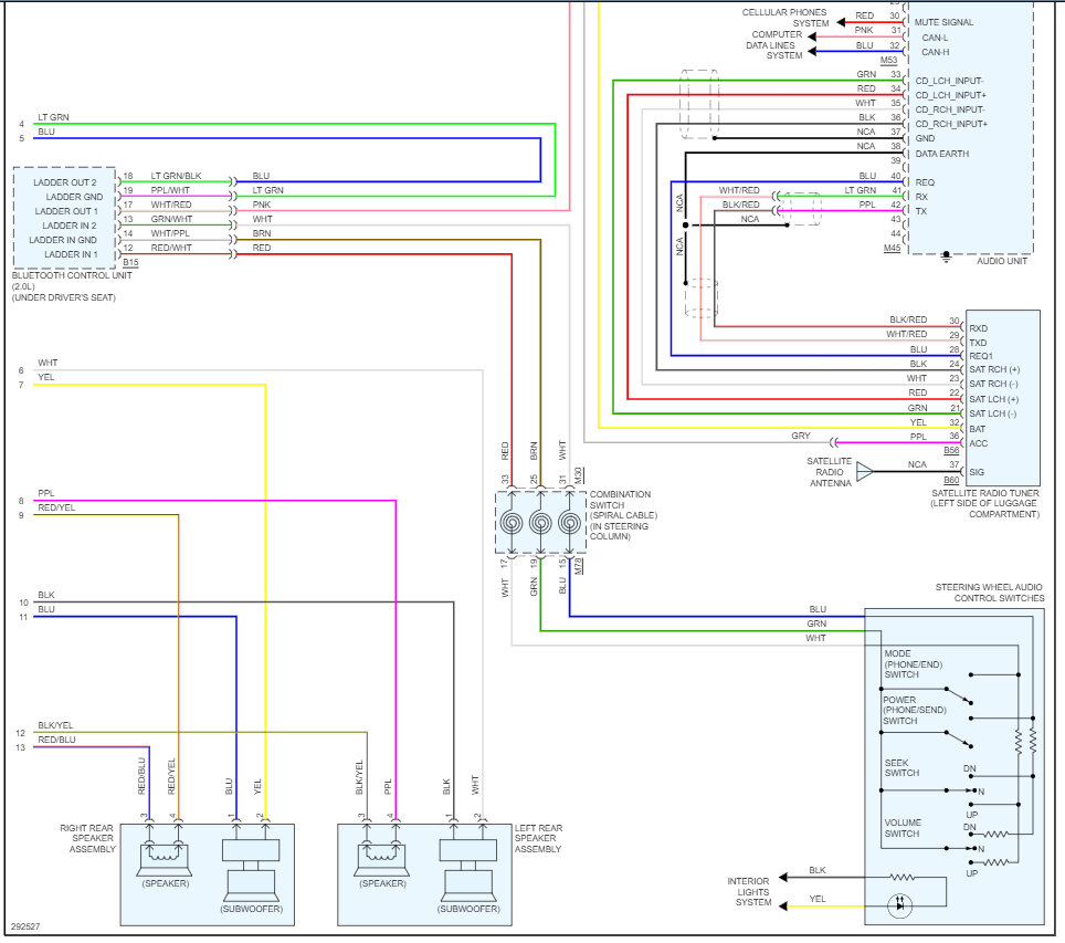
Sure, there are radio wiring diagrams which show the fuses that need to be checked. Also here is a guide to help with the test as well:

https://www.2carpros.com/articles/how-to-check-a-car-fuse

In the images below are the fuse location and wiring diagrams for the radio. Check out the images (below). Please let us know if you need anything else to get the problem fixed.
Apr 6, 2023 at 12:34 PM
Avatar
PAULAWALLA
  • MEMBER
  • 3 POSTS
Great - thanks. I will try these out when I get home.
Apr 6, 2023 at 12:48 PM
Advertisement
Avatar
PAULAWALLA
  • MEMBER
  • 3 POSTS
Do you have any idea what the fuse numbers I need to look for?
Apr 6, 2023 at 12:51 PM
Avatar
STRAILER
  • CERTIFIED EXPERT
  • 53,855 POSTS
Yes fuse # 6 and #17 in the under-dash fuse panel and fuse # 31 in the under-hood fuse panel, please let me know.
Apr 8, 2023 at 1:12 PM