front passenger power doesn't work

2008 MAZDA 3
44,000 MILES
Avatar
ZOOMZOOM3
  • MEMBER
  • 1 POST
2008 Mazda 3, front passenger power doesn't lock or unlock when using in-car button, and only opens, but not lock when using remote control, what may be wrong?
Nov 15, 2011 at 4:42 PM
Advertisement
Avatar
DRCRANKNWRENCH
  • CERTIFIED EXPERT
  • 3,380 POSTS
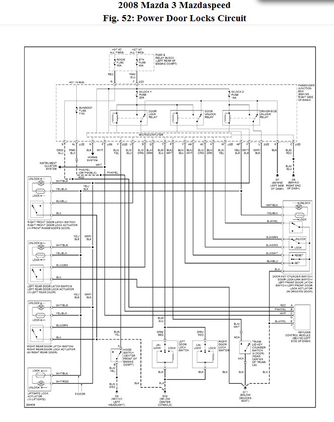
The lock control for the door works off of two things as opposed to say the liftgate circuit which is remote only, see wiring diagram.

The door has a switch that is not necessary for the remote to unlock door. The door is set up to unlock in case of malfunction as the unlock function runs through the motor which actuates the lock/unlock function of the actual mechanism, but the lock function runs through a resistor first before power goes to the motor which in case of malfunction of the resistor and/or switch, the motor has to actually fail before the car can't be unlocked in anyway. Most cars can still be locked manually by pushing the lock override pole switch or lever switch in the door either on top top of the door panel near the window for the pole switch and the lever switch is generally by the door handle.

So, there is probably something wrong with the switch and the resistor, which may just be a coincidence but it looks like this unlock only function is built into the circuit so you don't get locked out or lock yourself out of your car if you accidentally hit the switch before getting out. So, the only way to lock the car is to use the manual override, if so equipped, or the remote which will only work for the unlock function.

It takes a bit more thought to hit the manual mechanism as opposed to the switch or hit the lock button on the remote. This is done in an attempt to lessen the chances of being locked out.

So, the switch for the passenger door needs to be replaced and function should return to normal.
Nov 15, 2011 at 5:05 PM
Avatar
DRCRANKNWRENCH
  • CERTIFIED EXPERT
  • 3,380 POSTS
Forgot to include wiring diagram. Here it is.
Nov 15, 2011 at 5:08 PM
Advertisement