brake lights stopped working?

2008 KIA SPORTAGE
78,000 MILES
Avatar
CBSANCHEZ
  • MEMBER
  • 1 POST
2008 KIA - It is not the bulbs, fuse or Stop light switch. What would cause this to happen? My two bottom brake lights stopped working. The third one on top still works. Also the ESC light is coming on and staying on for no reason after driving for about a mile or so down the road. Have changed out the bulbs, checked the fuse and tried a new stop light switch. Nothing has worked so far.
Mar 20, 2012 at 7:34 PM
Advertisement
Avatar
STRAILER
  • CERTIFIED EXPERT
  • 53,854 POSTS
Hey CBSANCHEZ,

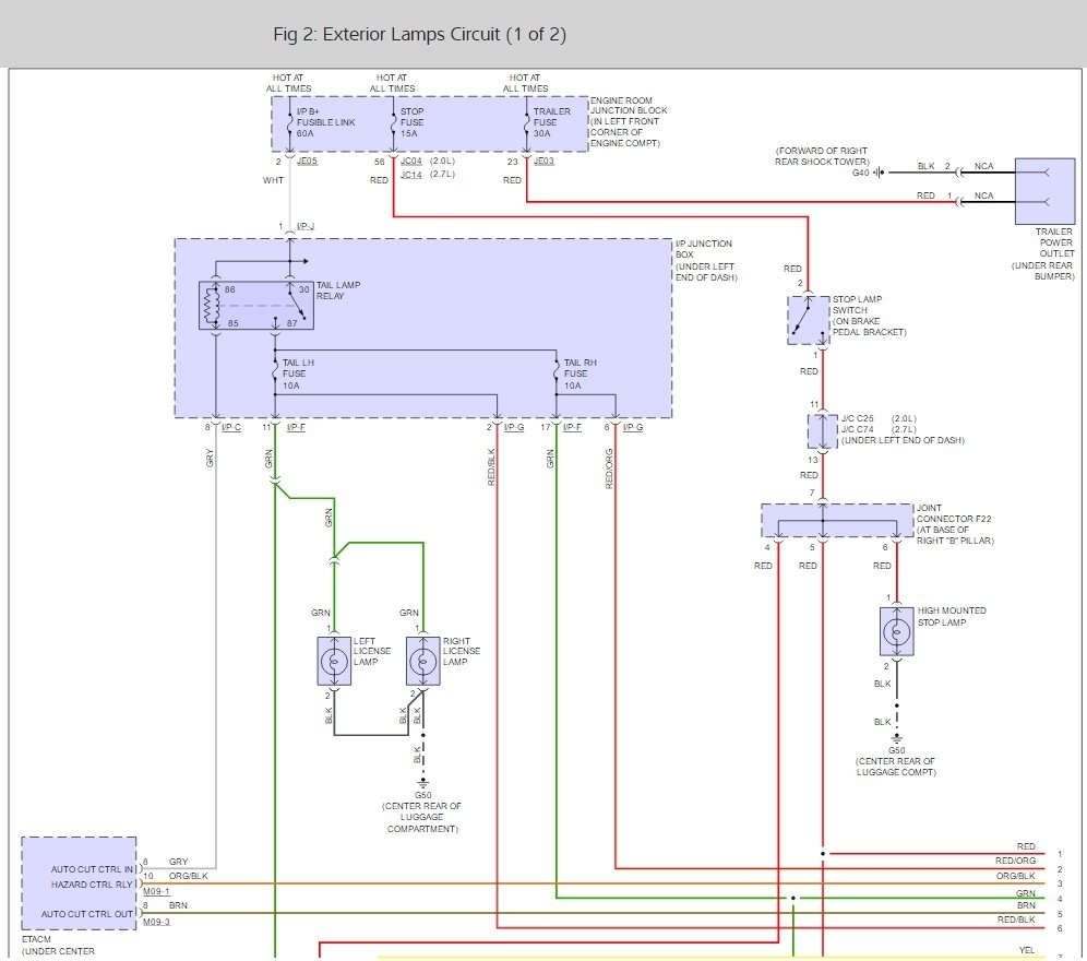
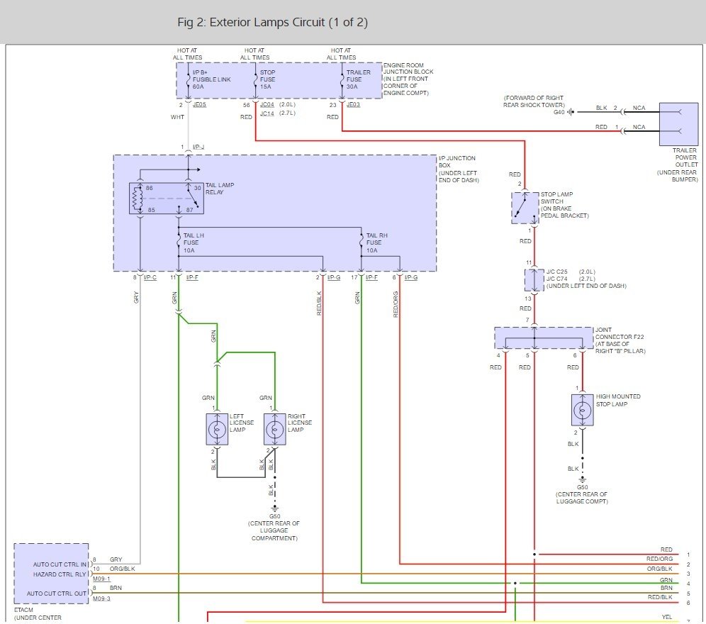
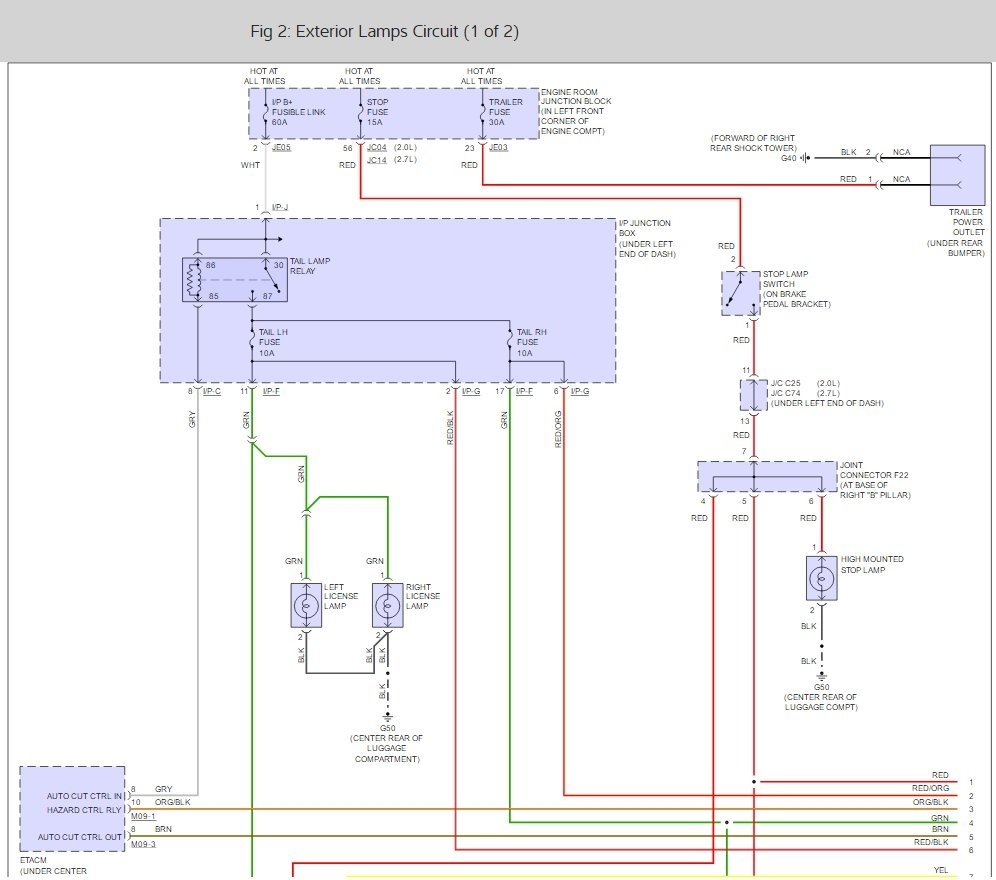
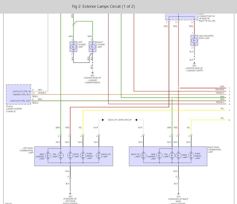
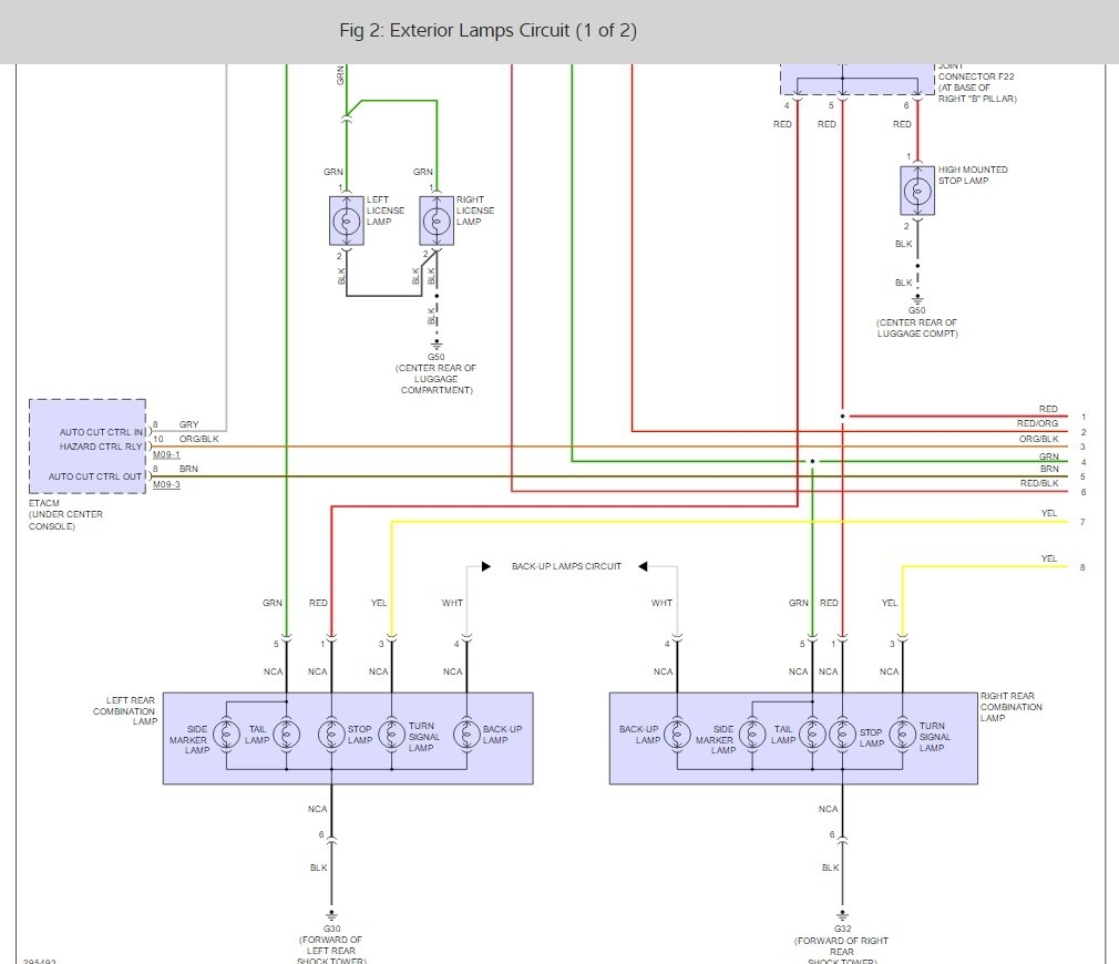
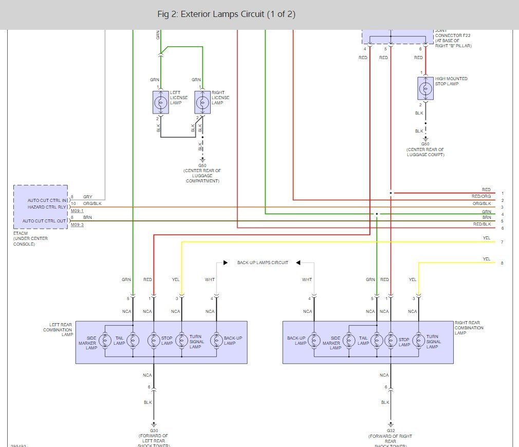
If the upper brake light works than it is most likely to be something at each bulb, here is a wiring diagram one the brake lights and a couple guides tom help you get some testing done.

https://www.2carpros.com/articles/brake-lights-not-working

and

https://www.2carpros.com/articles/how-to-use-a-test-light-circuit-tester


Please run some tests and get back to us so we can continue helping you.

Best, Ken

Feb 15, 2017 at 2:37 PM
Avatar
KELLY2U
  • MEMBER
  • 3 POSTS
1997 sportage 4 cyl manul . no brake lights . Brake light switch replaced, brake bulbs ok , power to the swith , tested the bulb socket for groundand it was fine. The high brake light works . Q i tested the two red wires in the brake light switch and one tested 12V the other small red tested lower. what should i try now??
Feb 15, 2017 at 2:38 PM (Merged)
Advertisement
Avatar
KHLOW2008
  • CERTIFIED EXPERT
  • 41,814 POSTS
If you have power to the bulb, try grounding the other wire. How did you check the bulbs?
Feb 15, 2017 at 2:38 PM (Merged)
Avatar
KELLY2U
  • MEMBER
  • 3 POSTS
I do not have power to the bulb just the switch. I tested the bulb socket to the frame to check ground , the socket is grounded. i tested the bulb for continuity on the 2 filaments. and its fine
Feb 15, 2017 at 2:38 PM (Merged)
Avatar
KHLOW2008
  • CERTIFIED EXPERT
  • 41,814 POSTS
High mount and rear stop lights are on the same circuit so if the high mount is working, problem should be at rear. Test the bulb socket Orange wire for battery voltage when brake switch is turned on.
Feb 15, 2017 at 2:38 PM (Merged)
Avatar
KELLY2U
  • MEMBER
  • 3 POSTS
will need help . will try it when i get some , I cant see all the sockets going bad at the same time that would 4 of them.
Feb 15, 2017 at 2:38 PM (Merged)
Avatar
KHLOW2008
  • CERTIFIED EXPERT
  • 41,814 POSTS
You can unplug the brake switch wire and use a jumper across or use something to hold the brake pedal to activate the switch.
Feb 15, 2017 at 2:38 PM (Merged)