middle row seat is not easily removed

2008 HYUNDAI VERACRUZ
85,000 MILES
Avatar
RHUBER
  • MEMBER
  • 1 POST
I need to remove the middle seat.
Jul 7, 2012 at 5:49 AM
Advertisement
Avatar
SQM
  • CERTIFIED EXPERT
  • 6,383 POSTS
Hello,

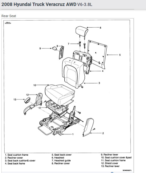
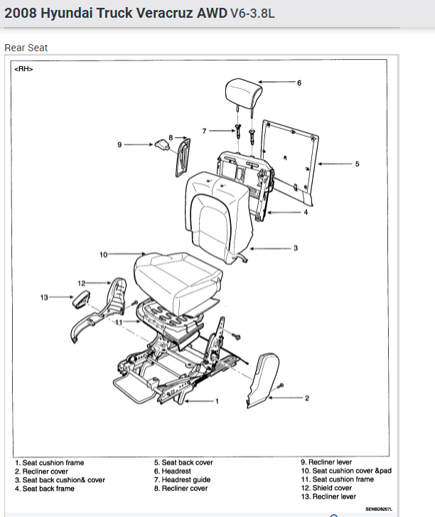
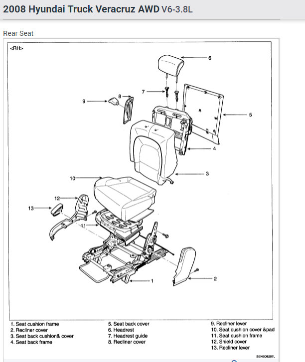
The middle row seats can be removed by taking off the mounting bolts that goes to the floor panel and disconnecting any sensors.
There are four bolts that mounts each seat.

Keep in mind that the seats are heavy and could require assistance.

I have attached diagrams for your reference.

Please let me know of any questions.
Thank you.
Oct 7, 2021 at 8:42 PM