creaking noise from the front left side of my car when braking

2008 HONDA CIVIC
37,000 MILES
Avatar
ANONYMOUS
  • MEMBER
  • 1 POST
A few months back I started hearing a creaking noise from the front left side of my car when braking. Gradually it got louder and louder. The noise would only happen when I would be braking and coming to a stop. My front brake pads were replaced less than a year ago. I took it to the dealership a few weeks ago and they re-lubricated the brake pads. Once that happened and we test drove it the noise was gone. They told me if it started happening again to bring it back because it may be the rotors or a ball joint I believe is what they told me. However they also said with the car being a 2008 and having just under 37,000 miles they couldn't see why it may be one of those 2 things. I've never been in any accidents or anything with it. Last night I started hearing the noise again slightly and again a little today.
Apr 3, 2013 at 6:05 AM
Advertisement
Avatar
JACOBANDNICKOLAS
  • CERTIFIED EXPERT
  • 110,175 POSTS
Hi,

Front brakes are not too hard to replace. First, here is a link that explains in general how it's done. You can use it as a guide:

https://www.2carpros.com/articles/how-to-replace-front-brake-pads-and-rotors-fwd

Here are the directions specific to your vehicle. The attached pics correlate with the directions.

________________________________________________

2008 Honda Civic L4-1.8L
Front
Vehicle Brakes and Traction Control Disc Brake System Brake Pad Service and Repair Removal and Replacement Front
FRONT
Front Brake Pad Inspection and Replacement

Special Tools Required
Brake caliper piston compressor 07AAE-SEPA101

CAUTION: Frequent inhalation of brake pad dust, regardless of material composition, could be hazardous to your health.
^ Avoid breathing dust particles.
^ Never use an air hose or brush to clean brake assemblies. Use an OSHA-approved vacuum cleaner.

Inspection - Except Si Model
1. Raise the front of the vehicle, and support it with safety stands in the proper locations.
2. Remove the front wheels.
3. Check the thickness (A) of the inner pad (B) and outer pad (C). Do not include the thickness of the backing plate.


pic 1


4. If the brake pad thickness is less than the service limit, replace the front brake pads as a set.
5. Clean the mating surfaces of the brake disc and the inside of the wheel, then install the front wheels.

Replacement - Except Si Model
1. Remove some brake fluid from the master cylinder.
2. Raise the front of the vehicle, and support it with safety stands in the proper locations.
3. Remove the front wheels.
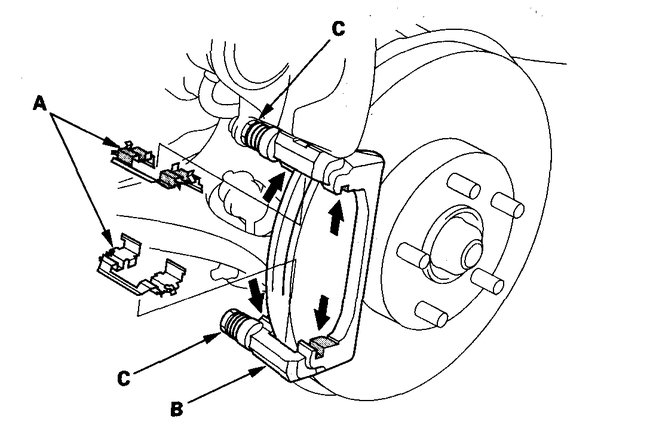
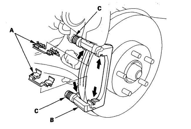
4. Remove the flange bolt (A), and pivot the caliper (B) up out of the way. Check the hose and pin boots for damage and deterioration.


Pic 2

5. Remove the pad shims (A) and brake pads (B).


pic 3


6. Remove the pad retainers (A).


pic 4


7. Clean the caliper bracket (B) thoroughly; remove any rust, and check for grooves and cracks. Verify that the caliper pins (C) move in and out smoothly. Clean and lube if needed.
8. Inspect the brake disc, and check for damage and cracks.
9. Apply a thin coat of M-77 assembly paste (P/N 08798-9010) to the retainers on their mating surfaces (indicated by the arrows) against the caliper bracket.
10. Install the pad retainers. Wipe excess assembly paste off the retainers. Keep the assembly paste off the brake disc and brake pads.
11. Mount the brake caliper piston compressor tool (A) on the caliper body (B).


pic 5


12. Press in the piston with the brake caliper piston compressor so the caliper will fit over the brake pads. Make sure the piston boot is in position to prevent damaging it when pivoting the caliper down.

NOTE: Be careful when pressing in the piston; brake fluid might overflow from the master cylinder's reservoir.

13. Remove the brake caliper piston compressor tool.
14. Apply a thin coat of M-77 assembly paste (P/N 08798-9010) to the pad side of the shims (A), the back of the brake pads (B) and the other areas indicated by the arrows. Wipe excess assembly paste off the pad shims and brake pads. Contaminated brake discs or brake pads reduce stopping ability. Keep grease and assembly paste off the brake disc and brake pads.


pic 6


15. Install the brake pads and pad shims correctly. Install the brake pad with the wear indicator (C) on the upper inside. If you are reusing the brake pads, always reinstall the brake pads in their original positions to prevent a momentary loss of braking efficiency.
16. Pivot the caliper down into position. Install the flange bolt (A), and tighten it to the specified torque.


pic 7


17. Clean the mating surfaces of the brake disc and the inside of the wheel, then install the front wheels.
18. Press the brake pedal several times to make sure the brakes work.

NOTE: Engagement may require a greater pedal stroke immediately after the brake pads have been replaced as a set. Several applications of the brake pedal will restore the normal pedal stroke.

19. Add brake fluid as needed.
20. After installation, check for leaks at hose and line joints or connections, and retighten if necessary. Test-drive the vehicle, then recheck for leaks.

Inspection - Si Model
1. Raise the front of the vehicle, and support it with safety stands in the proper locations.
2. Remove the front wheels.
3. Check the thickness (A) of the inner pad (B) and outer pad (C). Do not include the thickness of the backing plate.


pic 8


4. If the brake pad thickness is less than the service limit, replace the front brake pads as a set.
5. Clean the mating surfaces of the brake disc and the inside of the wheel, then install the front wheels.

Replacement - Si Model
1. Remove some brake fluid from the master cylinder.
2. Raise the front of the vehicle, and support it with safety stands in the proper locations.
3. Remove the front wheels.
4. Remove the flange bolt (A) while holding the caliper pin (B) with a wrench. Be careful not to damage the pin boot, and pivot the caliper (C) up out of the way. Check the hose and pin boots for damage and deterioration.


pic 9


5. Remove the pad shims (A) and brake pads (B).


pic 10


6. Remove the pad retainers (A).


pic 11


7. Clean the caliper bracket (B) thoroughly; remove any rust, and check for grooves and cracks. Verify that the caliper pins (C) move in and out smoothly. Clean and lube if needed.
8. Inspect the brake disc, and check for damage and cracks.
9. Apply a thin coat of M-77 assembly paste (P/N 08798-9010) to the retainers on their mating surfaces (indicated by the arrows) against the caliper bracket.
10. Install the pad retainers. Wipe excess assembly paste off the retainers. Keep the assembly paste off the brake disc and brake pads.
11. Mount the brake caliper piston compressor tool (A) on the caliper body (B).


pic 12


12. Press in the piston with the brake caliper piston compressor so the caliper will fit over the brake pads. Make sure the piston boot is in position to prevent damaging it when pivoting the caliper down.

NOTE: Be careful when pressing in the piston; brake fluid might overflow from the master cylinder's reservoir.

13. Remove the brake caliper piston compressor tool.
14. Apply a thin coat of M-77 assembly paste (P/N 08798-9010) to the pad side of the shims (A), the back of the brake pads, (B) and the other areas indicated by the arrows. Wipe excess assembly paste off the pad shims and brake pads. Contaminated brake discs or brake pads reduce stopping ability. Keep grease and assembly paste off the brake disc and brake pads.


pic 13


15. Install the brake pads and pad shims correctly. Install the brake pad with the wear indicator (C) on the upper inside. If you are reusing the brake pads, always reinstall the brake pads in their original positions to prevent a momentary loss of braking efficiency.
16. Pivot the caliper down into position. Install the flange bolt (A), and tighten it to the specified torque while holding the caliper pin (B), with a wrench being careful not to damage the pin boot.


pic 14


17. Clean the mating surfaces of the brake disc and the inside of the wheel, then install the front wheels.
18. Press the brake pedal several times to make sure the brakes work.

NOTE: Engagement may require a greater pedal stroke immediately after the brake pads have been replaced as a set. Several applications of the brake pedal will restore the normal pedal stroke.

19. Add brake fluid as needed.
20. After installation, check for leaks at hose and line joints or connections, and retighten if necessary. Test-drive the vehicle, then recheck for leaks.

____________________________

I hope this helps. Let me know if you have other questions.

Take care and God Bless,

Joe
Mar 16, 2021 at 11:02 AM