Blower motor not blowing air.

2008 HONDA CIVIC
54 MILES • 4 CYL • FWD
Avatar
DJ
  • MEMBER
  • 1 POST
Heater blower motor not blowing. Checked fuses, all ok in fuse block, never seen blower motor fail so soon. Any other ideas?
Dec 9, 2010 at 4:18 AM
Advertisement
Avatar
KHLOW2008
  • CERTIFIED EXPERT
  • 41,814 POSTS
Could be the motor/switch/relay or just a fuse.


See the guides below on testing electrical, they will help

https://www.2carpros.com/articles/how-to-use-a-test-light-circuit-tester

https://www.2carpros.com/articles/how-to-check-an-electrical-relay-and-wiring-control-circuit

https://www.2carpros.com/articles/low-or-no-air-flow-from-vents

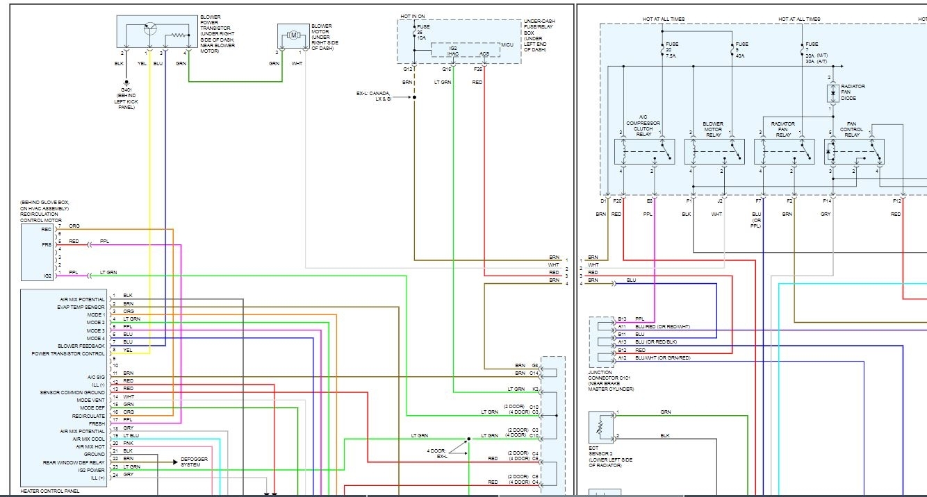
The wiring diagram for your blower motor is attached below
Dec 9, 2010 at 2:17 PM
Avatar
T12357
  • MEMBER
  • 1 POST
Hello everyone,

I need a little help with a 2004 Honda Civic Value Pack.

Summary:
========

The blower motor is running all the time, could it be the climate control panel the faulty part?

I do not want to spend way over $150+++ and not fix the car.

Long Story:
===========

I was driving on a heavy rain, I had every possible electric device turned on, A/C, radio, lights, wipers, etc.

Suddenly the A/C stopped working.

I though maybe a fuse blew up because an overload but after checking all the relevant fuses and relays both under the hood and on the inside of the car all the fuses/relays were OK.

Keeping troubleshooting I got to the blower motor transistor.

Inside it, there is thermal fuse that was gone, I think it was rated at something like 112°F/2 Amp. The main fuse for the blower motor circuit is 10 Amp so I think the 2 Amp may be a little under rated but who knows.

In any case, I could not find the original thermal fuse so I replaced it with what I could find (120°F/10 Amp, I know 10 Amp is very high as compared to the original 2 Amp but that is the best I could do, the "main" line for that circuit is also a 10 Amp and I think the thermal fuse is there for the temp, not the current really.)

Anyway, I though that would fix the whole issue with the A/C but it did not completely.

Now the current problem is that the blower motor starts running as soon as the ignition switch is the II position (for accessories, like the radio, etc.) even with the climate control switch in the OFF position.

I replaced the blower transistor ($15.00) too but still the blower motor is always running as soon as the ignition switch starts or is set to the II position (accessories, like the radio, etc.)

The Diagnostic Test for the A/C unit blinks 12 times, telling me that there is a problem with the blower motor circuit but I really think that the problem is with the EEPROM in the climate control panel.

I already removed it but there is no way for me to test it, it cost way over $150+ and I do not really want to spend that kind of cash, not knowing for sure if that will fix the problem. In some places the climate control panel cost close to $400.00, other places I have called have them for $250 + 7% tax, etc.

My only question is if anyone has gone through something similar and can verify for me what are the chances that the climate control panel may have a failure or what other possible thing I could check before buying the climate control panel.

Thanks for the help.

Tag: blower motor always running
Mar 3, 2019 at 12:21 PM (Merged)
Advertisement
Avatar
KHLOW2008
  • CERTIFIED EXPERT
  • 41,814 POSTS

This is a complete testing procedure for the blower motor. Go through the relevant steps and see if you can come to a conclusion.

At what speed mode is the motor running?
Are you able to control the speed?

DTC 12: A PROBLEM IN THE BLOWER MOTOR CIRCUIT

1. Check the No. 12 (40A) fuse in the under-hood fuse/relay box, and the No. 14 (10A) fuse in the under-dash fuse/relay box.
Are the fuses OK?
YES - Go to step 2.
NO - Replace the fuse(s), and recheck.

2. Connect the No. 2 terminal of the blower motor 2P connector to body ground with a jumper wire.

3. Turn the ignition switch ON (II).
Does the blower motor run?
YES - Go to step 4.
NO - Go to step 17 .

4. Turn the ignition switch OFF.

5. Disconnect the jumper wire.

6. Disconnect the power transistor 4P connector.

7. Check for continuity between the No. 2 terminal of the power transistor 4P connector and body ground.
Is there continuity?
YES - Go to step 8.
NO - Check for an open in the wire between the power transistor and body ground. If the wire is OK, check for poor ground at G502.

8. Connect the No. 2 and No. 4 terminals of the power transistor 4P connector with a jumper wire.

9. Turn the ignition switch ON (II).
Does the blower motor run at high speed?
YES - Go to step 10.
NO - Repair open in the wire between the power transistor and the blower motor.

10. Turn the ignition switch OFF.

11. Disconnect the jumper wire.
12. Disconnect heater control panel connector A (14P).
13. Check for continuity between the No. 7 and No. 8 terminals of heater control panel connector A (14P) and body ground individually.
Is there continuity?
YES - Repair any short to body ground in the wire(s) between the heater control panel and the power transistor.
NO - Go to step 14.

14. Check for continuity between the following terminals of heater control panel connector A (14P) and the power transistor 4P connector.
Is there continuity?
YES - Go to step 15.
NO - Repair any open in the wire(s) between the heater control panel and the power transistor.

15. Reconnect heater control panel connector A (14P).

16. Test the power transistor (see Power Transistor Test ).

17. Is the power transistor OK?
YES - Check for loose wires or poor connections at heater control panel connector A (14P) and at the power transistor 4P connector. If the connections are good, substitute a known-good heater control panel, and recheck. If the symptom/indication goes away, replace the original heater control panel.
NO - Replace the power transistor.

17. Disconnect the jumper wire.

18. Disconnect the blower motor 2P connector.

19. Measure the voltage between the No. 1 terminal of the blower motor 2P connector and body ground.
Is there battery voltage?
YES - Replace the blower motor.
NO - Go to step 20.

20. Turn the ignition switch OFF.

21. Remove the blower motor relay from the under-hood fuse/relay box, and test it (see RELAYS ).
Is the relay OK?
YES - Go to step 22.
NO - Replace the blower motor relay.

22. Measure the voltage between the No. 3 terminal of the blower motor relay 4P socket and body ground.
Is there battery voltage?
YES - Go to step 23.
NO - Replace the under-hood fuse/relay box.

23. Turn the ignition switch ON (II).
24. Measure the voltage between the No. 2 terminal of the blower motor relay 4P socket and body ground.
Is there battery voltage?
YES - Go to step 25.
NO - Repair open in the wire between the No. 14 fuse in the under-dash fuse/relay box and the blower motor relay.

25. Turn the ignition switch OFF.

26. Check for continuity between the No. 1 terminal of the blower motor relay 4P socket and body ground.
Is there continuity?
YES - Repair open in the BLU/WHT wire between the blower motor relay and the blower motor.
NO - Check for an open in the wire between the blower motor relay and body ground. If the wire is OK, check for poor ground at G201.

© 2008 Mitchell Repair Information Co., LLC.

POWER TRANSISTOR TEST

1. Remove the passenger's dashboard lower cover
2. Disconnect the 4P connector from the power transistor.
3. Measure the resistance between the No. 3 and No. 4 terminals of the power transistor. It should be about 1.4-1.5 kohm.

• If the resistance is within the specifications, go to step 4.
• If the resistance is not within the specifications, replace the power transistor.

4. Carefully release the lock tab on the No. 1 terminal (BLU/YEL) (A) in the 4P connector, then remove the terminal and insulate it from body ground.

5. Reconnect the 4P connector to the power transistor.

6. Supply 12 volts to the No. 1 cavity with a jumper wire.

7. Turn the ignition switch ON (II), and check that the blower motor runs.
• If the blower motor does not run, replace the power transistor.
• If the blower motor runs, the power transistor is OK.

© 2008 Mitchell Repair Information Co., LLC.
Mar 3, 2019 at 12:21 PM (Merged)
Avatar
DMENDIBURO
  • MEMBER
  • 1 POST
Hi man, I have the same problem whit my Civic... Could you solve this out? I really don't know how to! I'd follow the stepst that the KHLOW2008 user said but it that solution isn't goes. The cavitys 7 and 8 of the 14p connector gives 12v all time! I think the problem is in the Heater Control Panel. Thanks! I'll be waiting for your answer.
Mar 3, 2019 at 12:21 PM (Merged)
Avatar
AECLAR83
  • MEMBER
  • 1 POST
HELP!! I'm on a long road trip and the #1 under the hood fuse for the A/C compressor fan blows as soon as the A/C is turned on. Any suggestion why this is happening? It dies yesterday I took it to the shop before leaving and they checked it over, replaced the fuse and said they could not see why it blew. The A/C held out for the first 3 hours or so, then I replaced the fuse and it blew right away?
Mar 3, 2019 at 12:21 PM (Merged)
Avatar
KHLOW2008
  • CERTIFIED EXPERT
  • 41,814 POSTS
Hi aeclar83,

Thank you for the donation.

The fuse operates the condenser fan and compressor clutch.

Either the compressor clutch or condenser fan motor is bad causing the fuse to blow.

Unplug both connectors and install fuse to see if it blows. Install fan coupler and start engine. turn AC on and check if the fuse blows. If not, reconnect the compressor wire connector and retest.
Mar 3, 2019 at 12:21 PM (Merged)
Avatar
STEPHANIE1
  • MEMBER
  • 1 POST
2002 Honda, check engine came on and battery light. Soon after all power gone. Replaced alternator and blown fuse for alternator and car ran for a few minutes, blew the fuse and went on battery and died. Replaced battery and fuse and repeated test run, soon the fuse blew and car died. Replaced the ELD and blown fuse and repeated test run, soon the fuse blew and car died. Took to dealer for "mysterious" electrical repair. They replaced the wire from alternator to fuse and said a "short" was somewhere in wiring harness in firewall. Upon test drive, check engine light came on and there is no heater blower. dealer wants to look "further" at two sensors? Could the one wire from alternator to fuse have something to do with blower motor?
Mar 3, 2019 at 12:21 PM (Merged)
Avatar
KHLOW2008
  • CERTIFIED EXPERT
  • 41,814 POSTS
Hi stephanie1,

What is the DTC for the CEL?

Blower motor gets its power supply from the fuse box underhood so could be related to alternator wire.
Mar 3, 2019 at 12:21 PM (Merged)
Avatar
AIRIC74
  • MEMBER
  • 12 POSTS
I have replaced the blower motor switch and blower motor resistor and i still can not get the heater switch to work. I now have the blower motor bypassed with a toggle switch and it works. So my question is. When i test the blower fuse i get no power at the fuse but if a test the fuse box where the fuse goes i get power with the test light. I have replace the fuse and still get the same result. Any ideas on what this might be?
Mar 3, 2019 at 12:21 PM (Merged)
Avatar
KHLOW2008
  • CERTIFIED EXPERT
  • 41,814 POSTS
Hi airic74,

The blower motor receives its power from Fuse # 19 ( 30 A ) Blue/White wire which is hot only when the ignition switch is turned to RUN.

Do you mean power is not available at the fuse or is it not getting to the blower?
Mar 3, 2019 at 12:21 PM (Merged)
Avatar
AIRIC74
  • MEMBER
  • 12 POSTS
i have no power at the fuse but if i remove the fuse and test the fuse box i have power at the fuse location
Mar 3, 2019 at 12:21 PM (Merged)
Avatar
ALISONDRAIN
  • MEMBER
  • 3 POSTS
Hello,

The last time I got in my car, I noticed that my fan wasn't working when I put it on each of it's settings (1-4). Thinking I should start from the simplest thing to fix the problem first, I checked my fuses. The fuse was fine so now I'm wondering if my blower motor has died. Everything else on he car seems to be working, no problems with the heat and the AC compressor comes on when I hit the AC button. Just no fan :o( Can you help me diagnose this and give me an idea as to how much the part will cost?

Thanks so much!
Mar 3, 2019 at 12:21 PM (Merged)
Avatar
RICKYBEAR84
  • MEMBER
  • 2 POSTS
Yea I had the same problem on my 89 CRX and I changed the blower motor and it worked fine after that. The blower motor is usually located behind your glove compartment depending on what year you have, At the part store I believe I paid no more than 50 bucks and installed it myself.
Mar 3, 2019 at 12:21 PM (Merged)
Avatar
FASTRO01
  • MEMBER
  • 1 POST
94 honda civic heater fan not running. fuse in car is ok. any ideas?
Mar 3, 2019 at 12:22 PM (Merged)
Avatar
RASMATAZ
  • CERTIFIED EXPERT
  • 75,992 POSTS
Power the blower motor from the battery if it comes on -check and test the blower motor relay, blower motor resistor and blower switch-
Mar 3, 2019 at 12:22 PM (Merged)
Avatar
LANAPLAISTED
  • MEMBER
  • 2 POSTS
i have checked all fuses & am in the process of checking the fan switch and blower motor. i have taken out the glove box but don't know how to get to the blower motor or fan switch.....i do have a test light as well as a volt-ohm meter....
Mar 3, 2019 at 12:22 PM (Merged)
Avatar
BLUELIGHTNIN6
  • CERTIFIED EXPERT
  • 16,542 POSTS
this on a CRX or regular civic? have you checked blower motor relay?
Mar 3, 2019 at 12:22 PM (Merged)