no communication?

2008 GMC YUKON
220,000 MILES • 5.3L • V8 • 4WD • AUTOMATIC
Avatar
BRANDON WATSON
  • MEMBER
  • 2 POSTS
I have had an intermittent problem with my vehicle losing communication. No crank no start door unlocking and locking and so on. I was at work, and it would not do anything. I unplugged battery nothing disconnected ECM nothing TCM nothing but when I disconnected ABS module it fired right up. Not sure what's the main problem?
Aug 25, 2023 at 6:06 PM
Advertisement
Avatar
STRAILER
  • CERTIFIED EXPERT
  • 53,854 POSTS
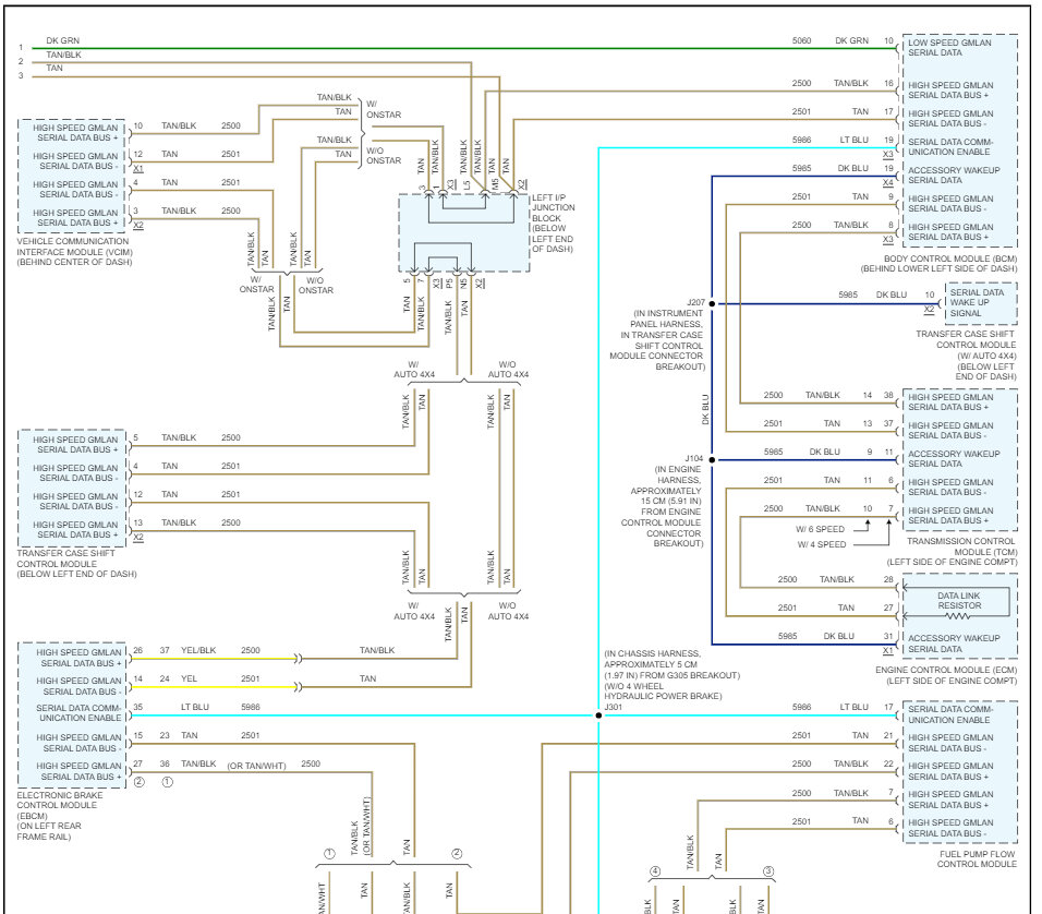
It sounds like the PCM, BCM or ABS module is shorting out, but we need to do a CAN scan to see what codes are stored.

You can get a CAN scanner (Controller Area Network) which will work on most cars from Amazon.

Here is a video to show you how:

https://youtu.be/u-4syLc-ifQ


Here is how to change out the BCM in case a code comes up for it, you can get a preprogrammed unit by searching Google or Ebay. Check out the images (below). Let us know what happens and please upload pictures or videos of the problem so we can see what's going on.
Aug 26, 2023 at 12:55 PM
Avatar
BRANDON WATSON
  • MEMBER
  • 2 POSTS
I have the U0073 code control module communication bus a off.
Aug 26, 2023 at 1:03 PM
Advertisement
Avatar
STRAILER
  • CERTIFIED EXPERT
  • 53,854 POSTS
The U0073 code is a generic diagnostic trouble code (DTC) that indicates a communication problem between different control modules in the vehicle. I would turn the ignition on and check all fuses, this guide can help:

https://www.2carpros.com/articles/how-to-check-a-car-fuse

Check out the images (below). Please let us know what happens. It still sounds like the BCM is out.

Aug 27, 2023 at 9:48 AM