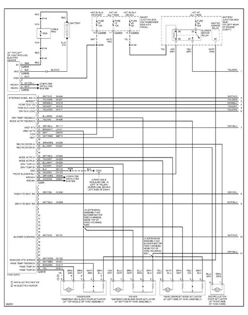
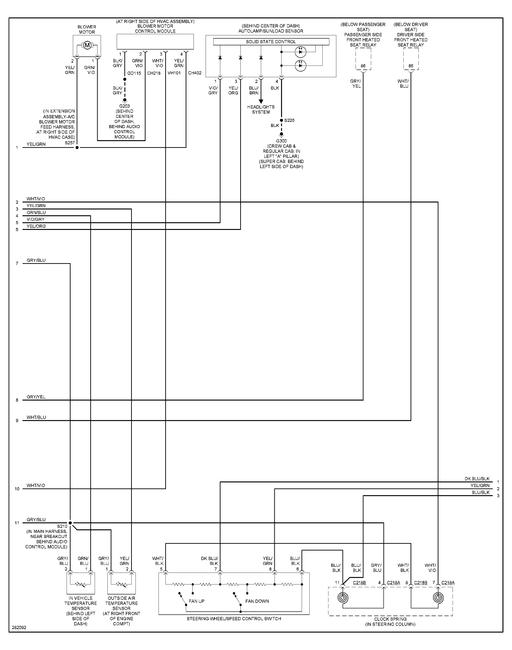
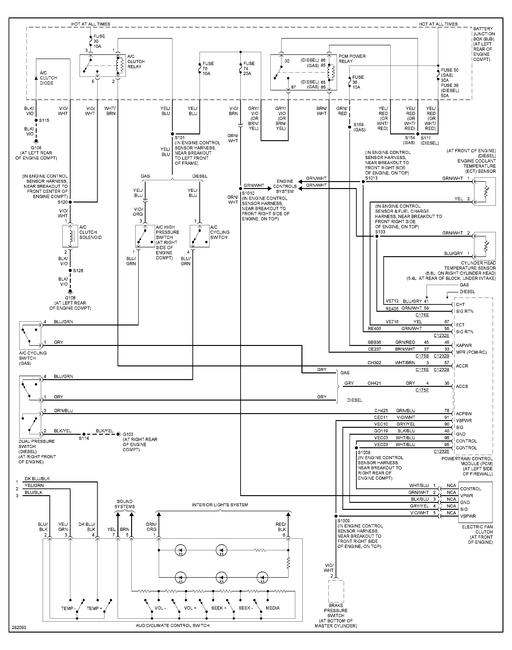
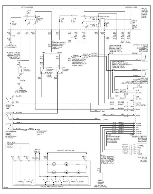
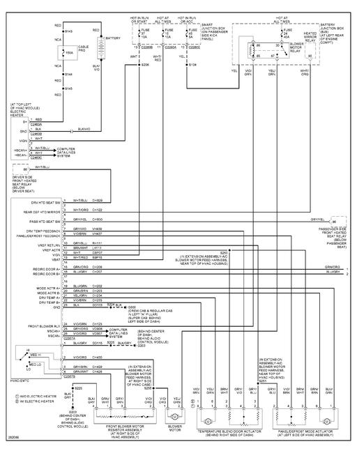
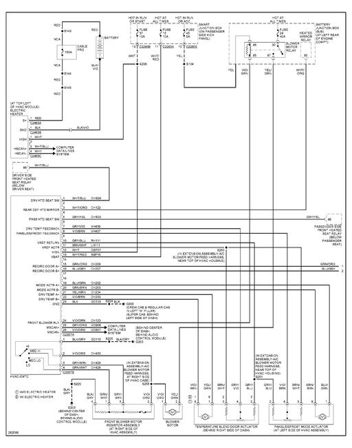
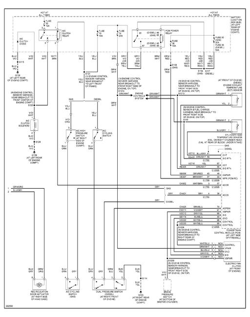
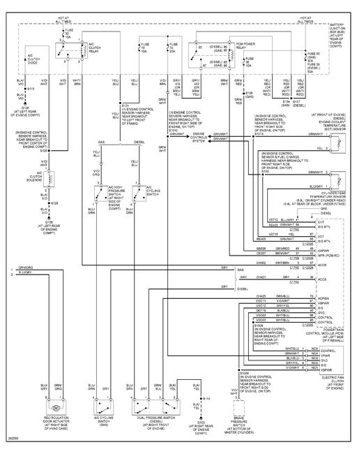
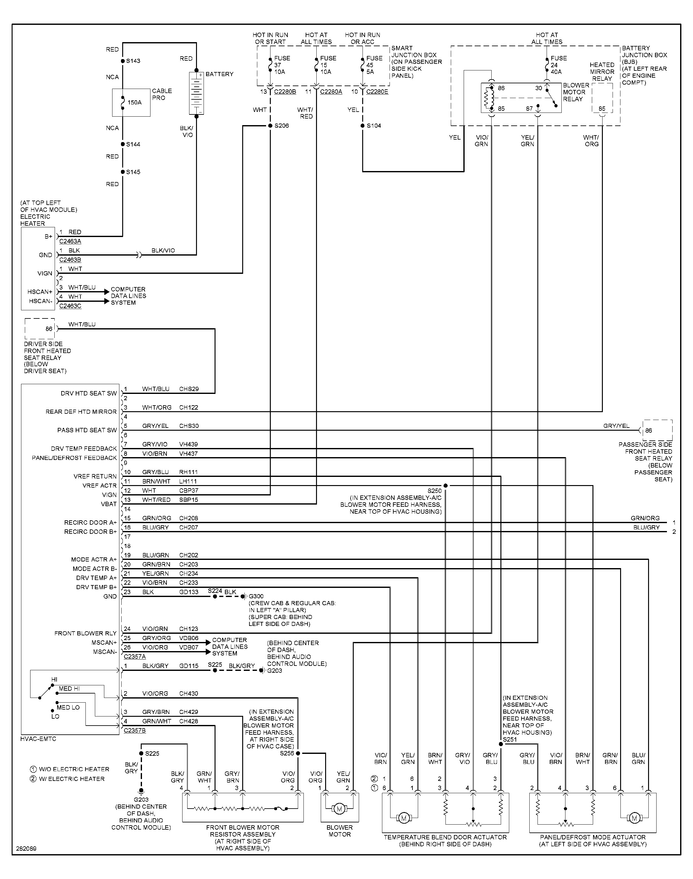
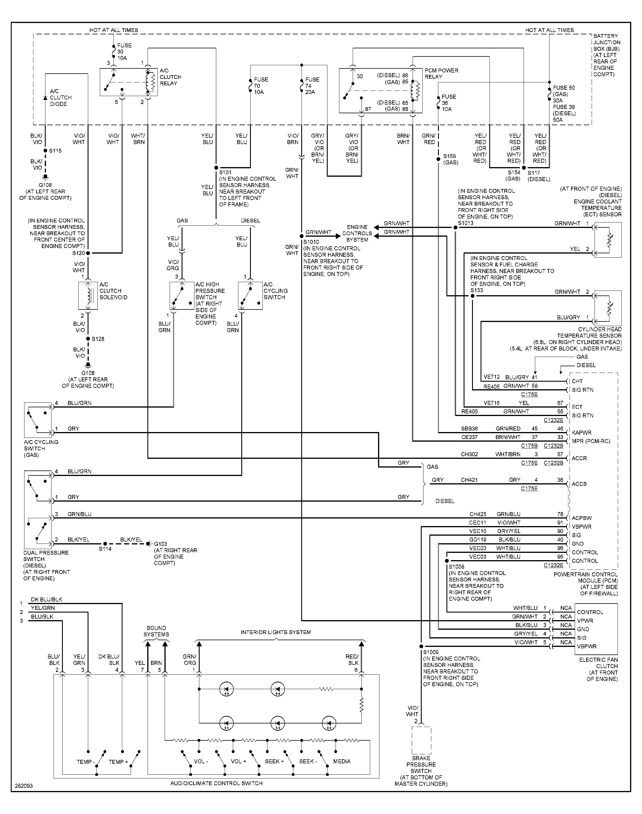
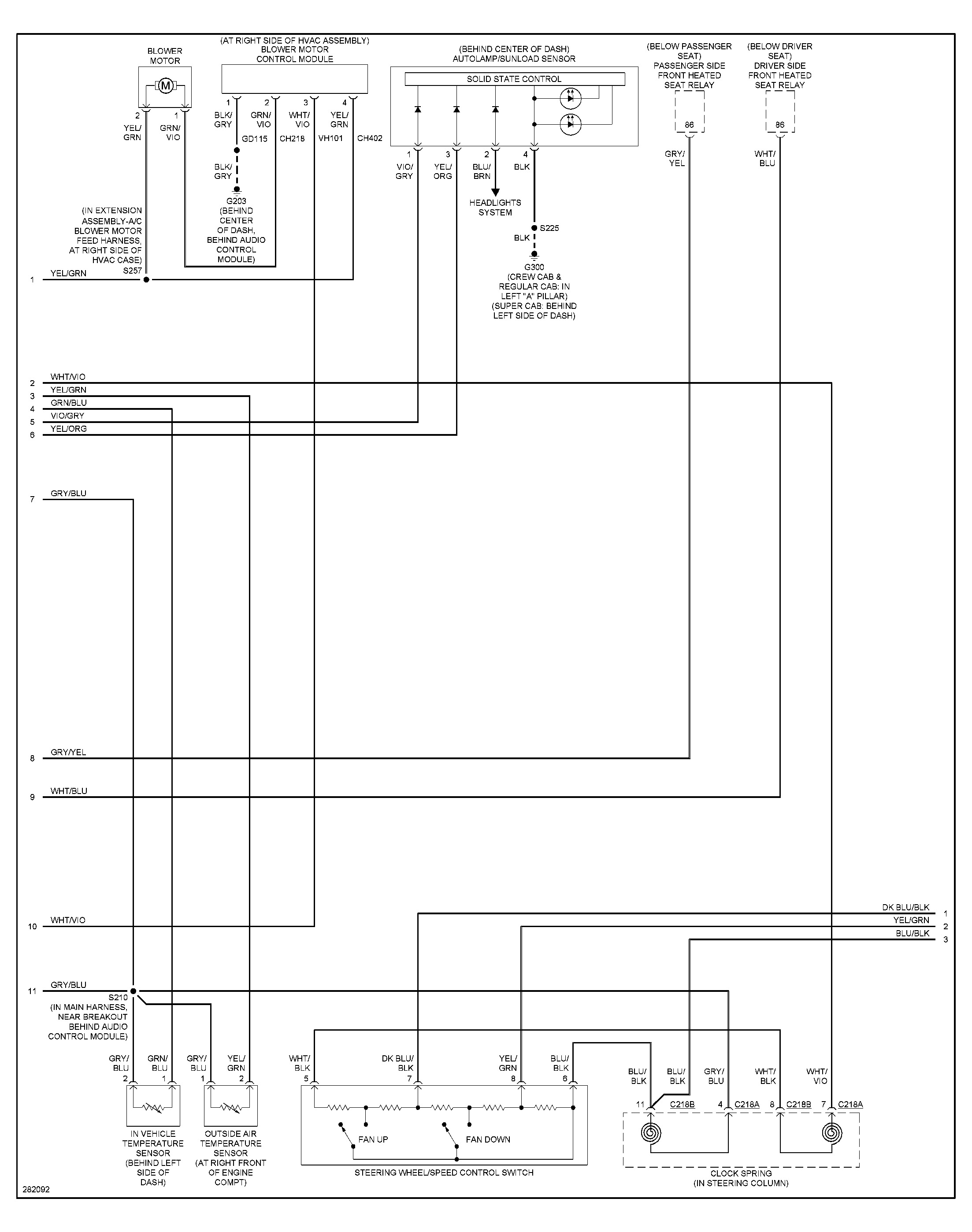
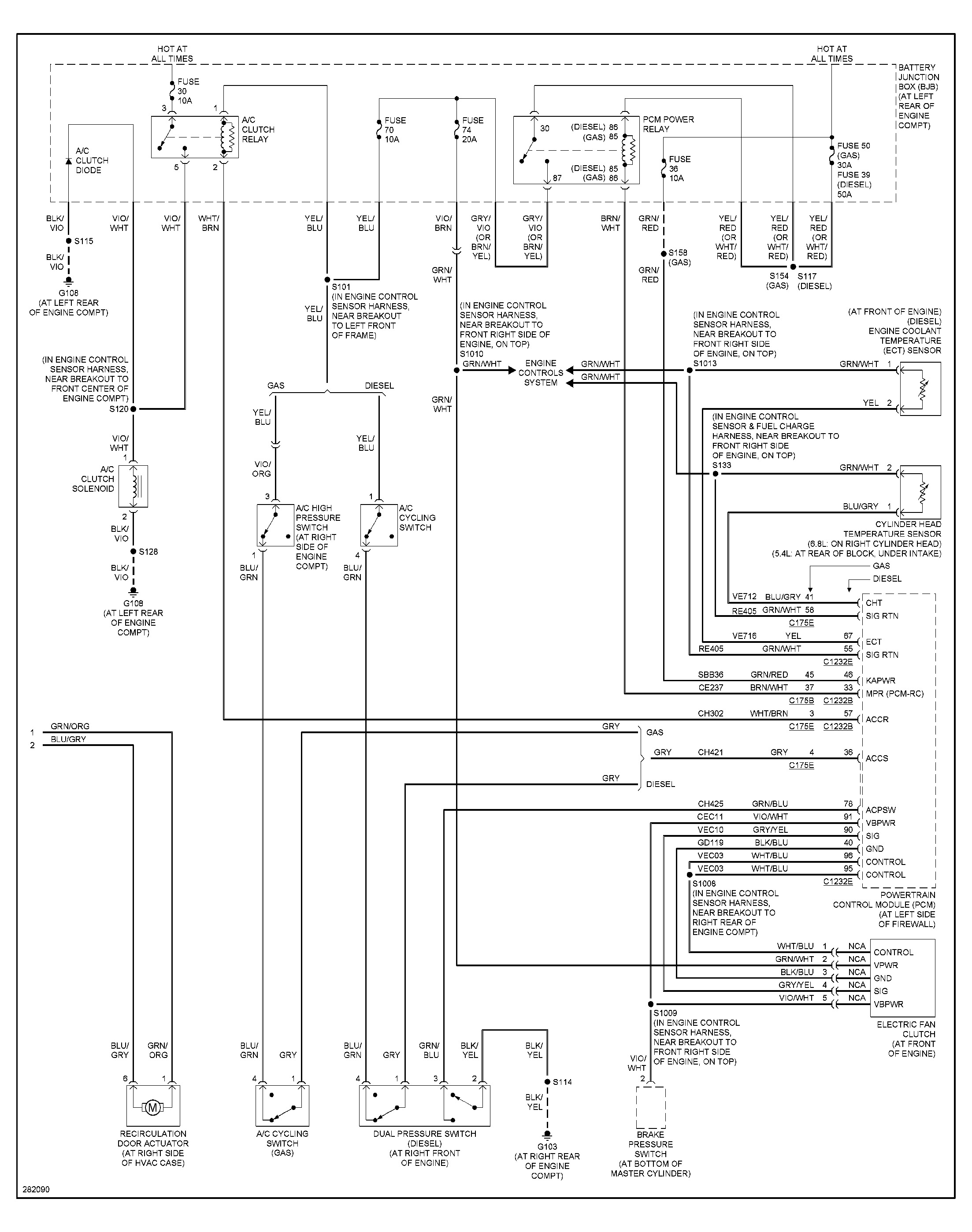
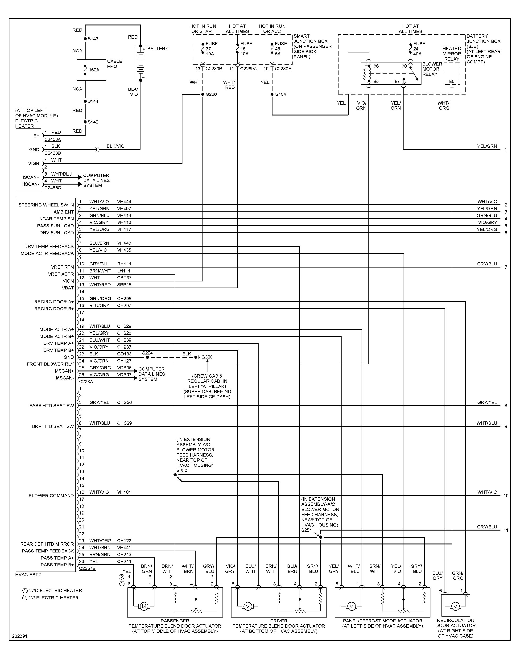
So i am working on my truck and i was told that since nothing was blowing air it would be inside mt cab as in my blower motor or resistor or relay now i have replace mt blower motor and resistor with new ones i had purchased and i swapped a relay i believe was the correct one. any help my blower motor does not work at all i am not getting power to it at all is there a fuse or where is the correct relay
Jul 19, 2013 at 10:19 AM





