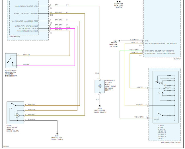
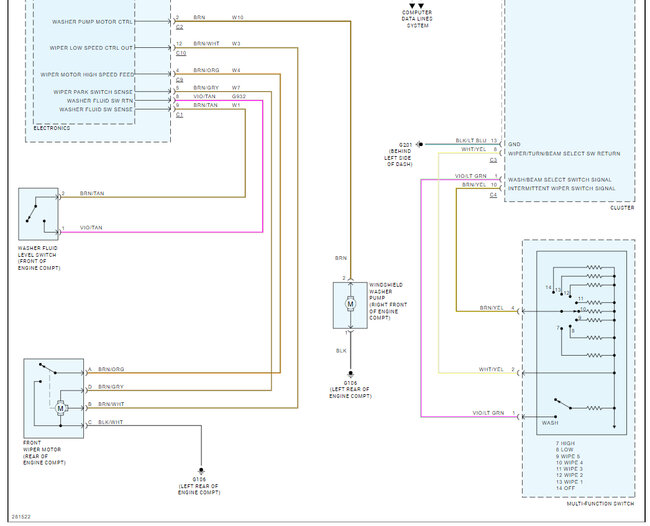
Recently my wiper blades started only running at the fast speed. Then when I go to shut them off. They stop as soon as I turn the switch. Usually it stops at the bottom of the windshield from where they started. Is my motor going bad?
Jan 26, 2015 at 11:41 PM




