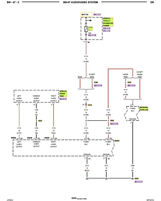
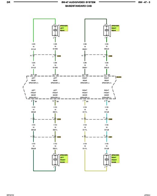
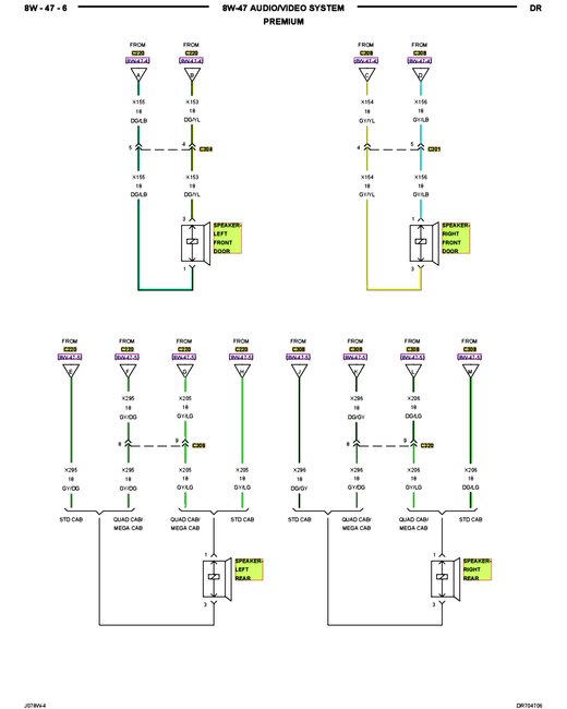
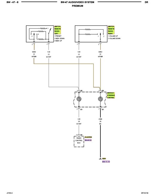
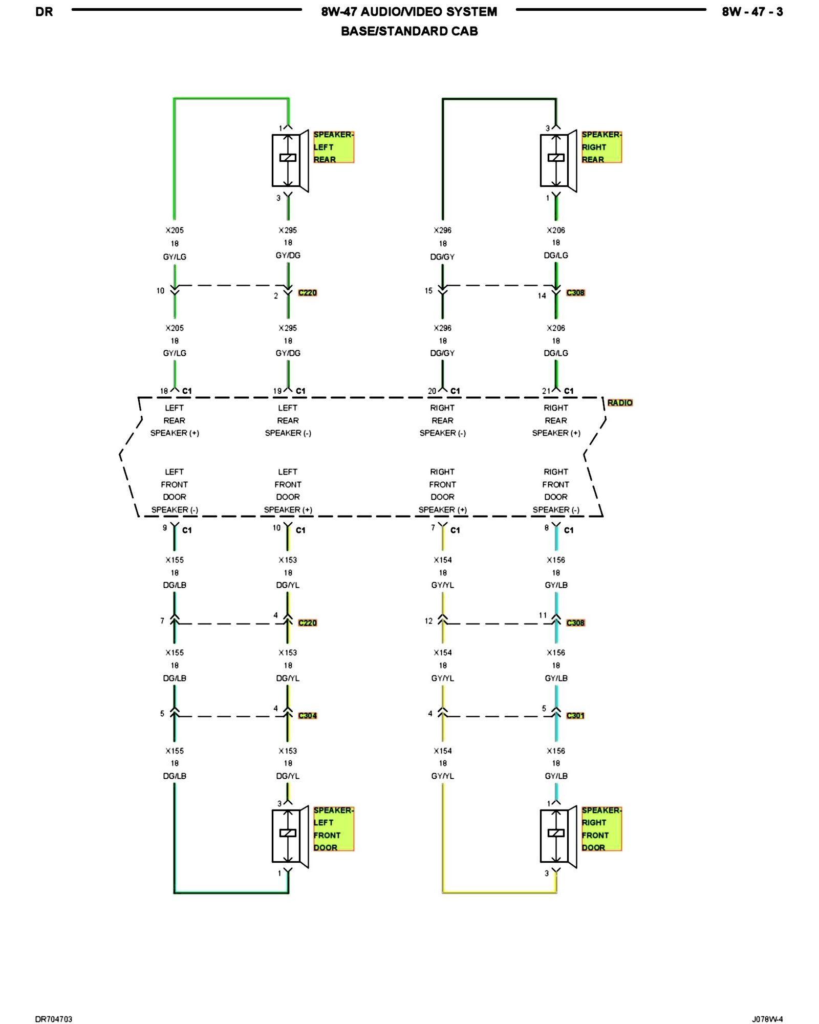
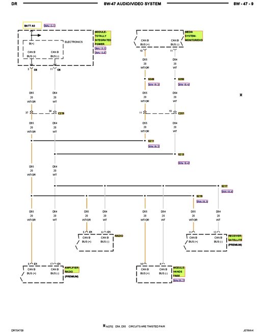
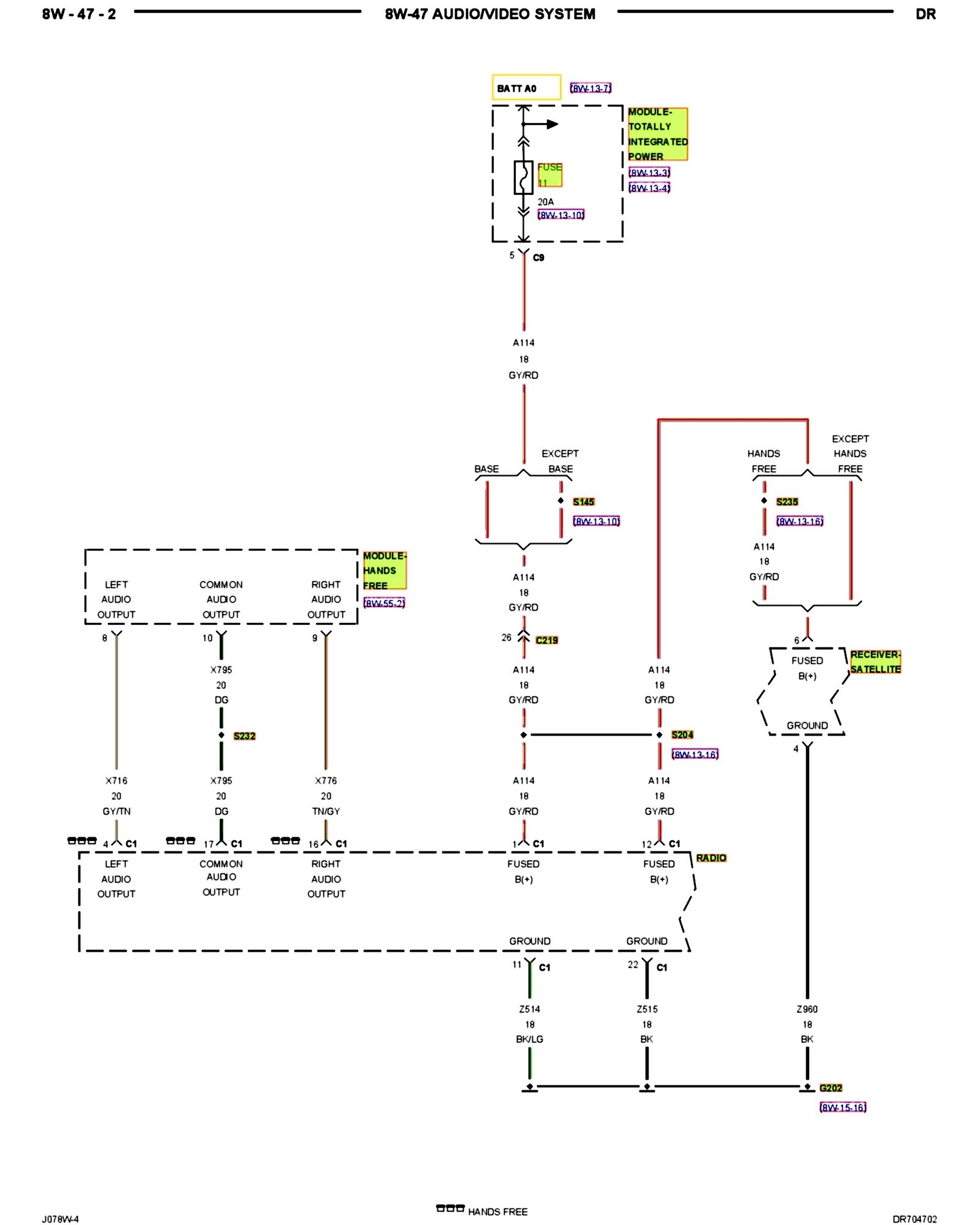
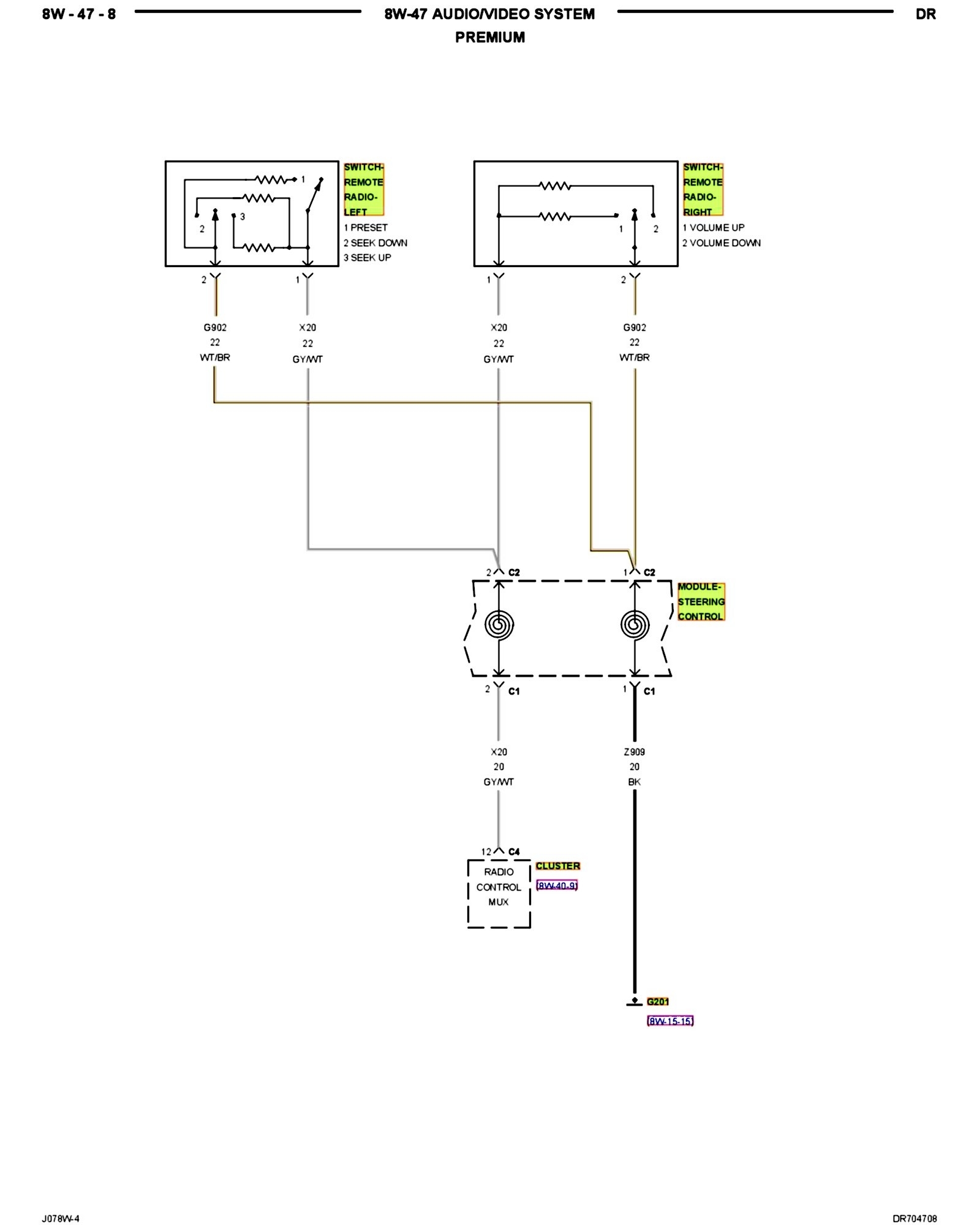
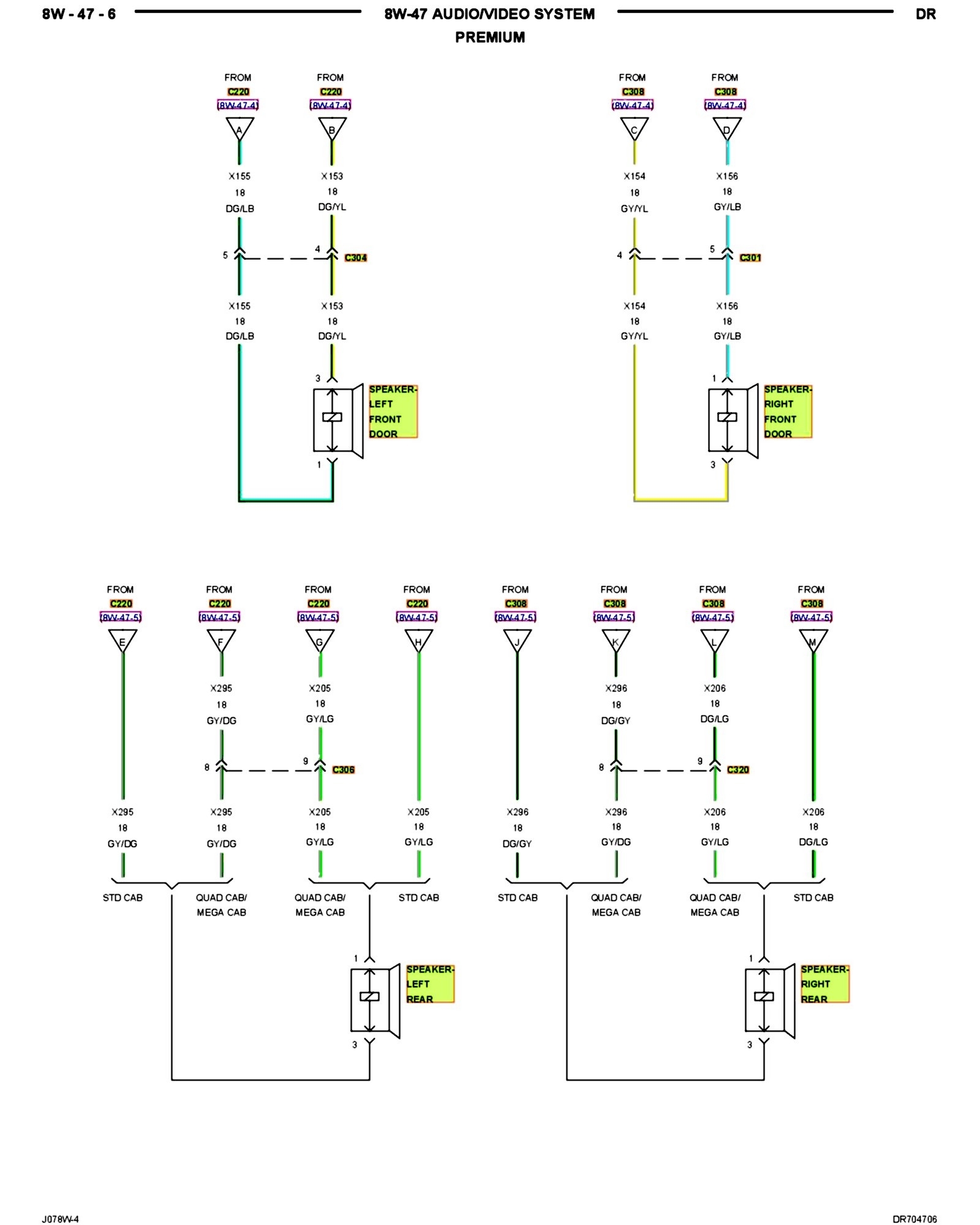
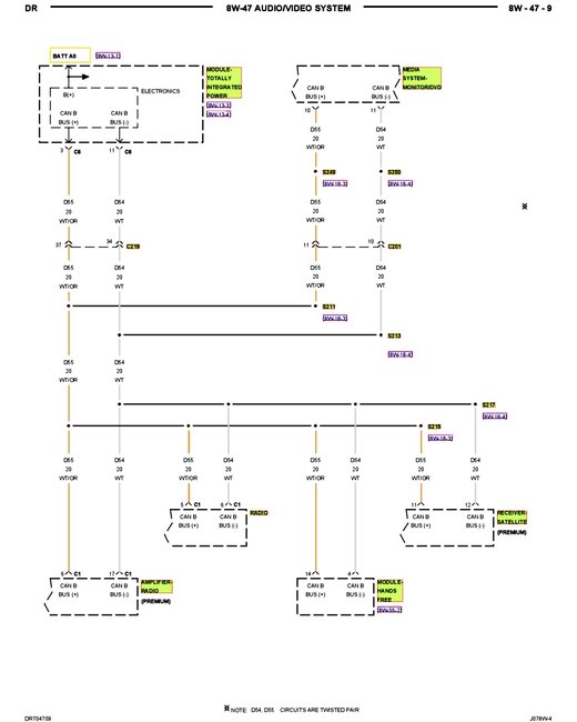
I have the truck listed above 1500 V8 4.7 that all of a sudden all of the speakers stop working. I would like to maybe get a wiring diagram for it because maybe they all get power from one source if they all went out at the same time. I already checked the fuses but they are all good.
May 4, 2021 at 10:06 PM










