My 2008 dodge charger won't come on, panel lights won't work, radio or windows won't work
Dec 17, 2011 at 6:47 AM
Advertisement
RASMATAZ
CERTIFIED EXPERT
75,992 POSTS
What do you mean it won't come on?
Dec 17, 2011 at 7:00 AM
RIVERMIKERAT
CERTIFIED EXPERT
6,110 POSTS
Check the battery. Check the main fusible link. You may have a defective ignition switch. Do the headlights and taillights work? Does the engine turn over? Do the brake lights work?
Dec 17, 2011 at 7:01 AM
Advertisement
LADYB2011
MEMBER
2 POSTS
I have checked the battery. My headlights, tail light come on. The engine make no noise. Nothing come on but the lights
Dec 17, 2011 at 7:04 AM
RASMATAZ
CERTIFIED EXPERT
75,992 POSTS
Earlier you were advised to check main fusible link-go check/test then comeback
Dec 17, 2011 at 7:05 AM
LADYB2011
MEMBER
2 POSTS
Were is the fusible link and how do u test it
Dec 17, 2011 at 7:17 AM
RIVERMIKERAT
CERTIFIED EXPERT
6,110 POSTS
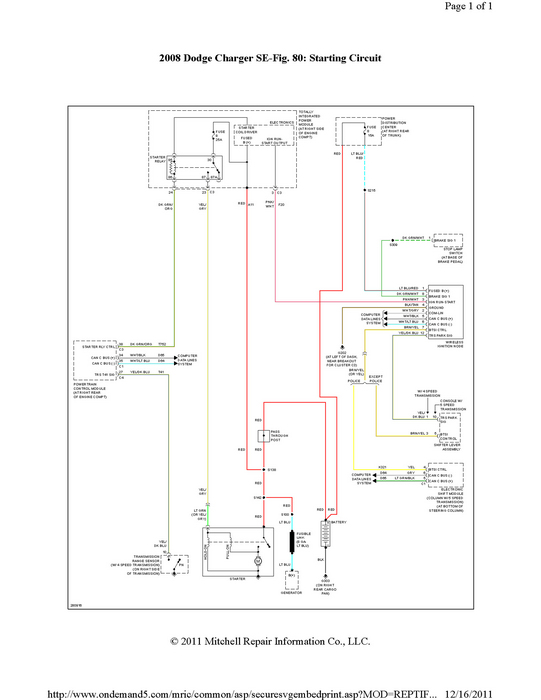
I think it may be the ignition switch. I have attached the schematic to help you check it. I have also attached an image of the main relay box showing the 3 main circuit breakers. One of those may be blown.
Images (Click to enlarge)
Dec 17, 2011 at 7:24 AM
RASMATAZ
CERTIFIED EXPERT
75,992 POSTS
Check at the alternator lite blue color wire
Dec 17, 2011 at 7:25 AM
RIVERMIKERAT
CERTIFIED EXPERT
6,110 POSTS
Also check at the integrated power module. See image.