ANYTHINGS POSSIBLE
NOT ONLY WAS THE HORN BLOWIN', BUT THE RELAY WAS TURNING OFF AND ON TOO
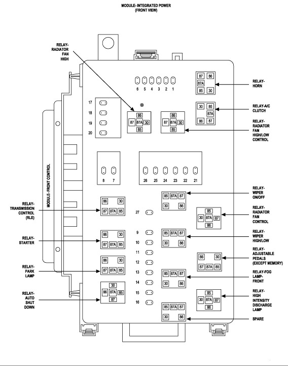
BELOW- I HAVE A FUSE/ RELAY BOX-IT MAY BE FOR A 2006 (IF NOT, CONSULT YOUR OWNER'S MANUAL OR THE COVER ON THE BOX)
TOP RIGHT IS THE HORN RELAY
THE RELAY BELOW IT IS FOR THE A/C CLUTCH
FROM WHAT I CAN TELL, THEY ARE IDENTICAL TWINS, JUST PLUGGED IN, IN A DIFFERENT CLOCK POSITION
(ALWAYS SUBSTITUTE ONE THAT WILL NOT AFFECT THE ENGINE OR DRIVE-TRAIN)
IF THEY LOOK THE SAME, STICK THE A/C CLUTCH RELAY IN THE HORN RELAY'S POSITION
DOES THE HORN IMPROVE?
IF SO, PUT THE A/C CLUTCH RELAY BACK AND BUY THE HORN RELAY
IF NOTHINGS WORKING OUT, GO WITH THE NEW HORN OPTION
THE MEDIC
Apr 14, 2015 at 7:15 PM