starter relay location

2008 DODGE AVENGER
94,300 MILES
Avatar
ANONYMOUS
  • MEMBER
  • 1 POST
Where is the starter relay located on an 08 dodge avenger?
Feb 24, 2013 at 5:10 PM
Advertisement
Avatar
STRAILER
  • CERTIFIED EXPERT
  • 53,854 POSTS
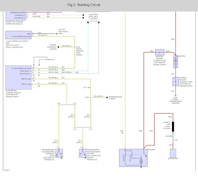
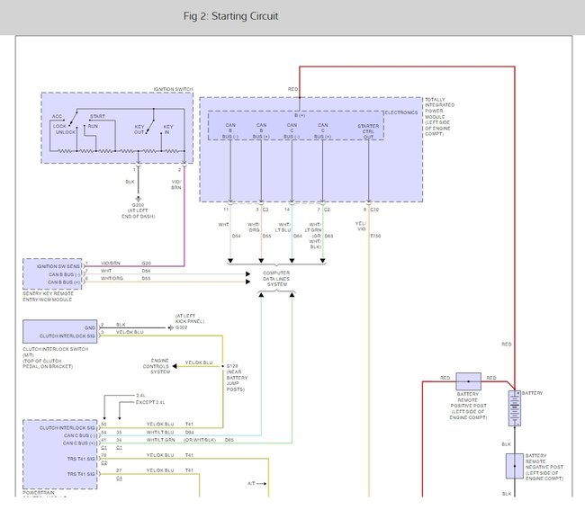
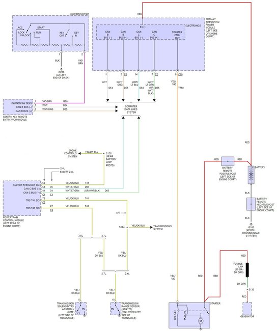
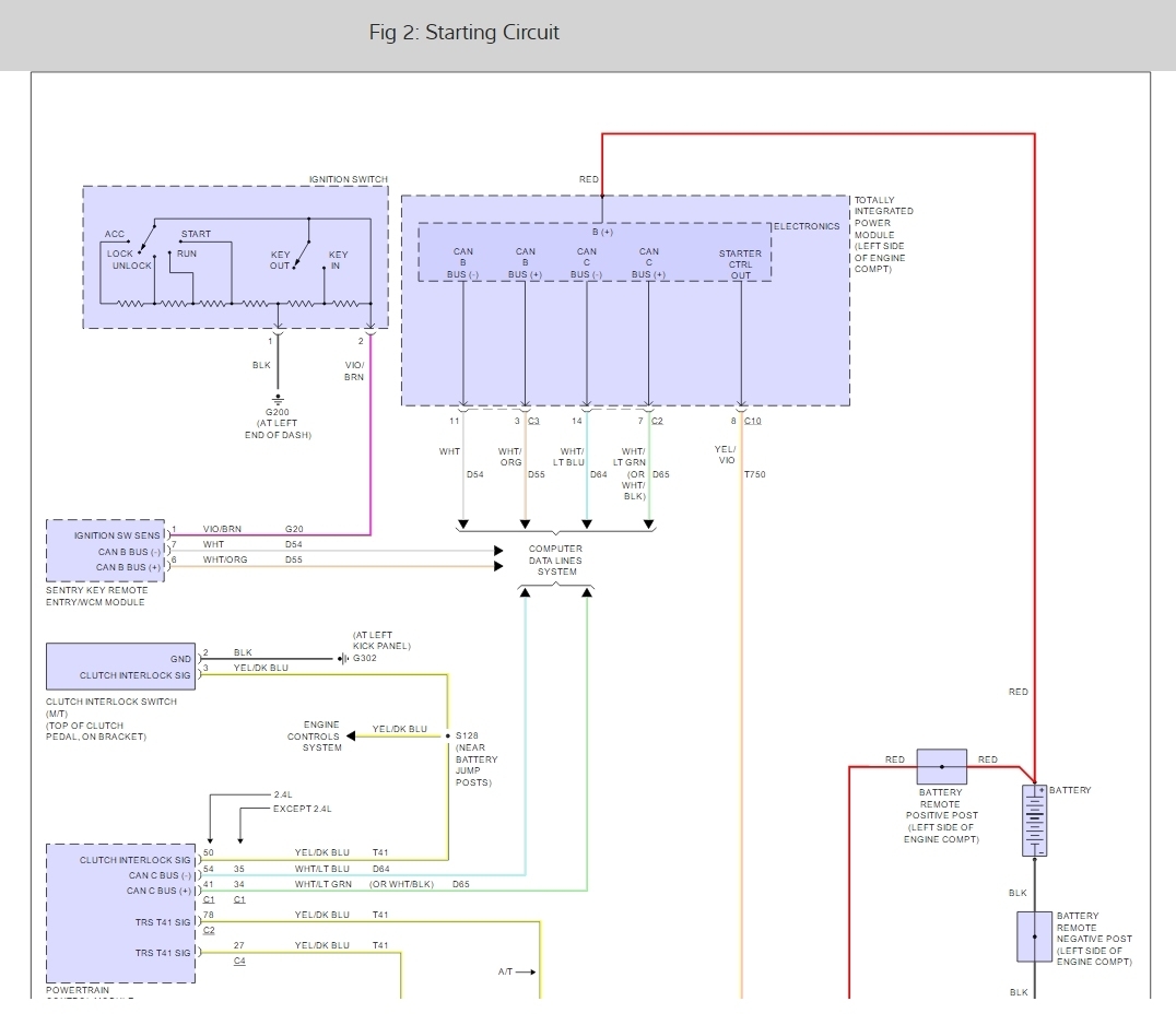
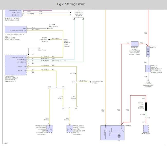
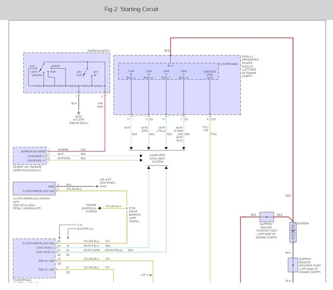
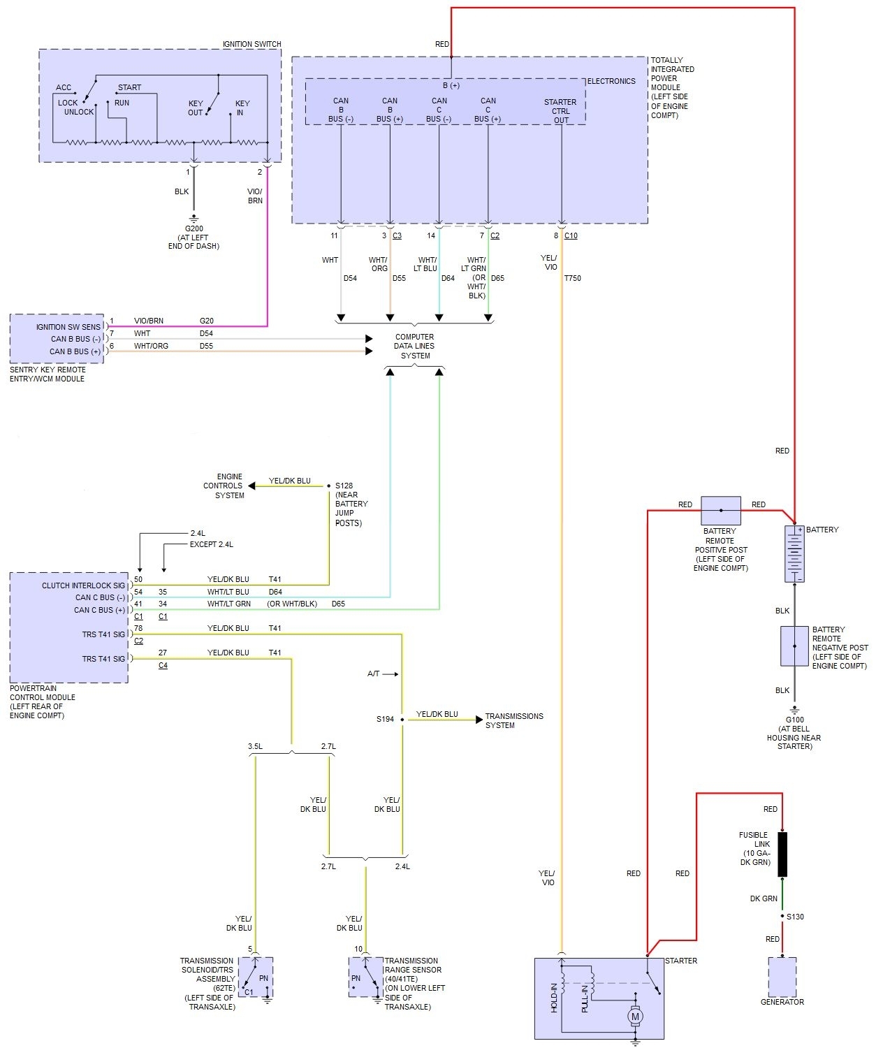
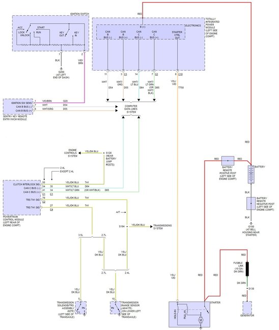
the car does not have a starter relay per say because it is integrated into the TIPM (Totally Integrated Power Module) which located on the left side of the engine compartment. Have you checked for power at the starter trigger (Small wire) when key is in crank position?

If the TIPM is faulty the wiring diagrams and replacement instructions are attached below

https://www.2carpros.com/articles/starter-not-working-repair

https://www.2carpros.com/articles/how-to-use-a-test-light-circuit-tester

Please let us know what you find so it will help others.

Best, Ken
Dec 15, 2016 at 10:48 AM
Avatar
LG08
  • MEMBER
  • 1 POST
I need to locate the exact placement of the starter motor relay
Dec 15, 2016 at 10:49 AM (Merged)
Advertisement
Avatar
CARADIODOC
  • CERTIFIED EXPERT
  • 34,306 POSTS
There isn't one. That function is built into the TIPM, (Totally Integrated Power Module). There is no relay. See the previous post for wiring diagrams
Dec 15, 2016 at 10:49 AM (Merged)
Avatar
SARAH E. ANDREWS
  • MEMBER
  • 1 POST
Which one is it please? These are relays that I am able to find.
Feb 18, 2019 at 3:05 PM (Merged)
Avatar
HMAC300
  • CERTIFIED EXPERT
  • 48,601 POSTS
none of them. the starter is controlled by the TPIM module under the fuse box.

Use this video to confirm the issue.

https://youtu.be/InIlnsjOVFA

Please run down this guide and report back.

Feb 18, 2019 at 3:05 PM (Merged)
Avatar
STEVE W.
  • CERTIFIED EXPERT
  • 15,113 POSTS
As HMAC says, that car does not use a conventional relay, instead it is controlled inside the "totally integrated power module". What is the issue? No crank? No power? The TIPM is know to cause a lot of issues. Chrysler has a few tech sheets out on them, most end up with the same repair, replace TIPM module.
Feb 18, 2019 at 3:06 PM (Merged)
Avatar
CCARN13
  • MEMBER
  • 3 POSTS
I had the starter replaced and the battery. Then the same thing happened again (just clicking/won't start). So, I had that one replaced. It happened again. Is is possible to have two bad starters replaced, or should they be looking for something else? Please help me!!!...I am stressed over this, and have to keep making arrangements to get to work.

User note: look at the relays ... all of them . you have to take the front bumper off maybe. they are under the battery compartment
Apr 19, 2019 at 6:20 PM (Merged)
Avatar
NEW_TO_DODGE
  • MEMBER
  • 35 POSTS
Are the starters new or refurbished? Sounds like there may be a draw somewhere that is causing the battery to go dead. Also, you may want to check out the alternator to make sure that it is charging the battery correctly.

Good Luck.

User note: this is a very common problem with the dodge caliber . ordinary people are solving this issue because mechanics want to replace 2000 dollars worth of parts and labour without thinking...
Apr 19, 2019 at 6:20 PM (Merged)
Avatar
BACKYARDMECHANIC
  • CERTIFIED EXPERT
  • 337 POSTS
Have the starter bench tested to see if it is good. I would also look at the battery cables and connections. Make sure they are tight and clean.
Apr 19, 2019 at 6:20 PM (Merged)
Avatar
SPAINTER
  • MEMBER
  • 1 POST
there is a second relay location, lower left engine compartment, below the headlight! thats where the starter relays are located!
Jan 2, 2025 at 11:13 AM