Heater Core Replacement

2008 DODGE AVENGER
75,000 MILES • 6 CYL • 2WD • AUTOMATIC
Avatar
ABEYTA.M
  • MEMBER
  • 1 POST
How to replace heater core, where is it and how to remove it, for a new one?
Jan 20, 2011 at 6:48 PM
Advertisement
Avatar
STRAILER
  • CERTIFIED EXPERT
  • 53,854 POSTS
Hello,

You must disconnect the battery and drain the coolant to begin. Here is a guide to give you some idea of what you are in for.

https://www.2carpros.com/articles/replace-heater-core

The air conditioner must be drained and refilled, go here for instructions and video.

https://www.2carpros.com/articles/re-charge-an-air-conditioner-system

Here are instructions from the book be sure to check out the diagrams (BELOW) which shows ho the job is done on your car.

The heater core for the heating-A/C system is mounted within the HVAC air distribution housing, which is located behind the instrument panel. The heater core is a heat exchanger made of rows of tubes with fins and is positioned within the air distribution housing so that only the selected amount of air entering the housing passes through the heater core before it is distributed through the heating-A/C system ducts and outlets. One end of the heater core is fitted with a tank that includes the fittings for the heater core tubes.

The heater core can only be serviced by removing the HVAC housing from the vehicle.

NOTE: The HVAC housing assembly must be removed from vehicle for service of the heater core.

NOTE: LHD model with A/C shown in illustration. RHD and heater-only models similar.

Remove the HVAC housing assembly and place it on a workbench. See HOUSING-HVAC. Remove the left side front floor duct. See REMOVAL . NOTE: If the foam seal for the flange is deformed or damaged, it must be replaced. Remove the foam seal from the flange

Located on the front of the HVAC housing. Remove the screw that secures the flange to the front of the HVAC housing and remove the flange.
Remove the screws that secure the heater core tube retaining brackets to the side of the air distribution housing. On RHD models, remove the air distribution housing from the HVAC housing. Carefully pull the heater core out of the driver side of the air distribution housing.

Disconnect and isolate the negative battery cable.
Recover the refrigerant from the refrigerant system. See STANDARD PROCEDURE .
Partially drain the engine cooling system. Refer to DRAINING .
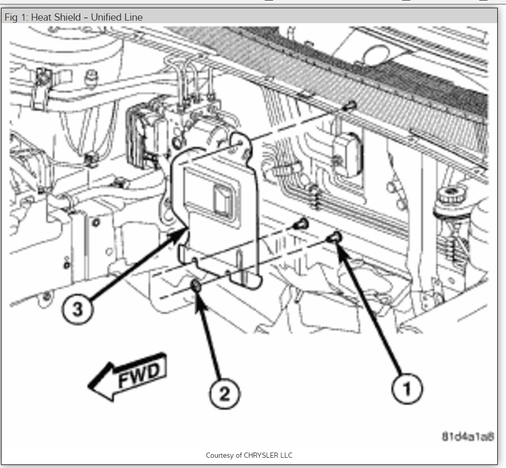
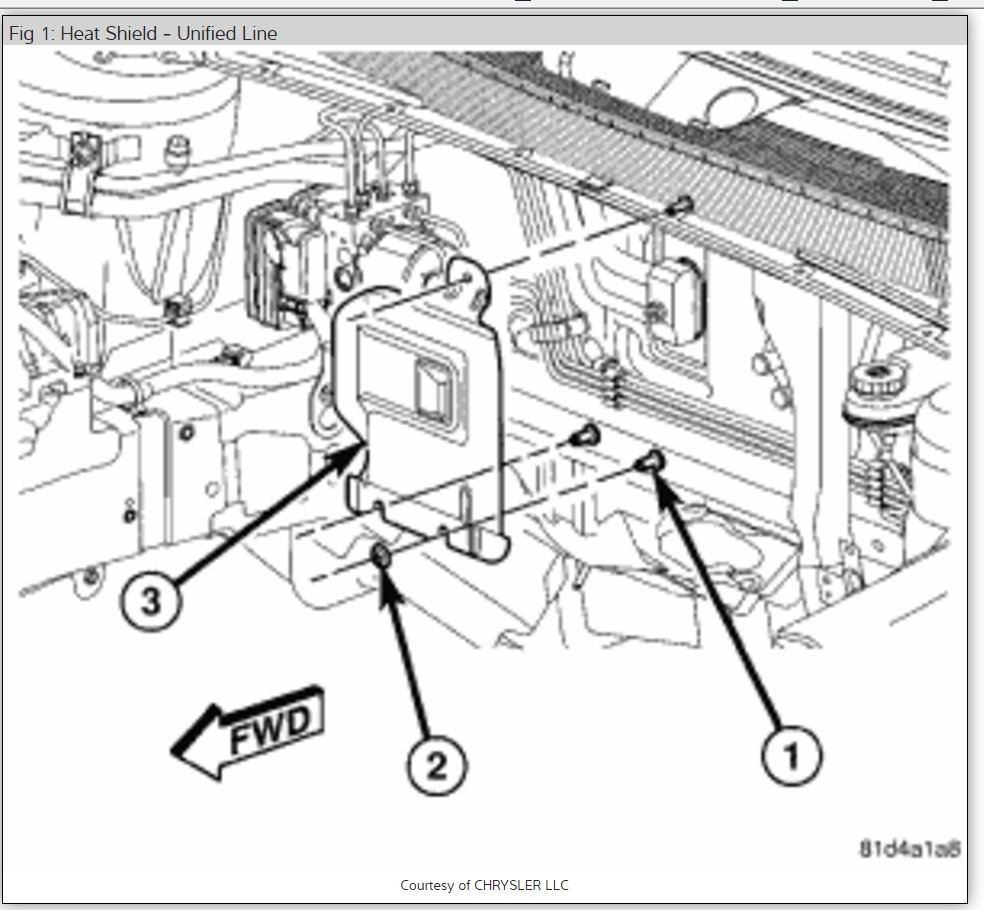
Remove the top nut that secures the heat shield to the stud located on the dash panel.

Remove the bolt that secures the A/C liquid and suction line assembly to the A/C evaporator. Disconnect the A/C liquid and suction line assembly from the A/C evaporator and remove and discard the dual-plane seals. Install plugs in, or tape over the opened refrigerant line fittings and the evaporator ports. Disconnect the heater hoses (4) from the heater core tubes. Install plugs in, or tape over the opened heater core tubes to prevent coolant spillage during housing removal.

SEE IMAGES BELOW:

Best, Ken - If this info is wrong please use the vote tool below to tell us why.
Nov 29, 2016 at 11:32 AM