caliper bolts to get to the pads?

2008 DODGE AVENGER
38,000 MILES
Avatar
TOM SAXER
  • MEMBER
  • 1 POST
where is the caliper bolts to get to the pads?
Oct 28, 2011 at 12:08 AM
Advertisement
Avatar
JACOBANDNICKOLAS
  • CERTIFIED EXPERT
  • 110,175 POSTS
Hi,

Replacing front brake pads and rotors isn't too hard to do. Since they usually last around 25,000 miles, you can get lifetime parts and never have to pay for parts again.

Let's get started. First, here is a link that shows in general how it's done. You can use this as a guide when working on your vehicle:

https://www.2carpros.com/articles/how-to-replace-front-brake-pads-and-rotors-fwd

Here are the directions specific to your vehicle. The pics below correlate with the directions.



1. Raise and support the vehicle.

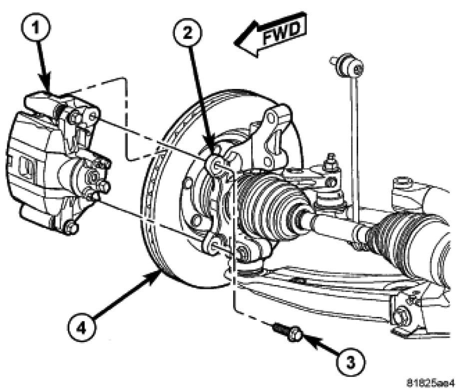
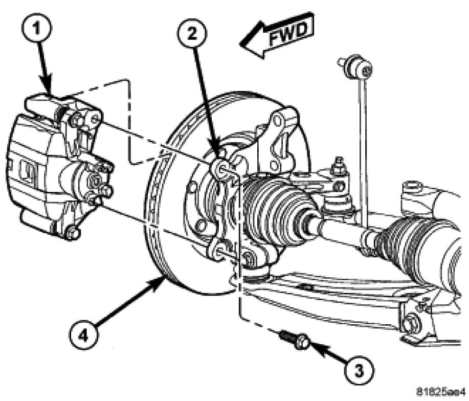
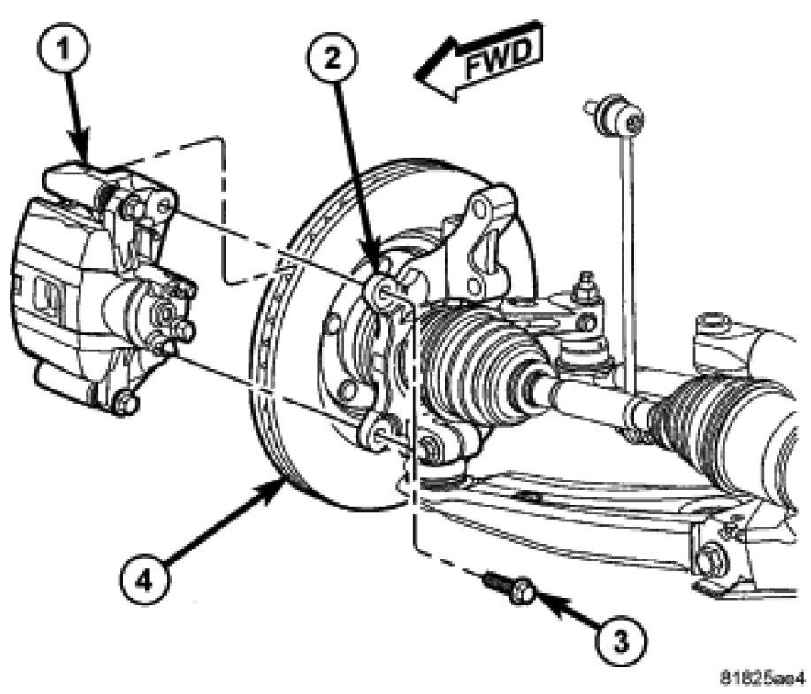
2. Remove the wheel mounting nuts (3), then the tire and wheel assembly (1).

NOTE: When removing the caliper guide pin bolts (2, 3) note that one (upper) has a special sleeve on the end. It is important that this bolt be installed in the upper mounting hole when the caliper is installed.

3. Remove the two brake caliper guide pin bolts (2, 3).
4. Remove the disc brake caliper (4) from the disc brake adapter bracket (1) and hang it out of the way using wire or a bungee cord. Use care not to overextend the brake hose when doing this.

5. Remove the brake pads (4, 5) from the caliper adapter bracket (2).

-----------------------

Install

NOTE: Perform STEP 1 through STEP 5 on each side of the vehicle to complete pad set installation, then proceed to STEP 6.

NOTE: Make sure that the audible wear indicators (if equipped) are placed toward the top when the inboard brake pads are installed on each side of the vehicle.

1. Place the brake pads (4, 5) in the abutment shims (3) clipped into the disc brake caliper adapter bracket (2) as shown. Place the pad with the wear indicator attached on the inboard side (2).
2. Completely retract the caliper piston back into the bore of the caliper.

CAUTION: Use care when installing the caliper (4) onto the adapter bracket (1) to avoid damaging the boots.

3. Install the disc brake caliper over the brake pads on the brake caliper adapter bracket.

NOTE: When installing the caliper guide pin bolts (2, 3) make sure that the one that has a special sleeve on the end is installed in the upper mounting hole.

4. Align the caliper guide pin bolt holes with the adapter bracket. Install the upper (with special sleeve) (2) and lower (3) caliper guide pin bolts. Tighten the guide pin bolts to 43 Nm (32 ft. lbs.).

5. Install tire and wheel assembly (1) See: Wheels and Tires > Removal and Replacement > Tires and Wheels - Installation. Install and tighten wheel mounting nuts (3) to 135 Nm (100 ft. lbs.).
6. Lower the vehicle.
7. Pump the brake pedal several times before moving the vehicle to set the pads to the brake rotor.
8. Check and adjust the brake fluid level in the reservoir as necessary.
9. Road test the vehicle and make several stops to wear off any foreign material on the brakes and to seat the brake pads.

Rotor Replacement

NOTE: Inspect disc brake pads before installation. See: Brake Pad > Procedures > Brake Pads - Inspection


pic 7


1. Clean the hub face (1) to remove any dirt or corrosion where the rotor mounts.
2. Install the brake rotor (2) over the studs on the hub and bearing.

3. Install the disc brake caliper and adapter bracket assembly (1) over the brake rotor (4) and knuckle (2).
4. Install the mounting bolts (3) securing the caliper adapter bracket to the knuckle (2). Tighten the bolts to 108 Nm (80 ft. lbs.)


5. Install the tire and wheel assembly (1) See: Wheels and Tires > Removal and Replacement > Tires and Wheels - Installation. Tighten the wheel mounting nuts (3) to 135 Nm (100 ft. lbs.).
6. Lower the vehicle.
7. Pump the brake pedal several times before moving the vehicle to set the pads to the brake rotor.
8. Check and adjust the brake fluid level in the reservoir as necessary.
9. Road test the vehicle and make several stops to seat the brake pads to the rotor.

Check out the diagrams (Below). Please let us know if you need anything else to get the problem fixed.
Mar 30, 2021 at 2:03 PM