The check engine light only turns on when the diagnostic fault code refers to something that could adversely affect emissions. There's over 1,000 fault codes that could be set with the check engine light not turned on.
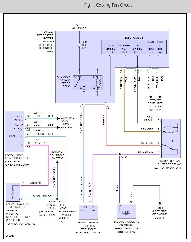
The low-speed radiator fan relay is plugged into the Integrated power module. That is the fuse box under the hood. The high-speed relay is to the left of the radiator. Both of those are controlled by that module. That module is the best suspect if neither relay turns on. To verify that, use a scanner to command the check engine to turn the radiator fan on. If that does not work, switch to the "inputs/outputs" menu for the TIPM, then watch the "fan request" input to the TIPM while you unplug the coolant temperature sensor. If the scanner shows "fan request on", or "high", suspect the TIPM for not responding to the request.
Jul 18, 2017 at 3:25 PM
(Merged)