Dash lights

2008 CHRYSLER SEBRING
90,000 MILES • 6 CYL • 2WD • AUTOMATIC
Avatar
JON_ESATUS
  • MEMBER
  • 1 POST
Where are they hiding the fuse for the dash lights, I was told to look at the end of the dash, by removing the end panel. I did, and they were not to be seen. A lot of conversation on the Internet sites about the lights and the fuse, but no one says where they are! Is this a secret society thing. Please tell me where the fuse treasure are hidden. Thanks so much Tony Estes
May 20, 2015 at 9:00 AM
Advertisement
Avatar
STRAILER
  • CERTIFIED EXPERT
  • 53,854 POSTS
Hello,

The dash lights are powered by a 10, 7, and 14 fuses in the TIPM which is under the hood on the left side.

Here is a guide to help you test the fuses

https://www.2carpros.com/articles/how-to-check-a-car-fuse

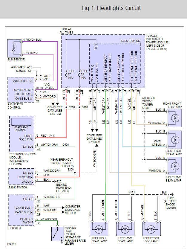
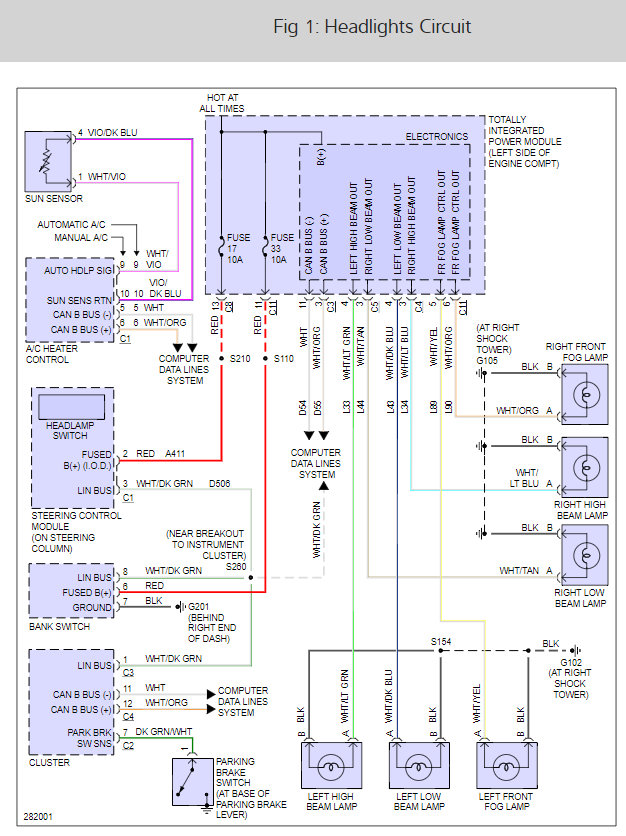
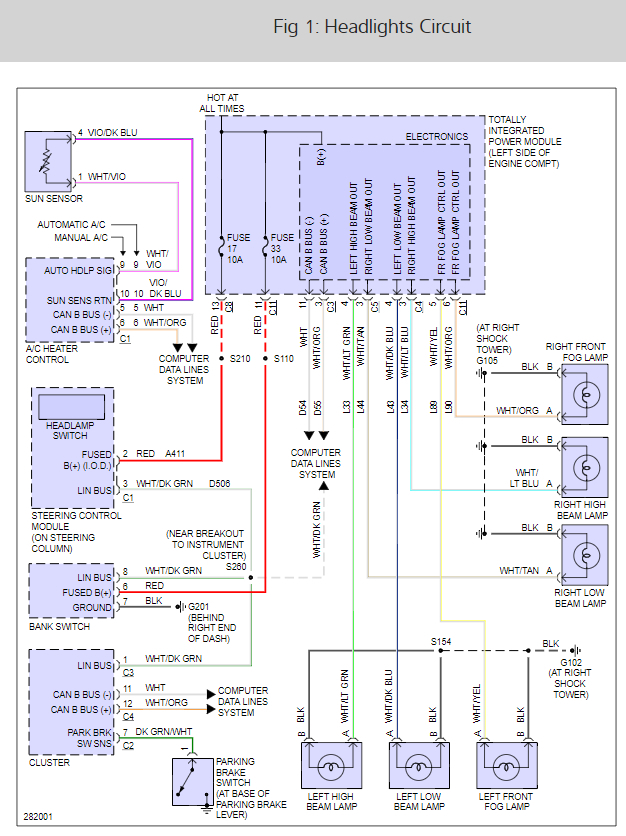
Check out the diagrams (Below)

Let us know what happens and please upload pictures or videos of the problem.

Cheers, Ken
Dec 1, 2017 at 2:05 PM
Avatar
NATEC1980
  • MEMBER
  • 2 POSTS
Hi my name is Nate, so a bout two months ago I was rolling up my windows they went all the way up then my airbag and my dash lights went out. The Windows did not work anymore and the heater/ac blower does not work and i've done everything that I know might be wrong but everything looks ok. (No blow fuses)
And I can't really afford to take it to a mechanic.

Thanks.
Dec 1, 2017 at 2:07 PM (Merged)
Advertisement
Avatar
RIVERMIKERAT
  • CERTIFIED EXPERT
  • 6,110 POSTS
The next two are base and premium supplemental restraint system schematics. You might look into having it scanned for soft codes, also. These won't set the Check Engine Light, so many shops will try and tell you they don't exist. But they do.
Dec 1, 2017 at 2:07 PM (Merged)
Avatar
NATEC1980
  • MEMBER
  • 2 POSTS
I had bought a OBD2 code scanner off eBay that works with a app on my phone but the reading said everything was ok with the car and the check engine light is not on only the airbag illumination light is on. Do all OBD code scanners work the same or are there different one for different codes?
Dec 1, 2017 at 2:07 PM (Merged)
Avatar
KWBOY
  • MEMBER
  • 4 POSTS
I also have the dash lights problem (2008 convertible), and when it rains or is cold (like freezing or below), the lights come on for awhile, sometimes they stay on for my entire drive to work. So I believe the cold is contracting something to make contact, and the humidity due to the rain also causing something to make contact. I wish I could locate that contact point.
Apr 18, 2019 at 9:54 AM
Avatar
STRAILER
  • CERTIFIED EXPERT
  • 53,854 POSTS
Yep you hit it, I would remove the cluster to unplug the wiring and clean the connections and check the wiring. Have you replaced the TIPM?
Apr 18, 2019 at 10:40 AM
Avatar
KWBOY
  • MEMBER
  • 4 POSTS
No I have not replaced it. Is this a known issue/fix?
Apr 18, 2019 at 10:41 AM
Avatar
STRAILER
  • CERTIFIED EXPERT
  • 53,854 POSTS
Big time problems with the TIPM. to be sure here is a video that shows how to scan the CAN which will tell you whats going on:

https://youtu.be/InIlnsjOVFA

Please run down this guide and report back.
Apr 18, 2019 at 11:17 AM