Trunk opens on its own

2008 CHEVROLET IMPALA
53,000 MILES • 3.5L • V6 • 2WD • AUTOMATIC
Avatar
ASHSHA
  • MEMBER
  • 1 POST
My car's trunk keeps opening on its own. I park it in the evening and next morning I find it as opened. If it is not opened, then as soon as I open drive-side door, trunk pops-up. It also opens after ten to fifteen seconds after locking my car. My key fob is also not working, so I have to open my car with key manually. This happened couple of times earlier as well but did not stay long. This time, it keeps going for more than a week. Dealer thinks that there is a ghost in my car and I am not sure how to fix this problem.
Jul 11, 2018 at 11:07 AM
Advertisement
Avatar
STRAILER
  • CERTIFIED EXPERT
  • 53,855 POSTS
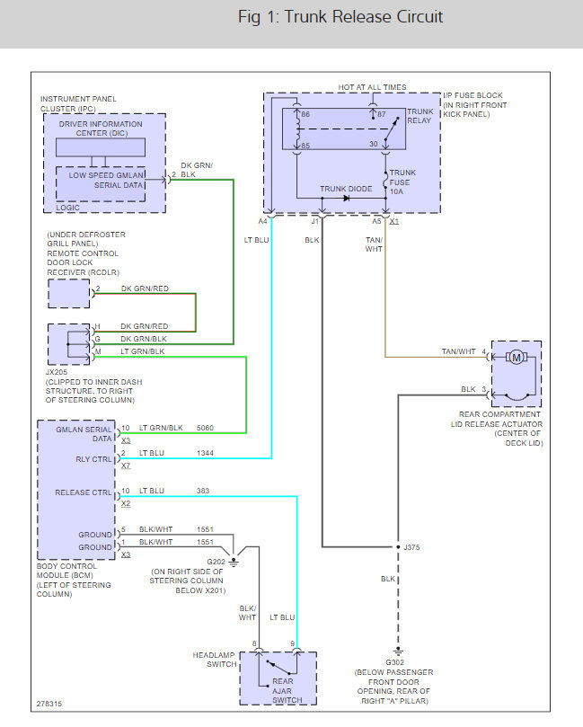
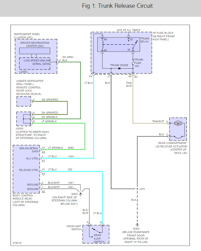
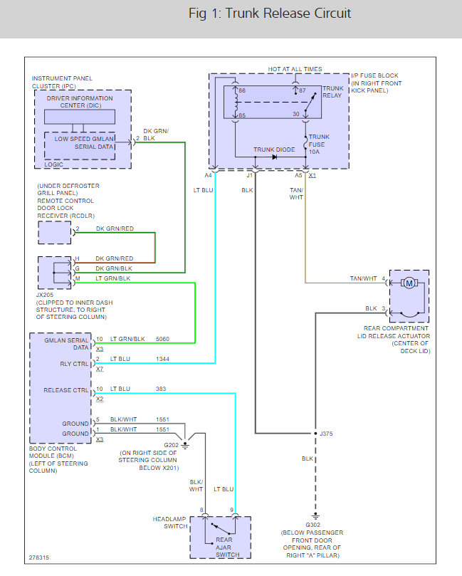
The trunk is controlled by the BCM which sounds like it is going out but you can remove the trunk control relay to stop the problem from happening. Here is the relay location and the wiring diagrams so you can see how the system works>

Check out the diagrams (below). Please let us know what you find.

Cheers, Ken
Jul 14, 2018 at 2:06 PM