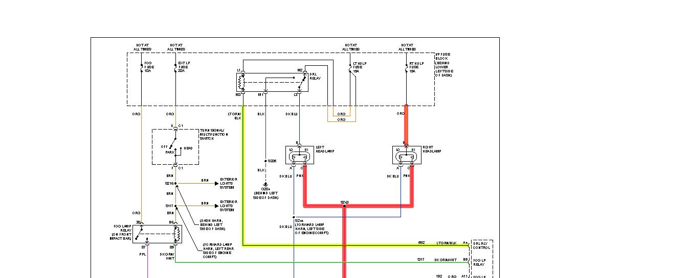
I have a 2008 chevy uplander - But the horn goes off and the wipers turn on the lights blink but it wont start what do i do. first time this happened but wife was stranded and unhappy help me make her happy
Feb 12, 2012 at 2:47 PM








