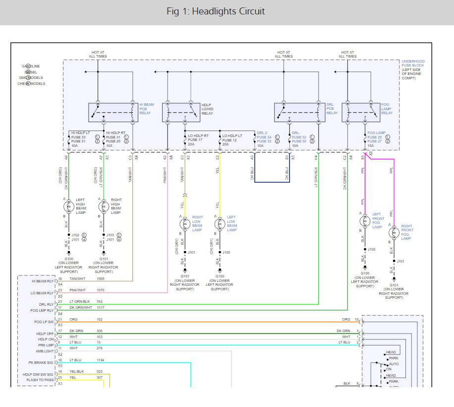
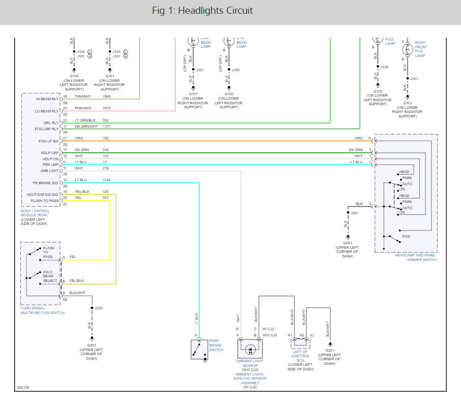
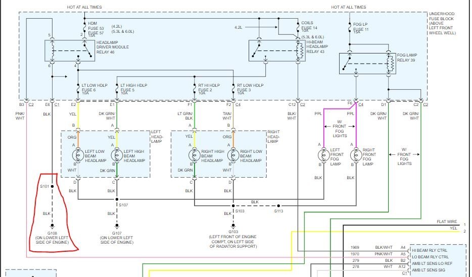
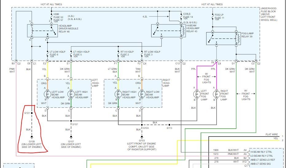
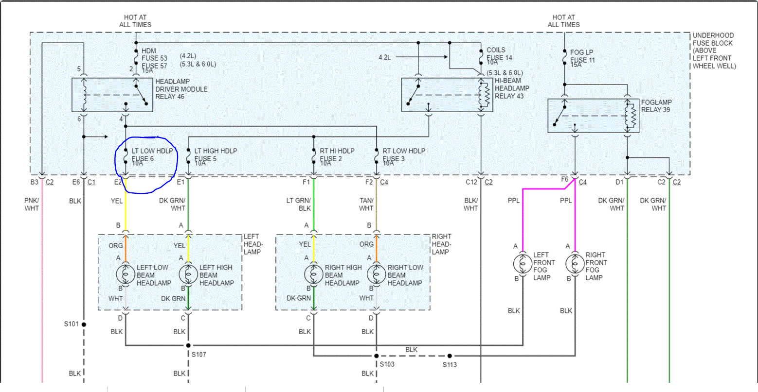
In the Spring, while I was driving the vehicle, the headlights (both) cut out. The next day they worked fine. Since that time, this has happened about two additional times. Yesterday, the headlights have stopped working. This is the base SS model with the dashboard headlamp control settings of: OFF, AUTOMATIC DRL/AHS, PARKING LAMPS, HEADLAMPS. The low beam headlamps do not work in any of the settings. All the other lights work on the vehicle including the high beams and fog/driving lights.
Help! Please direct me on how I go about resolving this problem. Thank you.
Help! Please direct me on how I go about resolving this problem. Thank you.
Sep 27, 2013 at 6:27 PM


















