brake bleeding procedure

2008 CHEVROLET SILVERADO
85,000 MILES • 4WD • AUTOMATIC
Avatar
CENTRIPRO
  • MEMBER
  • 4 POSTS
Im having a problem with my brakes on my 2008 Chevy Silverado 4x4. I repaced my pads, shoes, drums(one was below specs so I replaced both) and rotors(aftermarket under warranty...easier to replace for "free"than to have them turned). I followed Haynes guide rather than change brakes the way i have always done, by removing 2/3 of brake fluid from MC and to place drums so that they do not rub shoes when rotating it(adjuster bar full open, one thread exposed)....and assuming the self adjuster will do its job and adjust the shoes out every time the truck is stopped in reverse. I have a pedal that goes to the floor and I assumed Haynes screwed me and consequentially air got in the system. I purchased a Mityvac since I have noone to help me and now my problem is that I cannot get my wrench and tubing on the rear wheel cylinders at the same time to bleed the brakes. Is there a special wrench that you have to use or are there "deeper"bleeders that have a larger zerk fitting? I am using a 5/16 gear wrench and there is no room for it. I am also reading posts/threads re: ABS bleeding, etc. Will I need to do this under these circumstances?
Mar 27, 2011 at 2:52 PM
Advertisement
Avatar
SATURNTECH9
  • CERTIFIED EXPERT
  • 30,869 POSTS
I posted both the automated abs bleed procedure's but that take's a scan tool with the correct software.I also posted the manual bleed procedure.let me know if you have anymore question's or concern's.

This guide can help us fix it with instructions below.

https://youtu.be/w7gUsj2us0U

and

https://www.2carpros.com/articles/how-to-bleed-or-flush-a-car-brake-system


Antilock Brake System Automated Bleed

Notice: Avoid spilling brake fluid onto painted surfaces, electrical connections, wiring, or cables. Brake fluid will damage painted surfaces and cause corrosion to electrical components. If any brake fluid comes in contact with painted surfaces, immediately flush the area with water. If any brake fluid comes in contact with electrical connections, wiring, or cables, use a clean shop cloth to wipe away the fluid.

Important: The base hydraulic brake system must be bled before performing this automated bleeding procedure. If you have not yet performed the base hydraulic brake system bleeding procedure, refer to Hydraulic Brake System Bleeding before proceeding.

1. Install a scan tool to the vehicle.
2. Start the engine and allow the engine to idle.
3. Using the scan tool, begin the automated bleed procedure.
4. Follow the instructions on the scan tool to complete the automated bleed procedure. Apply the brake pedal when instructed by the scan tool.
5. Turn the ignition OFF.
6. Remove the scan tool from the vehicle.
7. Fill the brake master cylinder reservoir to the maximum-fill level with Delco Supreme 11, GM P/N 12377967 (Canadian P/N 992667), or equivalent DOT-3 brake fluid from a clean, sealed brake fluid container.
8. Bleed the hydraulic brake system.
9. With the ignition OFF, apply the brakes 3-5 times, or until the brake pedal becomes firm, in order to deplete the brake booster power reserve.
10. Slowly depress and release the brake pedal. Observe the feel of the brake pedal.
11. If the brake pedal feels spongy, repeat the automated bleeding procedure. If the brake pedal still feels spongy after repeating the automated bleeding procedure inspect the brake system for external leaks. Refer to Brake System External Leak Inspection. See: Hydraulic SystemTesting and InspectionComponent Tests and General DiagnosticsBrake System External Leak Inspection
12. Turn the ignition key ON, with the engine OFF; check to see if the brake system warning lamp remains illuminated.
13. If the brake system warning lamp remains illuminated, DO NOT allow the vehicle to be driven until it is diagnosed and repaired. Refer to Symptoms - Hydraulic Brakes. See: Hydraulic SystemTesting and InspectionSymptom Related Diagnostic Procedures
14. Drive the vehicle to exceed 13 km/h (8 mph) to allow ABS initialization to occur. Observe brake pedal feel.
15. If the brake pedal feels spongy, repeat the automated bleeding procedure until a firm brake pedal is obtained.


Hydraulic Brake System Bleeding (Manual)
Caution: Refer to Brake Fluid Irritant Caution .

Notice: Refer to Brake Fluid Effects on Paint and Electrical Components Notice .

Notice: When adding fluid to the brake master cylinder reservoir, use only Delco Supreme 11(R), GM P/N 12377967 (Canadian P/N 992667), or equivalent DOT-3 brake fluid from a clean, sealed brake fluid container. The use of any type of fluid other than the recommended type of brake fluid, may cause contamination which could result in damage to the internal rubber seals and/or rubber linings of hydraulic brake system components.

1. Place a clean shop cloth beneath the brake master cylinder to prevent brake fluid spills.
2. With the ignition OFF and the brakes cool, apply the brakes 3-5 times, or until the brake pedal effort increases significantly, in order to deplete the brake booster power reserve.
3. If you have performed a brake master cylinder bench bleeding on this vehicle, or if you disconnected the brake pipes from the master cylinder, you must perform the following steps:

1. Ensure that the brake master cylinder reservoir is full to the maximum-fill level. If necessary add Delco Supreme 11(R), GM P/N 12377967 (Canadian P/N 992667), or equivalent DOT-3 brake fluid from a clean, sealed brake fluid container. If removal of the reservoir cap and diaphragm is necessary, clean the outside of the reservoir on and around the cap prior to removal.
2. With the rear brake pipe installed securely to the master cylinder, loosen and separate the front brake pipe from the front port of the brake master cylinder.
3. Allow a small amount of brake fluid to gravity bleed from the open port of the master cylinder.
4. Reconnect the brake pipe to the master cylinder port and tighten securely.
5. Have an assistant slowly depress the brake pedal fully and maintain steady pressure on the pedal.
6. Loosen the same brake pipe to purge air from the open port of the master cylinder.
7. Tighten the brake pipe, then have the assistant slowly release the brake pedal.
8. Wait 15 seconds, then repeat steps 3.3-3.7 until all air is purged from the same port of the master cylinder.
9. With the front brake pipe installed securely to the master cylinder, after all air has been purged from the front port of the master cylinder, loosen and separate the rear brake pipe from the master cylinder, then repeat steps 3.3-3.8.
10. After completing the final master cylinder port bleeding procedure, ensure that both of the brake pipe-to-master cylinder fittings are properly tightened.

4. Fill the brake master cylinder reservoir with Delco Supreme 11(R), GM P/N 12377967 (Canadian P/N 992667), or equivalent DOT-3 brake fluid from a clean, sealed brake fluid container. Ensure that the brake master cylinder reservoir remains at least half-full during this bleeding procedure. Add fluid as needed to maintain the proper level. Clean the outside of the reservoir on and around the reservoir cap prior to removing the cap and diaphragm.
5. Install a proper box-end wrench onto the RIGHT REAR wheel hydraulic circuit bleeder valve.
6. Install a transparent hose over the end of the bleeder valve.
7. Submerge the open end of the transparent hose into a transparent container partially filled with Delco Supreme 11(R), GM P/N 12377967 (Canadian P/N 992667), or equivalent DOT-3 brake fluid from a clean, sealed brake fluid container.
8. Have an assistant slowly depress the brake pedal fully and maintain steady pressure on the pedal.
9. Loosen the bleeder valve to purge air from the wheel hydraulic circuit.
10. Tighten the bleeder valve, then have the assistant slowly release the brake pedal.
11. Wait 15 seconds, then repeat steps 8-10 until all air is purged from the same wheel hydraulic circuit.
12. With the right rear wheel hydraulic circuit bleeder valve tightened securely, after all air has been purged from the right rear hydraulic circuit install a proper box-end wrench onto the LEFT REAR wheel hydraulic circuit bleeder valve.
13. Install a transparent hose over the end of the bleeder valve, then repeat steps 7-11.
14. With the left rear wheel hydraulic circuit bleeder valve tightened securely, after all air purged from the left rear hydraulic circuit, install a proper box-end wrench onto the RIGHT FRONT wheel hydraulic circuit bleeder valve.
15. Install a transparent hose over the end of the bleeder valve, then repeat steps 7-11.
16. With the right front wheel hydraulic circuit bleeder valve tightened securely, after all air has been purged from the right front hydraulic circuit, install a proper box-end wrench onto the LEFT FRONT wheel hydraulic circuit bleeder valve.
17. Install a transparent hose over the end of the bleeder valve, then repeat steps 7-11.
18. After completing the final wheel hydraulic circuit bleeding procedure, ensure that each of the 4 wheel hydraulic circuit bleeder valves are properly tightened.
19. Fill the brake master cylinder reservoir to the maximum-fill level with Delco Supreme 11(R), GM P/N 12377967 (Canadian P/N 992667), or equivalent DOT-3 brake fluid from a clean, sealed brake fluid container.
20. Slowly depress and release the brake pedal. Observe the feel of the brake pedal.
21. If the brake pedal feels spongy, repeat the bleeding procedure again. If the brake pedal still feels spongy after repeating the bleeding procedure, perform the following steps:

1. Inspect the brake system for external leaks. Refer to Brake System External Leak Inspection (See: Hydraulic SystemTesting and InspectionComponent Tests and General DiagnosticsBrake System External Leak Inspection) .
2. Pressure bleed the hydraulic brake system in order to purge any air that may still be trapped in the system.

22. Turn the ignition key ON, with the engine OFF. Check to see if the brake system warning lamp remains illuminated.

Important: If the brake system warning lamp remains illuminated, DO NOT allow the vehicle to be driven until it is diagnosed and repaired.

23. If the brake system warning lamp remains illuminated, refer to Symptoms - Hydraulic Brakes (See: Hydraulic System Testing and Inspection Symptom Related Diagnostic Procedures Symptoms - Hydraulic Brakes) .
Mar 27, 2011 at 7:45 PM
Avatar
CENTRIPRO
  • MEMBER
  • 4 POSTS
Awesome! That is a lot of good information working perfect now.
Mar 28, 2011 at 2:35 AM
Advertisement
Avatar
ASEMASTER6371
  • CERTIFIED EXPERT
  • 52,796 POSTS
Good morning,

I attached the procedure for you for the automated bleed for the ABS. You will need a scan tool for this.

https://www.2carpros.com/articles/brake-pedal-goes-to-the-floor

https://www.2carpros.com/articles/how-to-bleed-or-flush-a-car-brake-system

Roy

Feb 23, 2021 at 8:02 AM
Avatar
THOMAS JAMES CRAVALHO
  • MEMBER
  • 1 POST
How can I get air out of the ABS module without scan tool?
Feb 23, 2021 at 9:25 AM (Merged)
Avatar
CARADIODOC
  • CERTIFIED EXPERT
  • 34,306 POSTS
If we are to assume there really is air trapped in a chamber, you need to open that valve to let the air out, but there has to be brake fluid under pressure ready to take its place. Scanners will command the controller to run the pump or pressurize the fluid. Scanners are used for that because it is much easier than the alternative. The computer will open each valve. That alternative is to unplug the connector, then apply ground and 12 volts to the two wires for each solenoid. That would take a long time and may not be very effective.

First you need to tell me why you want to bleed the system so I am in the right frame of mind. I have a number of tricks to get air out of any system without bleeding at the wheels. If you can get the hydraulic controller to kick in, let it keep on activating until the vehicle comes to a stop, but keep on holding the brake pedal down in the same position. Try very hard to never ever push the brake pedal more than halfway to the floor as that can damage a master cylinder from crud and corrosion if it is more than about a year old. Wait like that for about ten seconds, then let the brake pedal snap back quickly on its own.

While the valves are being pulsed, you'll be pushing brake fluid down to them, and if you are lucky, the air will come out of the chambers and float upward. The ten seconds is to let them float up as much as possible. Releasing the brake pedal quickly will make the brake fluid rush back to the reservoir and wash the air bubbles up with it. Stroking the brake pedal 1/4 way down can do that too. Push it very slowly so the air bubbles keep on floating up. Release quickly to wash the bubbles up. You don't have to be concerned with which wheel(s) skid during the stop. Individual wheel valves only block fluid flow momentarily when activated in a skid. Those wont trap air.

That pedal stroking also works as a secondary method after replacing the master cylinder.

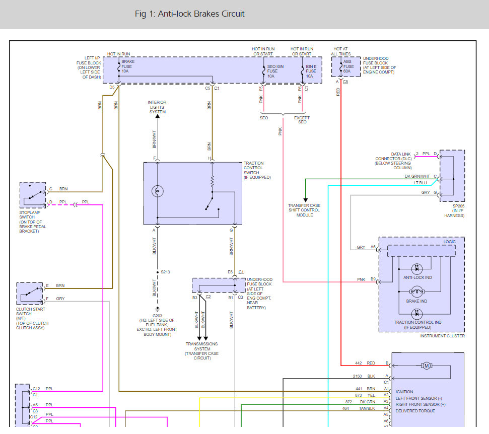
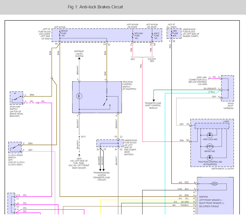
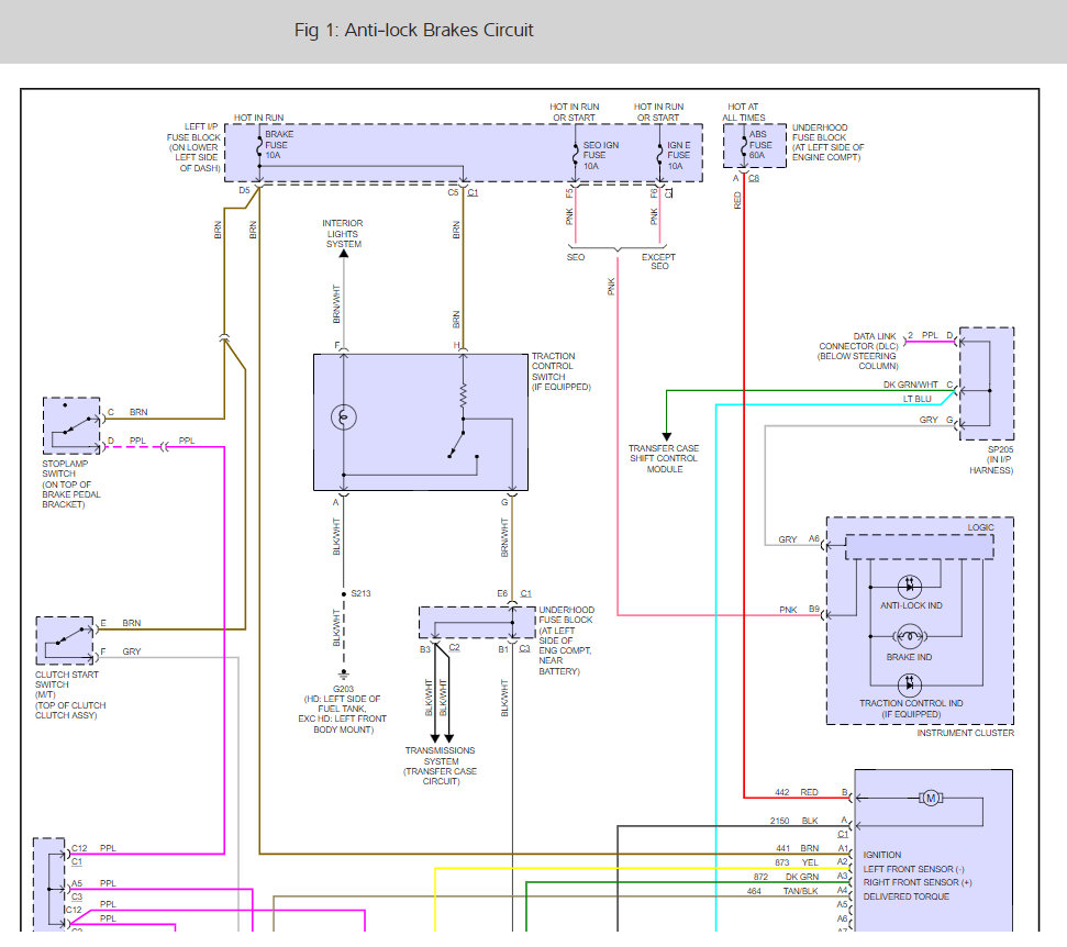
There are wiring diagrams further down on this post that can help you activate the valves manually.
Feb 23, 2021 at 9:25 AM (Merged)
Avatar
8592795367
  • MEMBER
  • 3 POSTS
I have a 2001 gmc dually 6.6l turbo diesel.. how can I manually bleed the abs pump or and module
Feb 23, 2021 at 9:25 AM (Merged)
Avatar
CARADIODOC
  • CERTIFIED EXPERT
  • 34,306 POSTS
Here is a wiring diagram for the ABS (BELOW) to figure out which wires are for each solenoid, then apply 12 volts and ground to apply them, then do the normal bleeding. YOU might be smart enough to figure out how to make that work, but I'm not. In normal operation during a skid, the computer pulses the various solenoids on and off very quickly, and for only a few seconds. With a scanner, the bleeding process is over almost as fast as you can push the buttons. If you were to apply 12 volts, I'd be concerned a solenoid could become overheated if it is kept applied too long.

Also be aware some solenoid-controlled valves are normally open, and they block fluid flow when applied, ("block" valves), and some are normally closed, and open to pass fluid when turned on, ("dump" valves). We don't know which valves to apply power to or if multiple valves have to be energized at the same time. Some engineer much smarter than us figured that out, then programmed their scanners to do it.

What you might consider is turning the ignition switch on while you're in the middle of bleeding. Most ABS Computers exercise the valves during the six-second self-test process when the yellow warning light is on. I could envision doing that two or three times, and that might be enough to expel air from the chambers. The self-test might be aborted if the computer sees you have the brake pedal applied, so consider pushing the brake pedal two or three seconds after you turn on the ignition switch. That might be enough to push any released air bubbles further down the line, then they can be bled out the rest of the way like normal. Have the bleeder screws open so fluid and air can flow down the lines and away from the valves.

Remember to never push the brake pedal over half way to the floor. Crud and corrosion build up in the lower halves of the bores where the pistons in the master cylinder don't normally travel. Pushing the pedal over half way runs the rubber lip seal over that crud and can rip them. That can result in a slowly-sinking brake pedal, and that often doesn't show up until two or three days later.
Feb 23, 2021 at 9:25 AM (Merged)
Avatar
8592795367
  • MEMBER
  • 3 POSTS
so pretty much I have to either use the brake peddle and only go half way like I was bleeding the brakes at the wheels or ur 12 volts on it but not for long period of time.. and my brake peddle is spongy and goes to the floor does that matter or still just pump the brakes peddle only half way with each pump. Also is driving the truck and making it go in to an abs skid out of the question or do you think it wouldn't hurt to try it.
Feb 23, 2021 at 9:25 AM (Merged)
Avatar
CARADIODOC
  • CERTIFIED EXPERT
  • 34,306 POSTS
You won't get the tires to skid if the brake pedal is mushy. Even if you could, you wouldn't be driving with the bleeder screws open, so no fluid, or the air in it, is going to flow out of the chambers. The fluid and air would just pulsate back and forth.

When you have a nail that needs to be smacked, you need a hammer. When you're stumbling around in the dark, you need a light bulb. When you need to bleed the ABS system, you need a scanner.

As for running the brake pedal all the way to the floor, my warning does not apply to any master cylinder that is less than about a year old. Also, if you've already done that, if a seal was going to be damaged, it has happened already. If no seal was damaged, it is a good bet none will be damaged in the near future from your bleeding attempts.
Feb 23, 2021 at 9:25 AM (Merged)
Avatar
CHRYSLEMAN
  • MEMBER
  • 1 POST
I bleed the back brakes then went to the front and nothing comes out of the bleeders.
Feb 23, 2021 at 9:25 AM (Merged)
Avatar
ASEMASTER6371
  • CERTIFIED EXPERT
  • 52,796 POSTS
Good evening,

Do you have ABS brakes? The reason I ask is the ABS has to be bled with a scan tool.

https://www.2carpros.com/articles/brake-pedal-goes-to-the-floor

What is the original issue that made you bleed the brakes?

https://www.2carpros.com/articles/how-to-bleed-or-flush-a-car-brake-system

Roy

Automated Bleed Procedure

Notice: When adding fluid to the brake master cylinder reservoir, use only Delco Supreme II, GM P/N 12377967 (Canadian P/N 992667), or equivalent DOT-3 brake fluid from a clean, sealed brake fluid container. The use of any type of fluid other than the recommended type of brake fluid, may cause contamination which could result in damage to the internal rubber seals and/or rubber linings of hydraulic brake system components.

Notice: Refer to Brake Fluid Effects on paint and Electrical Components Notice in Service Precautions.

Important: This procedure may be performed on all vehicles EXCEPT those equipped with option code JL4, Vehicle Stability Enhancement System (VSES).

Important: The base hydraulic brake system must be bled before performing this automated bleeding procedure. If you have not yet performed the base hydraulic brake system bleeding procedure, refer to Hydraulic Brake System Bleeding before proceeding.

1. Install a scan tool to the vehicle.
2. Start the engine and allow the engine to idle.
3. Depress the brake pedal firmly and maintain steady pressure on the pedal.
4. Using the scan tool, begin the automated bleed procedure.
5. Follow the instructions on the scan tool to complete the automated bleed procedure. Release the brake pedal between each test sequence.
6. Turn the ignition OFF.
7. Remove the scan tool from the vehicle.
8. Fill the brake master cylinder reservoir to the maximum-fill level with Delco Supreme II GM P/N 12377967 (Canadian P/N 992667) or equivalent DOT-3 brake fluid from-a clean, sealed brake fluid container.
9. Bleed the hydraulic brake system.
10. With the ignition OFF, apply the brakes 3-5 times, or until the brake pedal becomes firm, in order to deplete the brake booster power reserve.
11. Slowly depress and release the brake pedal. Observe the feel of the brake pedal.
12. If the brake pedal feels spongy, repeat the automated bleeding procedure. If the brake pedal still feels spongy after repeating the automated bleeding procedure inspect the brake system for external leaks.
13. Turn the ignition key ON, with the engine OFF; check to see if the brake system warning lamp remains illuminated.
14. If the brake system warning lamp remains illuminated, DO NOT allow the vehicle to be driven until it is diagnosed and repaired. Refer to Symptoms - Hydraulic Brakes.
15. Drive the vehicle to exceed 13 kpa (8 mph) to allow ABS initialization to occur. Observe brake pedal feel.
16. If the brake pedal feels spongy, repeat the automated bleeding procedure until a firm brake pedal is obtained.
Feb 23, 2021 at 9:25 AM (Merged)
Avatar
THOMAS A. MUSARRA JR.
  • MEMBER
  • 3 POSTS
New York truck. Replaced all brake lines, master cylinder, rotors and pads. Did a bleed. Back brakes bled okay. Front brakes are bleeding solid stream but the pedal will not bottom out when bleeder is open and all fluid expended. Pedal is mushy after bleeding and takes a few pumps to get pedal again but never stays solid and eventually drifts to floor and the front rotors are not holding solid. Thought it was defective new master cylinder and put a new one one. Bench bled and could not depress the piston when the breeding was finished. Same result as before. Back brakes bleed normal, ie. Full stream of fluid and pedal bottoms out. Front brakes, full stream but pedal will not go to floor with bleeder valve open.
Thinking it is ABS problem but does not make sense because truck is stationary. Tried this with engine running but no change in the result.
Feb 23, 2021 at 9:25 AM (Merged)
Avatar
ASEMASTER6371
  • CERTIFIED EXPERT
  • 52,796 POSTS
Good afternoon.

Yes, it is the ABS. you need an advanced scan tool that can access the ABS and perform the brake bleeding procedure. These guides can help you fix it.

https://youtu.be/w7gUsj2us0U

and

https://youtu.be/WDxvEQrMkBg

and

https://www.2carpros.com/articles/brake-pedal-goes-to-the-floor

Please run down this guide and report back.

Automated Bleed Procedure:

Notice: When adding fluid to the brake master cylinder reservoir, use only Delco Supreme II, GM P/N 12377967 (Canadian P/N 992667), or equivalent DOT-3 brake fluid from a clean, sealed brake fluid container. The use of any type of fluid other than the recommended type of brake fluid, may cause contamination which could result in damage to the internal rubber seals and/or rubber linings of hydraulic brake system components.

Notice: Refer to Brake Fluid Effects on paint and Electrical Components Notice in Service Precautions.

Important: This procedure may be performed on all vehicles EXCEPT those equipped with option code JL4, Vehicle Stability Enhancement System (VSES).

Important: The base hydraulic brake system must be bled before performing this automated bleeding procedure. If you have not yet performed the base hydraulic brake system bleeding procedure, refer to Hydraulic Brake System Bleeding before proceeding.

1. Install a scan tool to the vehicle.
2. Start the engine and allow the engine to idle.
3. Depress the brake pedal firmly and maintain steady pressure on the pedal.
4. Using the scan tool, begin the automated bleed procedure.
5. Follow the instructions on the scan tool to complete the automated bleed procedure. Release the brake pedal between each test sequence.
6. Turn the ignition OFF.
7. Remove the scan tool from the vehicle.
8. Fill the brake master cylinder reservoir to the maximum-fill level with Delco Supreme II GM P/N 12377967 (Canadian P/N 992667) or equivalent DOT-3 brake fluid from-a clean, sealed brake fluid container.
9. Bleed the hydraulic brake system.
10. With the ignition OFF, apply the brakes 3-5 times, or until the brake pedal becomes firm, in order to deplete the brake booster power reserve.
11. Slowly depress and release the brake pedal. Observe the feel of the brake pedal.
12. If the brake pedal feels spongy, repeat the automated bleeding procedure. If the brake pedal still feels spongy after repeating the automated bleeding procedure inspect the brake system for external leaks.
13. Turn the ignition key ON, with the engine OFF; check to see if the brake system warning lamp remains illuminated.
14. If the brake system warning lamp remains illuminated, DO NOT allow the vehicle to be driven until it is diagnosed and repaired. Refer to Symptoms - Hydraulic Brakes.
15. Drive the vehicle to exceed 13 kpa (8 mph) to allow ABS initialization to occur. Observe brake pedal feel.
16. If the brake pedal feels spongy, repeat the automated bleeding procedure until a firm brake pedal is obtained.

Roy
Feb 23, 2021 at 9:25 AM (Merged)
Avatar
THOMAS A. MUSARRA JR.
  • MEMBER
  • 3 POSTS
Thank you for reply. Can you recommend what to look for in scan tool? If I have to spend big money, might as well tow it to brake shop and have them do it.

You need an advanced scan tool that can access the ABS and perform the brake bleeding procedure.
Feb 23, 2021 at 9:25 AM (Merged)
Avatar
ASEMASTER6371
  • CERTIFIED EXPERT
  • 52,796 POSTS
A scan tool can run $2,000.00 to $2,500.00. The service at a shop is under $100.00.

Roy
Feb 23, 2021 at 9:25 AM (Merged)
Avatar
THOMAS A. MUSARRA JR.
  • MEMBER
  • 3 POSTS
Thanks. Looks like the shop is the answer.
Feb 23, 2021 at 9:26 AM (Merged)
Avatar
ASEMASTER6371
  • CERTIFIED EXPERT
  • 52,796 POSTS
Yes, the right move.

Roy
Feb 23, 2021 at 9:26 AM (Merged)
Avatar
CMBUCK52
  • MEMBER
  • 1 POST
Does my truck engine have to be running to push down on my brake pedal to bleed my brakes?
Feb 23, 2021 at 9:26 AM (Merged)
Avatar
CEMENT HEAD
  • MEMBER
  • 38 POSTS
no it does not but when you bleed your brakes make sure you start at the bleeder valve farthest away from master cylinder and work your way in to get a oil the air out. This guide can help us fix it with instructions below.

https://youtu.be/w7gUsj2us0U

and

https://www.2carpros.com/articles/how-to-bleed-or-flush-a-car-brake-system
Feb 23, 2021 at 9:26 AM (Merged)
Avatar
CRUISEBUTTON
  • MEMBER
  • 1 POST
Without the scanner what is another way to bleed the ABS system without tearing my truck apart?

Feb 23, 2021 at 9:26 AM (Merged)
Avatar
STRAILER
  • CERTIFIED EXPERT
  • 53,854 POSTS
Yes, this is a big problem with bleeding the brake on an ABS system unfortunately a scanner is the most popular way to bleed the system, but I have heard of people triggering the solenoids manually using a wiring diagram. You will need to open the unit up to find the wires to each valve.

Please let us know what happens.

Cheers, Ken

Feb 23, 2021 at 9:26 AM (Merged)
Avatar
NYLANDERC
  • MEMBER
  • 1 POST
How to bleed the brakes?
Feb 23, 2021 at 9:26 AM (Merged)
Avatar
JDL
  • CERTIFIED EXPERT
  • 16,098 POSTS
This guide can help us fix it with instructions below.

https://youtu.be/w7gUsj2us0U

and

https://www.2carpros.com/articles/how-to-bleed-or-flush-a-car-brake-system
Feb 23, 2021 at 9:26 AM (Merged)
Avatar
YBNORMAL0
  • MEMBER
  • 1 POST
I have replaced the entire brake system from front to rear and have bleed the system 6 times and still have a low spongie brake pedal, I have been told I must have air in the ABS pump (No visable bleeders) can I get the air out without paying a shop big money? Please help I am not rich after buying a complete brake system.
Thanks Jim.
Feb 23, 2021 at 9:26 AM (Merged)
Avatar
MERLIN2021
  • CERTIFIED EXPERT
  • 17,250 POSTS
Try a few hard stops on a Gravel road, or grassy area this usually dislodges the traped air in the ABS sytem, and can then be bled out. Only other way is a GM Tech II tool to command the abs mod to bleed.
Feb 23, 2021 at 9:26 AM (Merged)
Avatar
LIZZARD41
  • MEMBER
  • 3 POSTS
I checked my breaks & all looked good, so I put back together. Now I have no break pressure once the ignition is turned on. I have changed the master seal, replaced the calibers, bleed the breakd & checked for leaks. I scanned the ABS system, but no codes. Can you help me? 1997 Chevy Silverado Pick-up. Thanks
Feb 23, 2021 at 9:26 AM (Merged)
Avatar
JACOBANDNICKOLAS
  • CERTIFIED EXPERT
  • 110,175 POSTS
When you installed the new master cylender, was the pushrod adjustable? Also, does the pedal only go to the floor when the engine is running?
Feb 23, 2021 at 9:26 AM (Merged)
Avatar
LIZZARD41
  • MEMBER
  • 3 POSTS
No, not adjustable.

Yes, to the floor when engine is running only.
Feb 23, 2021 at 9:26 AM (Merged)
Avatar
JACOBANDNICKOLAS
  • CERTIFIED EXPERT
  • 110,175 POSTS
I have one more question. Have you checked the rubber brake hoses? When you hit the brakes with the engine running, check to see if one is expanding. If that isn't it, I am going to say either you got a bad master cylender (that is allowing fluid to bypass the plunger) or it has to be a hose or leak at some point.

Check the hoses and let me know what you find. I have seen them blow up like a baloon when too much pressure is placed on them.

Joe
Feb 23, 2021 at 9:26 AM (Merged)
Avatar
LIZZARD41
  • MEMBER
  • 3 POSTS
Thanks! I will try it tonight & let you know tomorrow.
Feb 23, 2021 at 9:26 AM (Merged)
Avatar
JACOBANDNICKOLAS
  • CERTIFIED EXPERT
  • 110,175 POSTS
I look forward to hearing from you.

Joe
Feb 23, 2021 at 9:26 AM (Merged)
Avatar
SPCQUIGGA
  • MEMBER
  • 4 POSTS
I have the same issue, I just bought a new master cylinder and bleed the brakes. still same issue. You get pressure when the car is off but as soon as you turn the key on the pedal goes to the floor. And you get a loud hiss from the power booster. Could it be the vacum check valve or the actual booster?
Feb 23, 2021 at 9:26 AM (Merged)
Avatar
SMALLPROBL3MBIGPAIN
  • MEMBER
  • 1 POST
I was always told when bleed pump the pedal 3 times and hold. when you crack the bleeder valve fluid shoots straight out and your pedal would hit the floor. My problem is, on my truck listed above 1500. the front disc's do just that. However, when I got to bleed the rear drum just barely seep fluid and the pedal stayed in the firm holding position. I don't understand why, is that normal having both disc and drum? Or is there some kind of resistance preventing from properly bleeding my truck?
Feb 23, 2021 at 9:27 AM (Merged)
Avatar
ASEMASTER6371
  • CERTIFIED EXPERT
  • 52,796 POSTS
Good morning,

It could be air in the ABS unit or it could be the hose in the rear to the bleeders.

I posted the bleeding below for you. There is a process for bleeding the ABS unit and you need a scan tool for this procedure. Then you can do you normal bleeding procedure.

Roy

ANTILOCK BRAKE SYSTEM (ABS) BLEEDING PROCEDURE

NOTE:
The two person bleed procedure is required when installing a new electro-hydraulic control unit, or when air is suspected to be trapped in the valve body.
Do not run the scan tool Function Test after combination valve or tube adapter replacement.
Do not drive the vehicle until brake pedal feel is firm.
Do not reuse brake fluid used during bleeding.
Vacuum, pressure or gravity bleeding may be used for base brake bleeding only.

1. Raise and support the vehicle to gain access to the system bleed screws.
2. Begin by bleeding the system at the right rear wheel.
3. Install clear hose on the bleed screw. Immerse the opposite end of the hose into a container partially filled with clean DOT 3 brake fluid.
4. Open the bleed screw 1/2 to 1 full turn.
5. Slowly depress the brake pedal until it reaches its full travel and hold until the bleed screw has been tightened. Release the brake pedal and wait 10-15 seconds for the master cylinder pistons to turn to the home position. Repeat until clean, air free brake fluid is present at the wheel bleed screw. This procedure may use more than a pint of fluid per wheel. Check the master cylinder fluid level every 4 to 6 strokes of the brake pedal to avoid running the system dry. Repeat steps 3 though 5 on the left rear, then right front, then left front.
6. Use the scan tool to run Function Test four times consecutively while applying the brake pedal firmly. Remove foot from the brake pedal between each test.
7. Rebleed all four wheels using steps 3 through 5 to remove the remaining air from the brake system.
8. Evaluate the brake pedal feel before attempting to drive the vehicle and re-bleed as many times as necessary to obtain appropriate pedal feel.
Feb 23, 2021 at 9:27 AM (Merged)
Avatar
  • MEMBER
  • 1 POST
Hi so Ive tried to bleed the brakes several times now. Lets start when the problem started occuring. I had a brake line blow out on my RR line so I bought brake line and replaced it. When I went to bleed the rear brakes nothing came out..You pump the petal and Open the bleeder and nothing the petal stays firm. Ive opened up the lines straight from the master cycl. and the petal goes to the floor so I know this obviously means something going back to the rear brakes what could this be?
Feb 23, 2021 at 9:27 AM (Merged)
Avatar
GFIMOTORCARS
  • CERTIFIED EXPERT
  • 673 POSTS
From what you are describing I would definately be looking for a blockage. When the line blew, contaminents where sent throught the lines. I would disconnect the lines from the rear wheel cylinders (or calipers for rear disc) starting with the RR. Pump the pedal just enough to check for flow. If you have fluid flowing out then your wheel cylinders(or calipers for disk) need to be replaced due to debree restricting your bleeder. Repeat check for LR. If this does not work then you may have a valve stuck in your master cylinder assembly that is not allowing fluid to transfer to the rear.
Feb 23, 2021 at 9:27 AM (Merged)