Hello,
I would start by checking the fuses here is a guide to help you.
https://www.2carpros.com/articles/how-to-check-a-car-fuse
There is a manual release as well so once you get the liftgate open we can check out the latch etc. There are a few relays that work the liftgate as well
https://www.2carpros.com/articles/how-to-check-an-electrical-relay-and-wiring-control-circuit
Here are the fuse and relay location so you can test to see which one has failed or what is not getting power.
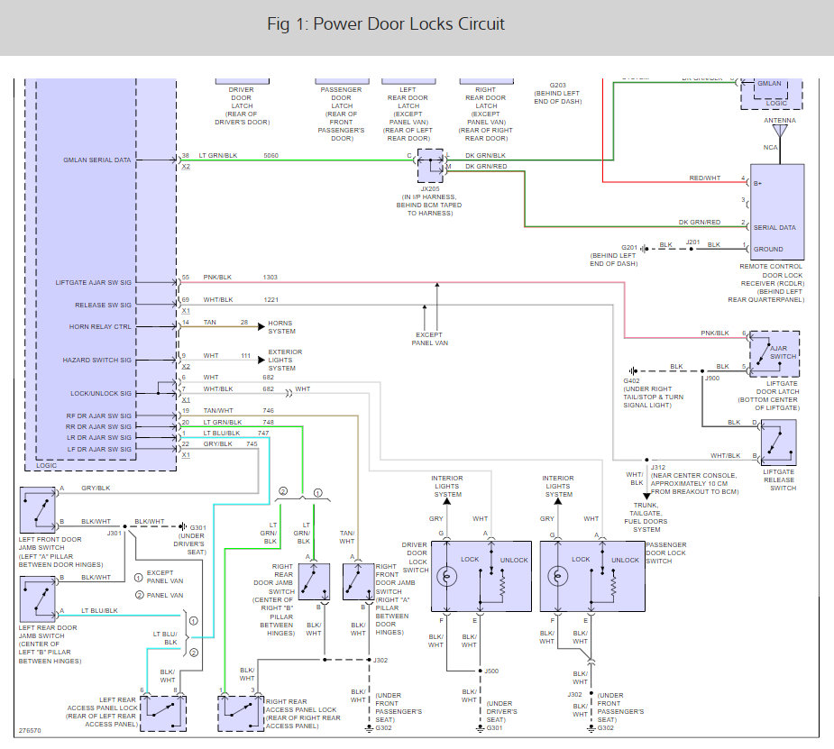
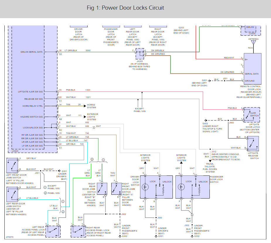
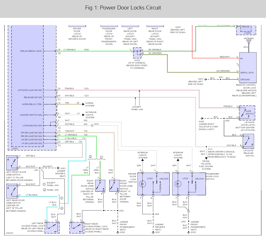
Check out the diagrams (Below)
Please let us know what you find. We are interested to see what it is.
Cheers, Ken
Images (Click to enlarge)
Jan 2, 2018 at 11:59 AM