2008 Buick Lucerne circulation of air

2008 BUICK LUCERNE
70,000 MILES • 3.8L • V6 • 4WD • AUTOMATIC
Avatar
MARIAN NEWHOUSE
  • MEMBER
  • 3 POSTS
the rear air vents[ in the back seats] are not throwing air out
Feb 13, 2015 at 8:05 AM
Advertisement
Avatar
HMAC300
  • CERTIFIED EXPERT
  • 48,601 POSTS
it may be your reciculation actuator isn't working right, try pulling fuse inside car for hvac/htr for 60 seconds with key on then reinstall. also check duct work for blockage. if not the actuator may not be getting power or linkage is bent etc.
Feb 13, 2015 at 9:42 AM
Avatar
MARIAN NEWHOUSE
  • MEMBER
  • 3 POSTS
there is no actuaror on the car. it is automatic
Feb 13, 2015 at 1:12 PM
Advertisement
Avatar
HMAC300
  • CERTIFIED EXPERT
  • 48,601 POSTS
actually what I sent you was from an automatic system so there is an actuator. however you will have to have a pro scan it to see if no signal is going to it and see if there are any codes. In the future please let us or anyone else know that this is an automatic system the two are completely different.
Feb 13, 2015 at 1:52 PM
Avatar
MARIAN NEWHOUSE
  • MEMBER
  • 3 POSTS
could it be blockage going thru the center console going to the rear of the car? how would I correct the problem? do you have a diagram or something I could check?
Feb 14, 2015 at 2:27 PM
Avatar
HMAC300
  • CERTIFIED EXPERT
  • 48,601 POSTS
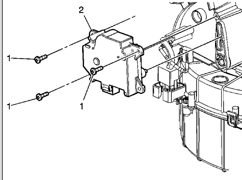
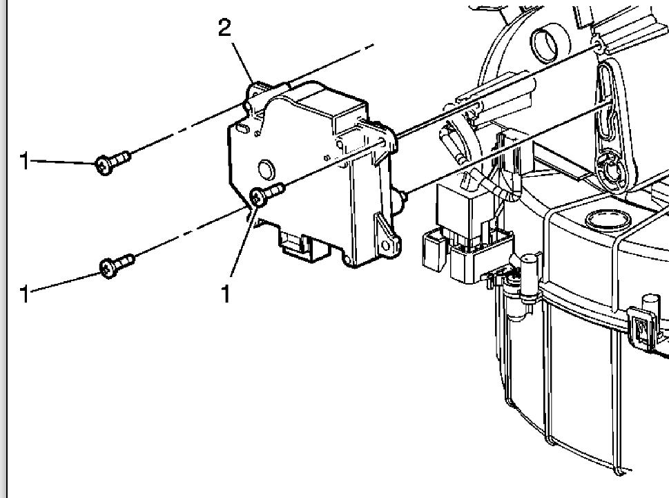
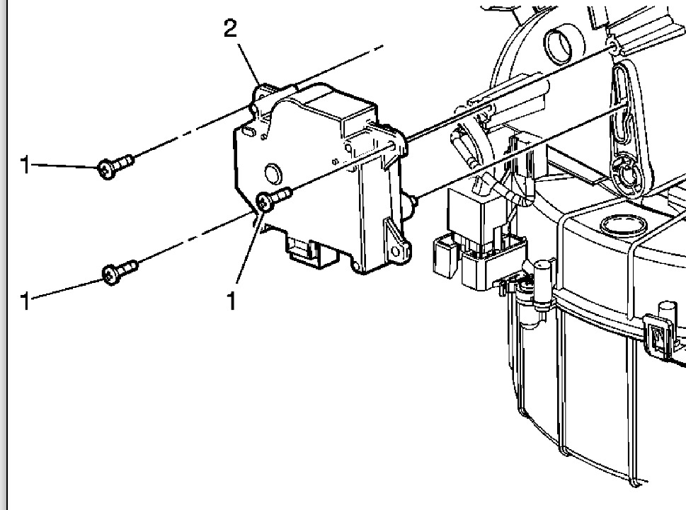
here is apic of duct work for rear seat what I would do is if you think it's blocked make sure air flows to other heater outlets as it may be just low blower speed. but you have automatic air so that has to be scanned to find the problem with that. but take the director off and run like a coat hanger up it to see if anything is blocking it so you don't need to pull off console
Feb 14, 2015 at 3:36 PM