wipers wont turn off

2008 ACURA MDX
90,000 MILES
Avatar
RB65
  • MEMBER
  • 1 POST
Every option with the wipers work except they wont shut off?
Mar 18, 2012 at 1:12 AM
Advertisement
Avatar
KHLOW2008
  • CERTIFIED EXPERT
  • 41,814 POSTS
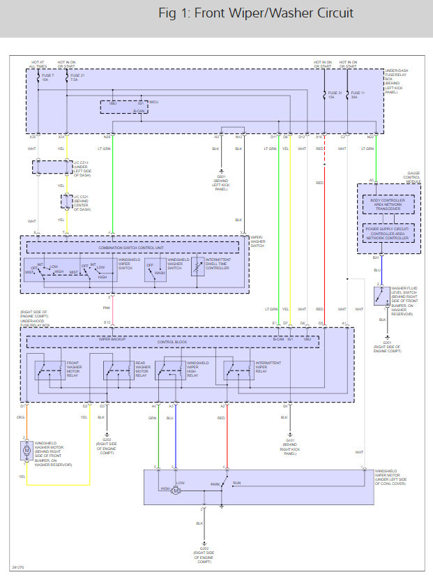
It sounds like the wiper switch has gone bad and needs to be replaced but to be sure here is a wiring diagram to help us see how the system works. It could be the switch or the control relay

Here is a guide to help us get the problem fixed.

https://www.2carpros.com/articles/how-to-check-an-electrical-relay-and-wiring-control-circuit

here is a wiper wiring diagram (Below) and the relay locations. let us know how it goes.

Please let us know what happens.

Cheers,
Mar 18, 2012 at 5:29 AM
Avatar
DMITAL
  • MEMBER
  • 1 POST
I had the issue on my 2008 acura mdx it was out of warranty.
I bought a wiper switch from the acura dealer (it seems its dealer part - not carried by other vendors), opened up the steering column cover and replaced the switch. That fixed the problem thanks for the help, I love this site, you guys are great!

Much love !
Jun 1, 2012 at 3:35 PM
Advertisement
Avatar
BIGDADDIO45
  • MEMBER
  • 1 POST
Hi - seems like I have the same problem. The wipers won't go off (stuck on intermitten) and stay in standard speed even when I put it on high. Do you have the instructions for replacing the switch and is it an easy fix? Thanks
Oct 22, 2013 at 8:24 AM
Avatar
KHLOW2008
  • CERTIFIED EXPERT
  • 41,814 POSTS
WIPER/WASHER SWITCH REPLACEMENT

1. Remove the dashboard lower cover .
2. Remove the steering column covers .
3. Disconnect the combination light switch 20P connector (A), and dashboard wire harness 8P connector (B) from the wiper/washer switch (C).
4. Remove the two screws, then slide out the wiper/washer switch.

NOTE: The wiper/washer switch is built into the combination switch control unit.
Oct 23, 2013 at 11:57 AM
Avatar
DINET
  • MEMBER
  • 1 POST
Hi! Thanks for help with the same problem! However, the devil is in the details! Found that there is a little pin at the top outside which must be released by prying up the front lip a bit to allow the unit to slip out. Also, it seemed to be necessary to slide the light control out to access the connector plug. Not necessary to remove the lower dashboard cover. Appreciate the help!
Dec 28, 2013 at 11:35 AM
Avatar
KHLOW2008
  • CERTIFIED EXPERT
  • 41,814 POSTS
You're welcome.

Happy New Year.
Dec 28, 2013 at 8:58 PM
Avatar
MICHAEL SCHLINK
  • MEMBER
  • 2 POSTS
The wipers work, but when turned off stop while still on the windshield, they do not go down. The intermittent wiper speed seems very slow. I tried replacing the stalk/switch control on the steering column but that did not help
Jul 29, 2017 at 7:25 PM (Merged)
Avatar
CARADIODOC
  • CERTIFIED EXPERT
  • 34,306 POSTS
The most common cause of this is a defective "park" switch inside the wiper motor, but before replacing the motor, we would check that the twelve volt feed to the motor is there any time the ignition switch is on. If that is missing, suspect a blown fuse. If that fuse blows repeatedly, the "park" switch is likely damaged and is grounding to the motor housing.
Jul 29, 2017 at 7:25 PM (Merged)
Avatar
MICHAEL SCHLINK
  • MEMBER
  • 2 POSTS
The wiper will not return to their rest position when turned off. Speed does not change form hi/lo or intermittent. I think it is the wiper switch needs replacing.
What could it be?
Jul 29, 2017 at 7:25 PM (Merged)
Avatar
HMAC300
  • CERTIFIED EXPERT
  • 48,601 POSTS
It sounds like the relay is bad I would try replacing it.
Jul 29, 2017 at 7:25 PM (Merged)