How can I check if cooling fan is working

2007 TOYOTA SIENNA
145,000 MILES
Avatar
ADRIELREDDY
  • MEMBER
  • 2 POSTS
How do I check if the cooling fan ECU (attached to radiator) is working? Everything else seems to be working, but I want to be sure before I replace this part.
Apr 3, 2013 at 2:31 AM
Advertisement
Avatar
JACOBANDNICKOLAS
  • CERTIFIED EXPERT
  • 110,175 POSTS
Are you referring to the temperature sending unit? You need to check it for resistance.
Apr 3, 2013 at 2:39 AM
Avatar
ADRIELREDDY
  • MEMBER
  • 2 POSTS
No, I am referring to a black computer attached to the radiator. The two fans are wired to it.
Apr 3, 2013 at 2:41 AM
Advertisement
Avatar
KHLOW2008
  • CERTIFIED EXPERT
  • 41,814 POSTS

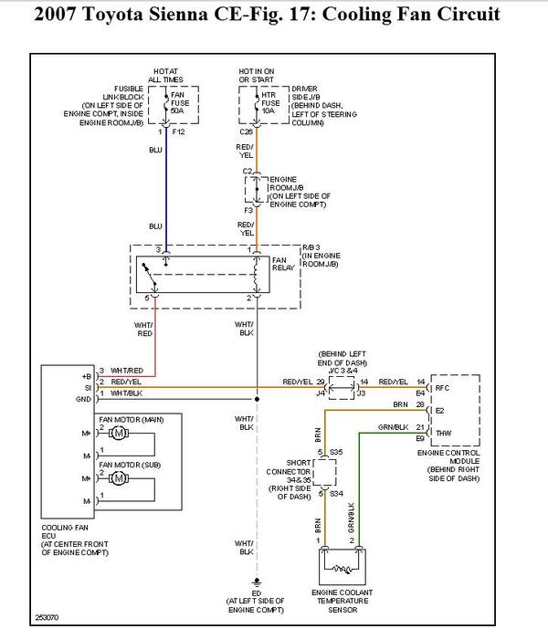
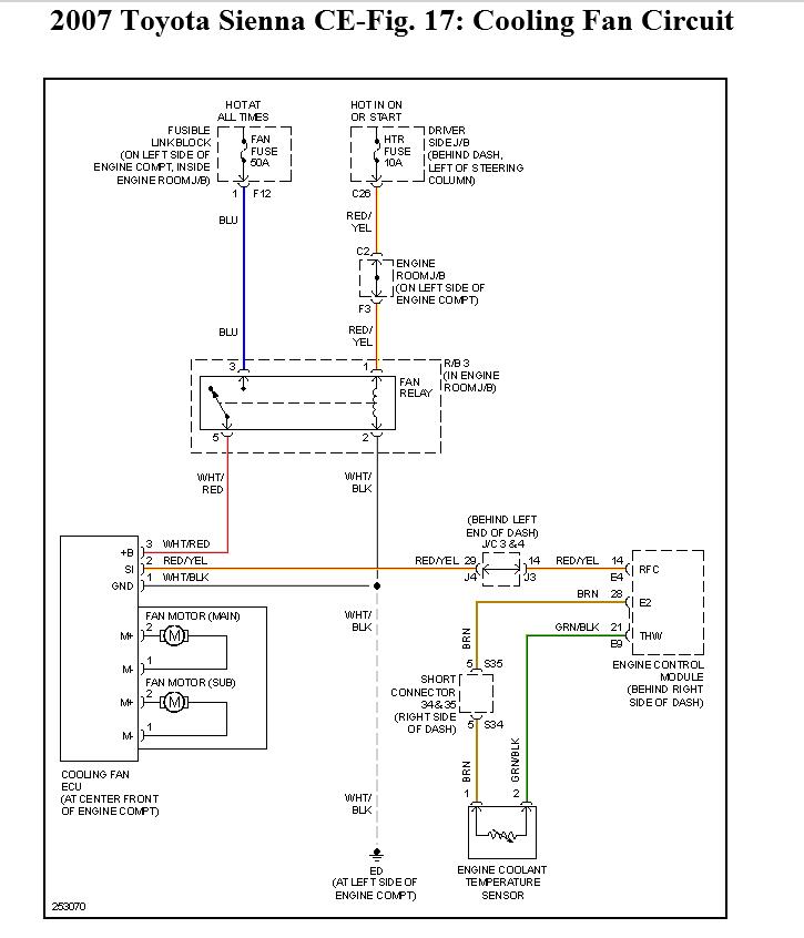
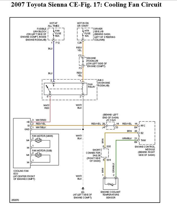
1. Inspect cooling fan ECU.

a. Inspect the input voltage.

1. Disconnect the cooling fan ECU connector.

2. Turn the ignition switch to the "on" position. Check the voltage of the +B terminal of the disconnected wire harness side connector.
Standard voltage:
9 to 14 V

If the result is not as specified, inspect the power source system (fusible link, fuse, wire harness and relay).

b. Inspect the cooling fan motor (See On-vehicle inspection).

c. Measure the resistance between terminals RFC (ECM) and SI (cooling fan ECU) of the wire harness side connectors.

Hint:
If the fan does not operate, there may be a short circuit.
If the fan remains operating, there may be an open circuit.

d. Inspect the ECM power source circuit and ground circuit.

Apr 3, 2013 at 5:54 AM