Hi,
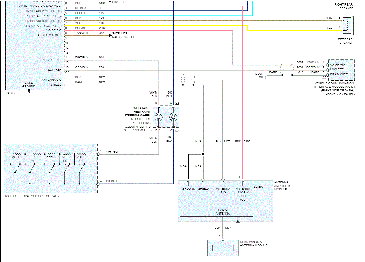
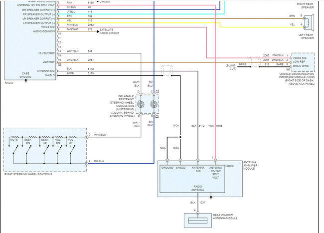
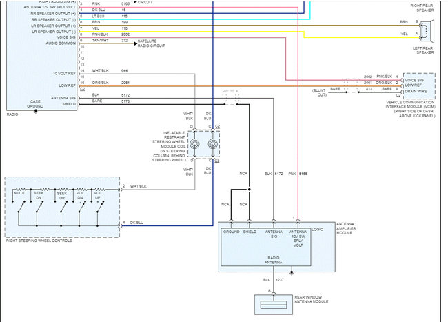
If there is a power issue, replacing the radio won't help. If you disconnect the connector off the rear of the stereo, there will be a connector with pins that make contact when the connector is plugged in.
If you could locate the red/white wire in the harness, identify which pin it goes to, and using a test lamp or a voltmeter, see if there is power present when the key is on.
I totally understand if you are not comfortable, but I'm here if you need help or have questions.
If you do choose to take it for repair, the dealership would likely be the most expensive. You may want to contact a shop that only works on car audio. Chances are they would know exactly what to check and it should be less expensive.
Regardless, if you do take it to a shop, could you let me know what they find? I'm interested in knowing. Or, if you want to give it a try, I will help as much as I can from here.
Take care and let me know.
Joe
Jun 21, 2022 at 8:30 PM