battery location please!

2007 PONTIAC TORRENT
46,000 MILES
Avatar
ANONYMOUS
  • MEMBER
  • 1 POST
where is battery located and how do you get to it. I love this website!
Feb 14, 2013 at 4:41 PM
Advertisement
Avatar
JDL
  • CERTIFIED EXPERT
  • 16,098 POSTS
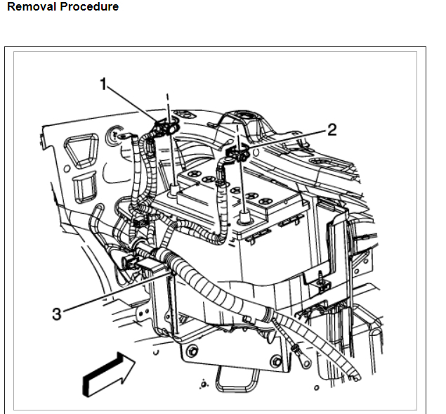
The battery should be under the hood, driver side, close to strut tower, note the picture. The battery case may a lid on it, have to remove lid to see battery. Some makes and models, if battery voltage is lost, can possibly cause other issues.

Here is a guide to help you get the battery changed out and the diagrams below to show you on your car.

https://www.2carpros.com/articles/how-to-replace-a-car-battery

(don't forget to check out the diagrams below)
Feb 14, 2013 at 5:35 PM
Avatar
RHWANGENJR
  • MEMBER
  • 1 POST
Need to know th Location of Battery on this vehicle is not located under hood. only has terminals to jump the car to start.
Nov 11, 2019 at 12:35 PM (Merged)
Advertisement
Avatar
CRAIGABARR
  • MEMBER
  • 2 POSTS
[quote:e5165a2e7a="rhwangenjr"]Electrical problem
2007 Pontiac Torrent 4 cyl All Wheel Drive Automatic 45000 miles

Need to know th Location of Battery on this vehicle is not located under hood. only has terminals to jump the car to start.[/quote:e5165a2e7a]

It's under the hood, right below the fuse box on the drivers side. You have to take 3 screws out of a black box sitting there and the battery is inside.
Nov 11, 2019 at 12:35 PM (Merged)