fuse panel find the radio fuse ?

2007 PONTIAC GRAND PRIX
91,137 MILES
Avatar
MYTAURUS77
  • MEMBER
  • 1 POST
I'm trying to find the radio fuse inside the fuse box?
Mar 17, 2012 at 8:28 PM
Advertisement
Avatar
DANNY L
  • CERTIFIED EXPERT
  • 5,648 POSTS
Hello, I'm Danny.

The radio-amplifier fuse is located in the instrument panel fuse block on the right side of the dash board door jamb area. Here is a tutorial show how to test and replace a fuse:

https://www.2carpros.com/articles/how-a-car-fuse-works

https://www.2carpros.com/articles/how-to-check-a-car-fuse

I've attached a picture below of the instrument panel fuse block location and the location of the radio fuse circled in red. Hope this helps and thanks for using 2CarPros.
Feb 5, 2021 at 12:05 PM
Avatar
JMILLICHAMP
  • MEMBER
  • 3 POSTS
Was driving the other day and realized that my automatic lights weren't coming on. Brights work as well as the fog lights, but not the regular headlights. I was told that it was probably a popped fuse. I don't have the owner's manual because when I bought the car it didn't have one. I opened the fuse panel on the passenger side but I don't see anything that looks like it pertains to the headlights. What fuse should I replace? Is it a fuse problem?
Feb 7, 2021 at 9:04 AM (Merged)
Advertisement
Avatar
CRZYDRVR
  • MEMBER
  • 432 POSTS
There may be a fuse panel in the engine compartment. Has that been checked yet?
Feb 7, 2021 at 9:04 AM (Merged)
Avatar
JMILLICHAMP
  • MEMBER
  • 3 POSTS
Yeah, I found the fuse box under the hood. Both of the fuses appear to be fine. I guess the relay might be the issue?
Feb 7, 2021 at 9:04 AM (Merged)
Avatar
CRZYDRVR
  • MEMBER
  • 432 POSTS
Check the power and grounds to make sure they are good. Have you tried another bulb to make sure that the low beams are not jusy burnt out? Sometimes people do not realize that they have a headlight burnt out, then the other blows. It sounds silly, but I have been doing repairs for quite some time and at this point in time not much can surprise me. But any way put a test light to the fuse when it is in the panel. If good, test for power & grounds out to the plug in.
Feb 7, 2021 at 9:04 AM (Merged)
Avatar
JMILLICHAMP
  • MEMBER
  • 3 POSTS
Ok, I checked my fuses and they were fine. I went to O'Reillys to get a new relay, but they don't carry the relay for my model but they told me that the relay for the A/C unit is the same, so if I wanted to test it I could just swap them, so that's what I did and the lights still didn't work, but my A/C did. So it's not the relay either. The guy at O'Reilly's asked me if my lights had possibly burnt out, but unless they both went at exacty the same time I doubt that. I know that I didn't have a burnt out bulb because I always end up parking behind a car on my street at night and I can see the reflection of both of my headlights.
So now I'm really puzzled. I'd rather not drive the car to the dealership because they love to charge ridiculous amounts for petty things...
Feb 7, 2021 at 9:04 AM (Merged)
Avatar
WIZBOWL
  • MEMBER
  • 1 POST
have replaced the washer motor but still does not work. all connections are good. need to know where to locate the fuse for the pump.
Feb 7, 2021 at 9:05 AM (Merged)
Avatar
JDL
  • CERTIFIED EXPERT
  • 16,098 POSTS
Not only check the fuse, use a voltage tester on the fuse circuit, goes hot when you turn on the key.

Here is a guide to help with the fuse panel location and identifications below.

https://www.2carpros.com/articles/how-to-check-a-car-fuse

Check out the diagrams (Below). Please let us know if you need anything else to get the problem fixed.

Feb 7, 2021 at 9:05 AM (Merged)
Avatar
SWEET_N_SASSY
  • MEMBER
  • 5 POSTS
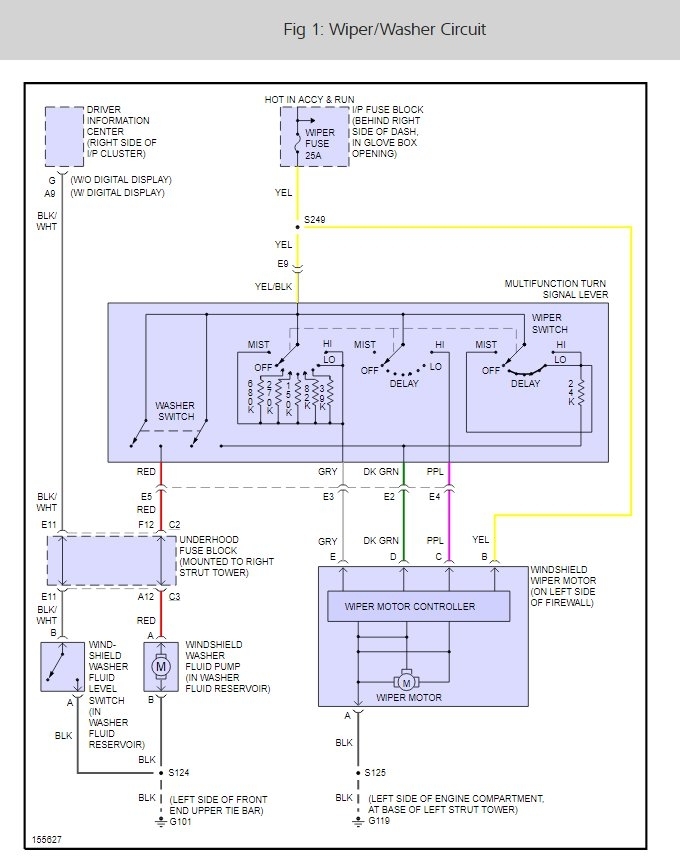
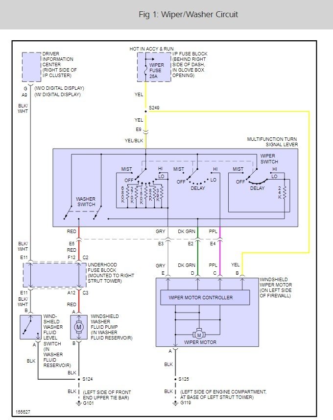
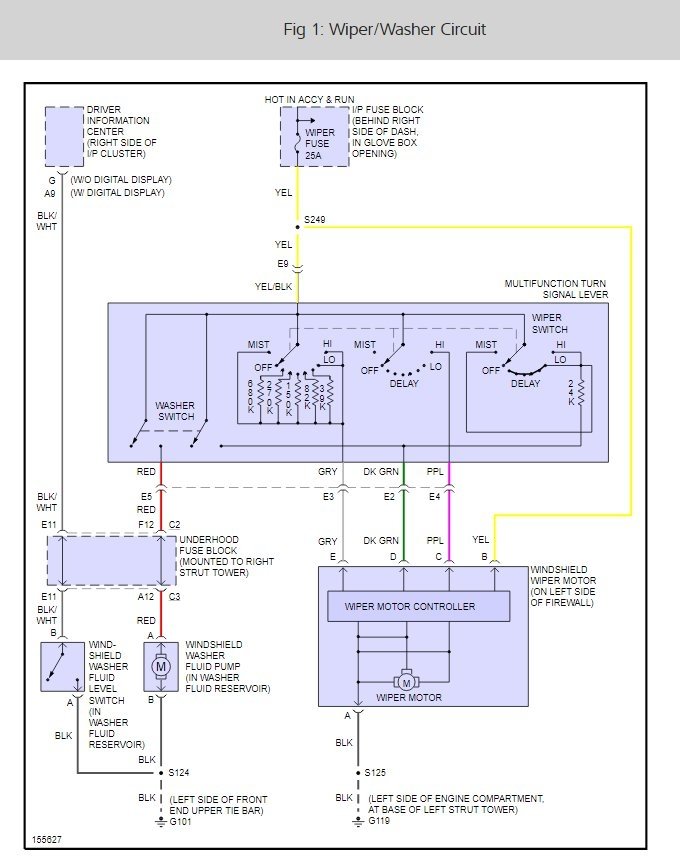
My car has 57650 miles. Earlier this year I had a leak on the passenger side floor board the leak originated from the left hand side and traveled (it was caused by the drains by the wipers being clogged) it seems since then my windshield washer has not worked.

It makes no noise when activated. I am starting with the small stuff first before I take it in to get fixed.

It is full of washer fluid.

I cant find the fuses and I didn't find one for the washer pump.

It makes no noise at all?

There are two little panels on each side that can be removed and I have done so, but the only thing there is (drivers side) is some kind of wiring that plugs into outlets and on the passenger side there is nothing there.

I have looked in my owners manual and it don't say anything about a fuse for the washer pump and people say there is AND THIS IS WHY I AM CONFUSED

Please help I am at my wits end with this!!
Feb 7, 2021 at 9:05 AM (Merged)
Avatar
STRAILER
  • CERTIFIED EXPERT
  • 53,854 POSTS
Hello,

Here are some guides and wiring diagrams to help you find the fuse as well as the wiring diagrams for the windshield washer.

https://www.2carpros.com/articles/how-to-check-a-car-fuse

and

https://www.2carpros.com/articles/how-to-use-a-test-light-circuit-tester

If the pump motor is bad here is a guide that will show you what you are in for when doing the job.

https://www.2carpros.com/articles/how-to-replace-a-windshield-washer-pump

Please let us know if you need anything else to get the problem fixed.

Cheers, Ken
Feb 7, 2021 at 9:05 AM (Merged)
Avatar
DHEBS
  • MEMBER
  • 1 POST
Electrical problem 6 cyl Two Wheel Drive Automatic 105400 miles

i recently bought a small defrost heater to plug into the lighter but i have a dual outlet extension so i can use 2 outlets i plugged in the heater then my radar detector when i plugged in the radar the fuse blew i dont have the owners manual and the fuse panel has no diagram i dont know which fuse is blown can you help me or tell me where to find the diagram????? thanks Dave
Feb 7, 2021 at 9:05 AM (Merged)
Avatar
STRAILER
  • CERTIFIED EXPERT
  • 53,854 POSTS
Hello,

Here is a guide and the fuse panel locations and identifications

https://www.2carpros.com/articles/how-to-check-a-car-fuse

Check out the diagrams (Below)

Please let us know if you need anything else to get the problem fixed.

Cheers, Ken
Feb 7, 2021 at 9:05 AM (Merged)
Avatar
WILL BRAY BROWNDY
  • MEMBER
  • 1 POST
I am missing the fuse panel diagram under the dash. Where could I get a diagram of it? And also my dome lights have hanging plugs. I need to know where they plug into.
Feb 7, 2021 at 9:05 AM (Merged)
Avatar
ASEMASTER6371
  • CERTIFIED EXPERT
  • 52,796 POSTS
Good evening.

Attached is the legend for the instrument panel fuse block. Can you post a picture and location of the wires? Check out the diagrams (Below). Please let us know if you need anything else to get the problem fixed.
Feb 7, 2021 at 9:05 AM (Merged)
Avatar
ALVIN49
  • MEMBER
  • 3 POSTS
Yesterday i submitted a question and made a donation.I received email said i had a new message but am not seeing anything however i did receive a schematic on the wiring with no explanation.
I have 1 row of fuses out with no power to brake lights,cig. lighter, dome lights.All the fuses in the fuse box and the bigger ones in the relay control center on the firewall are good.I do not have a lot of money to take to repair shop.This is the question i posed yesterday.I am being told that the problem is probably between the relay control box and the fuse
box.Any thoughts?
Feb 7, 2021 at 9:05 AM (Merged)
Avatar
MERLIN2021
  • CERTIFIED EXPERT
  • 17,250 POSTS
Yes, you might have to ubolt the underhood fuse box, check the wires from that battery 1 fuse (60amp), it sounds like the power wire of that circuit is grounding on metal, or the other wire in the circuit(ground).
Feb 7, 2021 at 9:06 AM (Merged)
Avatar
PRERUNNER
  • MEMBER
  • 1 POST
I need to know where to get a list of where my fuses are in the fuse block. I have one fuse that blows as soon as i put a new on in. Its on the top row and i cant remeber if its the first, second, or third one from the left. All help would be great! Thank you for your time. Oh sorry one more thing. Icant get my obd 2 scanner to read. It says it needs to be hooked to the car. I have it hook up but dont know why it would say that.
Feb 7, 2021 at 9:06 AM (Merged)
Avatar
BLUELIGHTNIN6
  • CERTIFIED EXPERT
  • 16,542 POSTS
Probably a fuse blown that is causing the scanner not to be reading the computer. Below is your fuse panel(s) legend/description: INSTRUMENT PANEL


https://www.2carpros.com/forum/automotive_pictures/261618_Noname_83.jpg


https://www.2carpros.com/forum/automotive_pictures/261618_Noname2_32.jpg

UNDERHOOD ELECTRICAL CENTER


https://www.2carpros.com/forum/automotive_pictures/261618_Noname_84.jpg


https://www.2carpros.com/forum/automotive_pictures/261618_Noname2_33.jpg

Images are little small. If you can't read some/all, let me know and I will e-mail the image to you. Hope this helps.. Thanks for using 2carpros.com!
Feb 7, 2021 at 9:06 AM (Merged)
Avatar
LADYREBEL4
  • MEMBER
  • 2 POSTS
Modle SE with 3.1L engine
The positive cable into the auxillary jump point has overheated and melted the plastic underneath it and there is scarring on the protective cap.
The morning I noticed this the car started freaking out while I was driving, the instrument panel lights and radio fading in and out and the speedometer would just take off without and increase in power and the car sputtered like it was going to die, though thankfully it kicked back in and I made it to my destination.
I went to the salvage yard and was able to acquire a replacement part. It looks like it should be simple enough to replace, however I am concerned as common sense does not appear to have been an ingredient in the design of this car.
Will I be able to simply unplug the many wires and insert them into the new box? Or is it going to be more difficult than that?
Also is there potentially another problem that would have caused this cable to overheat causing the melting and subsequent issues.
Any help here is greatly appreciated as the repair manual does not address the replacement of such parts or any information about these components at all.
Thank you
Feb 7, 2021 at 9:06 AM (Merged)
Avatar
CARADIODOC
  • CERTIFIED EXPERT
  • 34,306 POSTS
It sounds like you're planning on replacing the entire under-hood fuse box. Is that right? Would it be possible to just use pieces of the replacement to replace just what's burned? The burning / melting occurs when there's a poor or corroded electrical connection. Current through the bad connection generates heat, and that heat degrades the connection further. It's a viscous circle. To prevent a repeat failure, use sandpaper or a wire brush to shine up all terminals and connections so they make good contact.
Feb 7, 2021 at 9:06 AM (Merged)
Avatar
LADYREBEL4
  • MEMBER
  • 2 POSTS
I will keep that in mind, I have not had a chance to sit down with the 'new' part yet and discover how it is all put together yet, and I have never dealt with this particular problem. First car I have had that even has this particular part. Thank you very much for your input.
Feb 7, 2021 at 9:06 AM (Merged)