Neutral safety switch

2007 NISSAN PATHFINDER
119,000 MILES • 4.0L • 6 CYL • 4WD • AUTOMATIC
Avatar
SETHG
  • MEMBER
  • 2 POSTS
I need to replace the neutral safety switch but it will not come out. The spring clip was removed but will not move. How do I get it to come out?
Aug 1, 2015 at 10:07 AM
Advertisement
Avatar
DOCFIXIT
  • CERTIFIED EXPERT
  • 18,828 POSTS
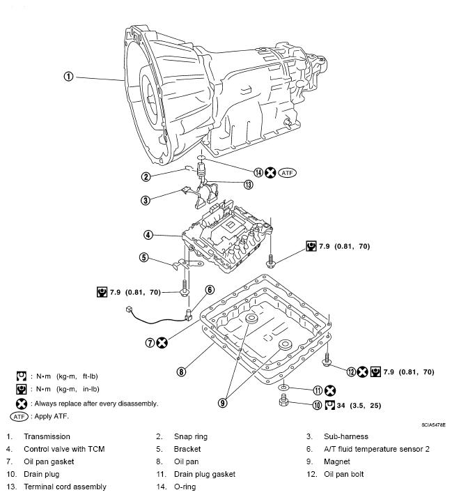
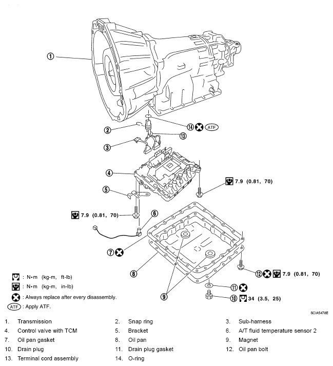
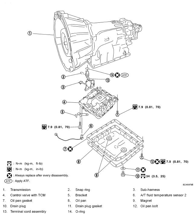
If you mean park/neutral switch oil pan must be removed it is removed downward and is unplugged from valve body
Aug 1, 2015 at 1:30 PM
Avatar
SETHG
  • MEMBER
  • 2 POSTS
Do you mean the transmission pan?
Aug 2, 2015 at 5:42 AM
Advertisement
Avatar
DOCFIXIT
  • CERTIFIED EXPERT
  • 18,828 POSTS
Yes trans oil pan be advised the vale body must be removed. Unless you have training or experience at this not recommended you attempt
Aug 2, 2015 at 10:33 AM
Avatar
ZAC CLARKE
  • MEMBER
  • 1 POST
I am troubleshooting an issue with my 2005 Nissan Pathfinder (auto 4x4) which seems to be possibly the same issue.
I'm curious to know what the last post author's symptoms were.
Any details?
My pathy won't start, because the immobilizer is usually on (solid key symbol once ignition clicks into position 1)
But... rarely, sometimes, the immobilizer will be off, and I can start it. Yes!!
However,
Once pathfinder is started and running,
The tachometer will stop working almost immediately!
Car will rev up and tach will be on, and then down to zero.
Tach will randomly come back on as I let it idle (while in park). Although usually, while in 'park' tachometer hardly works at all.
Once in drive, tachometer works normally.

Also temp gauge goes dead on occasion. As well as other error lights illuminated like 4x4 -display and 'slip', and over drive lights will stay on often times.

What does the expert here have to say about this?

Am I having the failed TCM and park/nuetral switch?

I have some experience removing valve bodies.
But my main concern is with reprogramming a replaced TCM valve body;
which I read that, even if I replace the TCM body on this pathfinder, it will have to be reprogrammed by a dealer. Is this correct?

What a Hassel of a design Nissan!!!! Yeah, you heard me. Hey Nissan, throw us a bone and issue a full recall.
Yes this comment is Published for the public to read. Nissan seems to have a lot of computer issues with their turn of the century engineering. Maybe time to correct that eh boys??!!
Jul 18, 2019 at 12:57 PM
Avatar
STRAILER
  • CERTIFIED EXPERT
  • 53,854 POSTS
lol yep, most cars do because the computers are put through such conditions to operate. O the days of points and condenser, even EMP proof! anyway back to the problem can you please run the codes to see what comes up. here is a guide:

https://www.2carpros.com/articles/checking-a-service-engine-soon-or-check-engine-light-on-or-flashing

Please run down this guide and report back.

Jul 21, 2019 at 2:41 PM
Avatar
DOCFIXIT
  • CERTIFIED EXPERT
  • 18,828 POSTS
Good Ford 150 fix all the problems but codes would help
Jul 22, 2019 at 5:14 AM