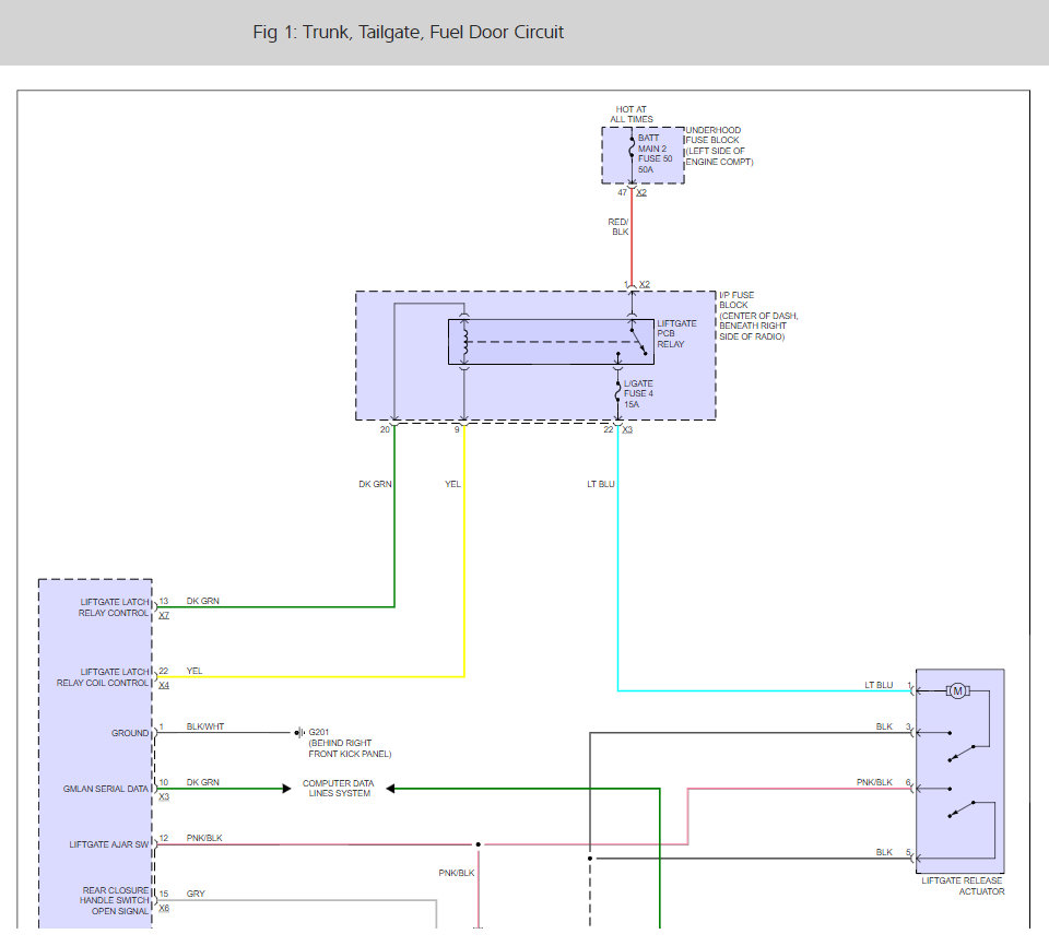
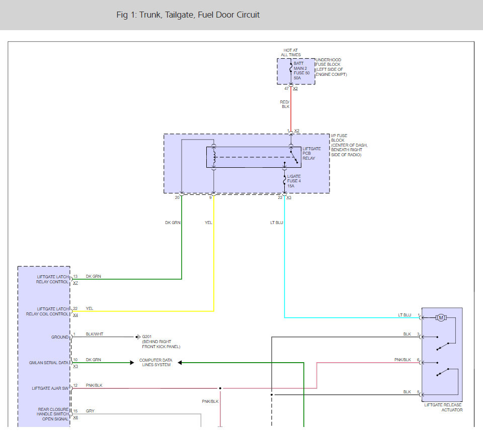
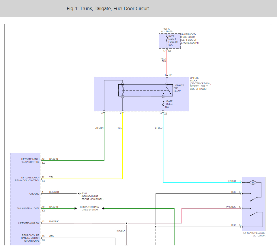
i use the emergency little door and a stick to open rear hatch. i have disconnected the window hatch but that didn't work, still can't open door. i have taken inside panel off and took off hatch handle to clean, still not working. i have checked all fuses, all are good.
Aug 28, 2011 at 5:28 PM

