Hi,
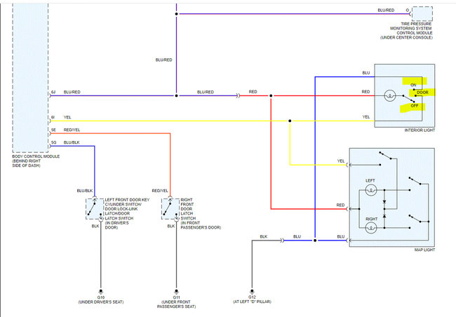
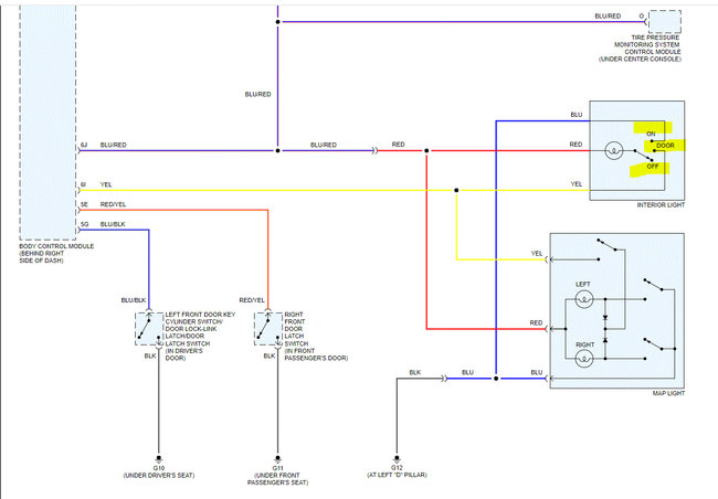
I attached two pics from the interior wiring schematic. First, I highlighted the fuse which powers the interior lights. Confirm it's good. In addition to checking the fuse, make sure there is power to it.
Here is a link you may find helpful:
https://www.2carpros.com/articles/how-to-check-a-car-fuse
Next, and don't laugh, make sure the switch on the light itself is turned on to the "door" setting. If it isn't, try that.
If that is good, we need to confirm there is power to the red wire at the light assembly. It should have 12v.
Here is a link you may find helpful with checking wiring:
https://www.2carpros.com/articles/how-to-check-wiring
Start with this and let me know what you find.
Take care,
Joe
See pics below. Note: I had to cut the schematic in half to make it readable. I did overlap the two pics so you can follow from one to the next.
Images (Click to enlarge)
Oct 6, 2021 at 7:52 PM