how to active A/C without Cooling fan Module , Note: I have bypass Fan electric, without cooling Fan Module
Feb 25, 2015 at 8:13 AM
Advertisement
HMAC300
CERTIFIED EXPERT
48,601 POSTS
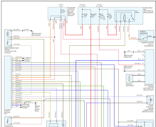
you can't bypass module on a/c, the system is integrated to work together, I would repair the wiring, here is a guide to help and the AC wiring diagrams below so you can see how the system works and where the wires go.