Power door locks not working?

2007 LINCOLN TOWN CAR
Avatar
FAKHIR
  • MEMBER
  • 26 POSTS
would anyone tell me the solution please?? Power door lock, unlock, trunk (luggage compartment), key pad switch assembly is not working. had checked fuses, currents, cables,everything is good. what is the problem?? try to reply soon please.
Nov 21, 2012 at 5:48 PM
Advertisement
Avatar
FAKHIR
  • MEMBER
  • 26 POSTS
if someone is facing the same problem then change the DDM(driver door module).
Nov 26, 2018 at 11:34 AM
Avatar
RAMANM
  • MEMBER
  • 2 POSTS
Drirver side door lock doesn't lock or unlock using remote control or outside key pad control. If you manually push down the knob, in a couple of minutes you hear a chattering noise and automatically ejects out. Therefore, I could NOT lock the drive side door and I find it highly unsafe.
Apr 6, 2021 at 6:56 PM (Merged)
Advertisement
Avatar
KASEKENNY
  • CERTIFIED EXPERT
  • 18,907 POSTS
Sounds like the door lock actuator has failed. You will need to remove the door panel so here is a guide that will help with removing that:

https://www.2carpros.com/articles/door-panel-removal

Below you will find the process from the manual on how to replace this.

Please run through this material and let us know if you have other questions. Thanks
Apr 6, 2021 at 6:56 PM (Merged)
Avatar
HPMOTORS
  • MEMBER
  • 3 POSTS
Intermittent operation of door locks with no input from interior switch or remote. Turn signals flash when locks go on or off - same as if remote is used. When locks are activated using switch, lights do not flash. problem is that the locks continue to cycle sporadically, eventually killing the battery.

Problem continues even if door lock switch is unplugged.
Apr 6, 2021 at 6:56 PM (Merged)
Avatar
DOCFIXIT
  • CERTIFIED EXPERT
  • 18,828 POSTS
Hi
Must be a faulty door module located in drivers door.That is what controls power to lock actuator.
Hope this helps
Thanks for donate
Apr 6, 2021 at 6:56 PM (Merged)
Avatar
EMIL BENOIT
  • MEMBER
  • 1 POST
The door module worked! thank you
Apr 6, 2021 at 6:56 PM (Merged)
Avatar
AUGIEWB
  • MEMBER
  • 2 POSTS
Took door panel off to fix door handle. When I put it back the only switches working were the windows. Before I took it off everything was working.
Apr 6, 2021 at 6:57 PM (Merged)
Avatar
DANNY L
  • CERTIFIED EXPERT
  • 5,648 POSTS
Hello, I'm Danny.

It sounds like when you were putting the door panel back on you might have not made a complete electrical connection on the master switch. Can you verify the connects are properly attached and snapped into place? I've attached a picture below. Hope this helps and let me know if you have any further questions on this issue. Thanks for using 2CarPros.
Apr 6, 2021 at 6:57 PM (Merged)
Avatar
AUGIEWB
  • MEMBER
  • 2 POSTS
Will give that a check. Thanks
Apr 6, 2021 at 6:57 PM (Merged)
Avatar
DANNY L
  • CERTIFIED EXPERT
  • 5,648 POSTS
Sounds good.

Keep us updated and we'll go from there. Hope this helps and thanks again for using 2CarPros.

Danny-
Apr 6, 2021 at 6:57 PM (Merged)
Avatar
ZIIMBO1
  • MEMBER
  • 1 POST
The auto door locks do not work when put in gear.
Apr 6, 2021 at 6:57 PM (Merged)
Avatar
ASEMASTER6371
  • CERTIFIED EXPERT
  • 52,796 POSTS
Good morning,

The DDM or driver's door module is what controls this function.

It is inside the driver's door. I attached the location and procedure for you to replace the module.

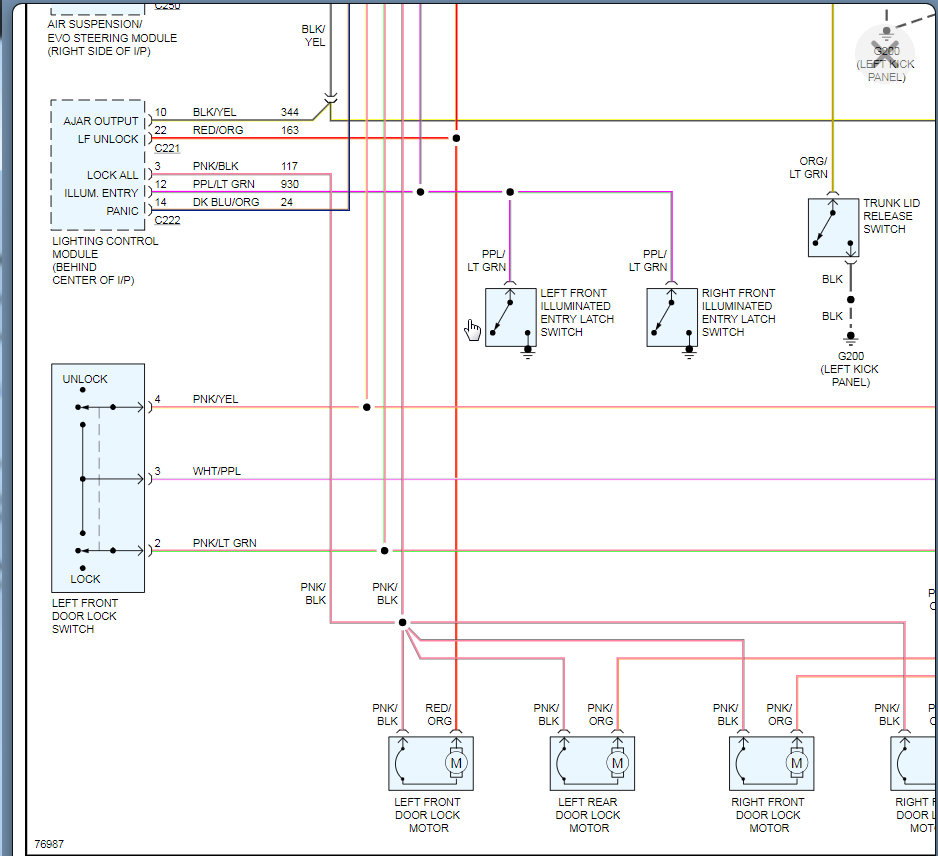
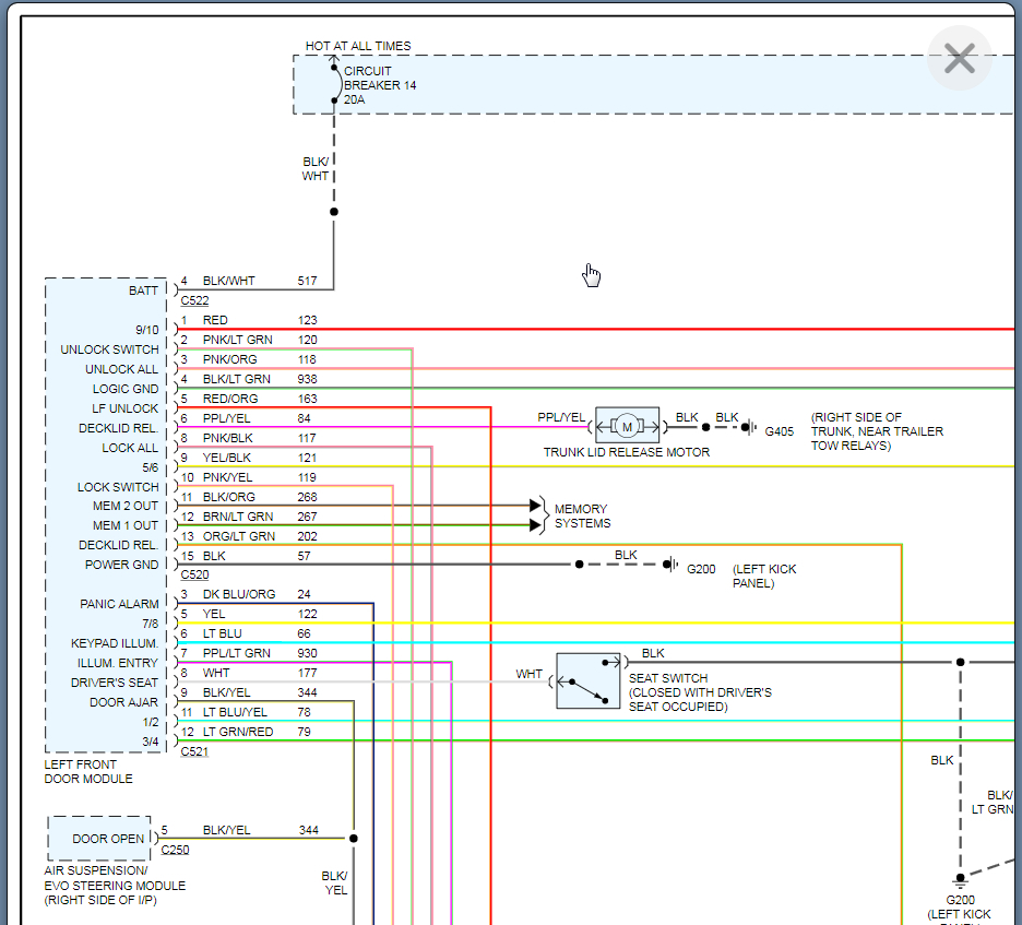
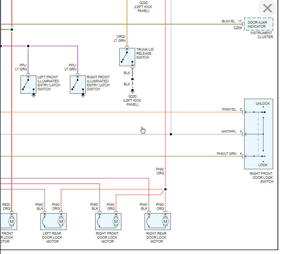
https://www.2carpros.com/articles/how-to-check-wiring

Roy

REMOVAL

1. Disconnect the battery ground cable.

CAUTION:
Prior to removal of module, it is necessary to upload module configuration information to a scan tool. This information needs to be downloaded into the new module once installed. For additional information; refer to Module Communications Network (Information Bus).
Electronic modules are sensitive to electrical charges. If exposed to these charges, damages may result.


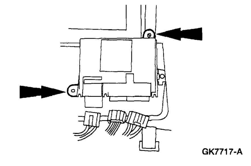
2. Remove the driver door trim panel.


imageOpen In New TabZoom/Print



3. Disconnect the electrical connectors from the driver door module (DDM).



imageOpen In New TabZoom/Print



4. Remove the DDM.

INSTALLATION

1. To install, reverse the removal procedure.

CAUTION: Once the new module is installed, it is necessary to download the module configuration information from the scan tool into the new module. For additional information; refer to Module Communications Network (Information Bus).

NOTE: When the battery is disconnected and reconnected, some abnormal drive symptoms may occur while the vehicle relearns its adaptive strategy. The vehicle may need to be driven 16 km (10 miles) or more to relearn the strategy.
Apr 6, 2021 at 6:57 PM (Merged)
Avatar
SERGIOW
  • MEMBER
  • 2 POSTS
When you place the vehicle in drive and drive away doors will not auto lock.
Apr 6, 2021 at 6:57 PM (Merged)
Avatar
MERLIN2021
  • CERTIFIED EXPERT
  • 17,250 POSTS
AUTOLOCK & HORN CHIRP 1. Turn ignition switch to RUN position. Depress UNLOCK button 3 times. Turn ignition off. Turn ignition switch to RUN position. Doors should lock and unlock to confirm entry into program mode. 2. Depress UNLOCK button once to toggle autolock feature ON/OFF. Horn will chirp to confirm toggling. To exit programming, turn ignition switch to OFF or START position or wait 7.5 seconds. NOTE: This procedure must be completed within 5 seconds. Of course the brake lights and reverse lights need to work for this feature...

Per owners manual, on, unlock x3 off on UNLOCK X3 AGAIN
Apr 6, 2021 at 6:57 PM (Merged)
Avatar
SERGIOW
  • MEMBER
  • 2 POSTS
That worked! thanks
Apr 6, 2021 at 6:57 PM (Merged)
Avatar
MERLIN2021
  • CERTIFIED EXPERT
  • 17,250 POSTS
Nice work, we are here to help, please use 2CarPros anytime.

Cheers
Apr 6, 2021 at 6:57 PM (Merged)
Avatar
LINCOLN T
  • MEMBER
  • 3 POSTS
The power lock toggle switch on arm rest and power trunk button on door do not work. The shutoff for the radio when keys are removed and door is opened also do not work. The garage door opener (located in the visor) will not work unless the keys are in the ignition, and the aftermarket auto starter key fob will still start the car and open the trunk. However it will now unlock the drivers door only (not the other 3 doors) and it no longer will lock the car remotely. All items were working perfectly a week ago. Is it possibly a master fuse that is faulty? A computer chip that needs re-programming? Has anyone else run across this same scenario? Thanks in advance for your response. Any helpful advice would be appreciated.
Apr 6, 2021 at 6:57 PM (Merged)
Avatar
HMAC300
  • CERTIFIED EXPERT
  • 48,601 POSTS
since this is not factory auto start, have key fob tested to see if it 's any good, auto parts can do this if not that then go to where it was installed to have it tested or a repair place that does those. also check fuses in car and relays underhood as well as in car
Apr 6, 2021 at 6:57 PM (Merged)
Avatar
LINCOLN T
  • MEMBER
  • 3 POSTS
Thank you for the prompt reply. There are actually two key fob (one is a spare), and I tested both with the same results...which made me think it was more to do with the car itself. I'll check the fuses and relays underhood as you suggested. Thanks again!
Apr 6, 2021 at 6:57 PM (Merged)
Avatar
STRAILER
  • CERTIFIED EXPERT
  • 53,855 POSTS
How did things turn out?
Apr 6, 2021 at 6:57 PM (Merged)
Avatar
LINCOLN T
  • MEMBER
  • 3 POSTS
Well, happy to report the entire situation has finally been resolved! I took the aftermarket key fobs back to the company that installed them to inquire about reprogramming, and they stated if the automatic locks, trunk latch, etc. weren't working when using the buttons located on the door, that reprogramming the fobs wouldn't correct that situation. So I took the car to a guy who specializes in auto electronics, and he did diagnostic work. About twenty minutes into the job, he said "I'm going to have to take the driver side door panel off", which he did. At that point he said, "this is your lucky day." He pointed out to me what had happened was the clip containing the wiring had slipped out of the driver's door module. It was just partially out at a slight angle, which would explain why some things worked for a while and then quit working a few days later. I also then had the aftermarket company reprogram the key fobs because the trunk latch wasn't working when using them. Reprogramming corrected that trunk latch situation, but also uncovered that during the original installation of the aftermarket auto starter they had not properly grounded the wiring...it actually had a 12V wire going to the trunk latch, which would explain why I received a shock on a couple occasions when using the trunk button located on the car door. The automatic trunk latch now only works from the key fobs so they think that wiring might have fried the actual button/switch located on the driver's door. But the good new is all items are working once again, and I appreciate all of the advice shared. Thank you!
Apr 6, 2021 at 6:57 PM (Merged)
Avatar
STRAILER
  • CERTIFIED EXPERT
  • 53,855 POSTS
You are so welcome! please use 2Carpros.com anytime and tell a friend :-)
Apr 6, 2021 at 6:57 PM (Merged)
Avatar
JRBDSERVANT
  • MEMBER
  • 2 POSTS
I just replaced the window regulator (drivers side front) with an aftermarket motor. Even though the vehicle has auto drop feature for the window, i realized after the fact the new motor does not.
The window operates correctly including auto drop.
The problem now is the door locks, outside mirrors, power seats and trunk closer do not function.
i checked all connections including DDM. I also re connected old window motor which still runs hoping to clear up problem .
I checked visually the fuses under hood and inside compartment .
Realizing there are also circuit breakers involved, I am at a complete loss how to proceed.
Please help !
Apr 6, 2021 at 6:57 PM (Merged)
Avatar
HMAC300
  • CERTIFIED EXPERT
  • 48,601 POSTS
the installers of the aftermarket alarm are sometimes not too good which proves the fact due to the problems you had at least it's fixed.
Apr 6, 2021 at 6:57 PM (Merged)
Avatar
KASEKENNY
  • CERTIFIED EXPERT
  • 18,907 POSTS
I think you are correct in looking at the DDM. Each of these components is run through this module so I suspect the issue is the module or more likely the circuit breaker 14 has failed. The windows are run off a different circuit breaker F, so I would suggest replacing this and seeing what happens. They may look okay but that may not be the case so swapping it out is the best way to find out.

Let us know what happens with this and we can go from there. Next step is to take that wiring diagram and test power on the trunk switch or something else that is not working and see where we are losing power.
Apr 6, 2021 at 6:57 PM (Merged)
Avatar
JRBDSERVANT
  • MEMBER
  • 2 POSTS
Thank you very much for the detailed explanation.This service is excellent! After reading your response I decided to check number 8 -15 amp fuse by removing it completely .
I observed only from the side was I able to see the fuse was blown .
My guess that the damaged window motor created the resistance to overload the fuse .
If the problem resurfaces I will definitely replace 14 circuit breaker. Everything works as it should .
Again thank you!
Apr 6, 2021 at 6:57 PM (Merged)
Avatar
KASEKENNY
  • CERTIFIED EXPERT
  • 18,907 POSTS
That is great! You are more then welcome. Thank you for providing the update. We are not only here to help you but you just hep others that will visit this site with the same or similar issue.

Thanks for using 2CarPros. Please come back in the future. Thanks
Apr 6, 2021 at 6:57 PM (Merged)