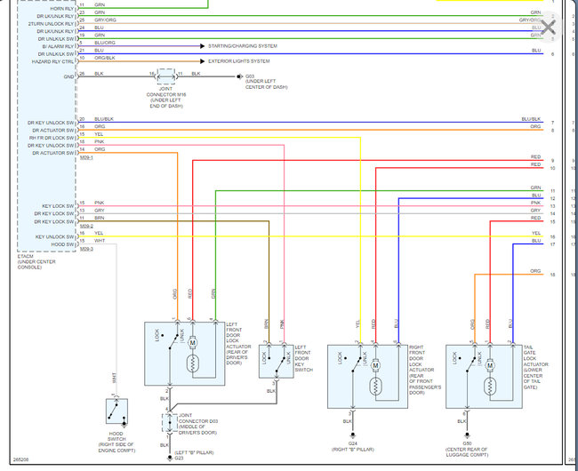
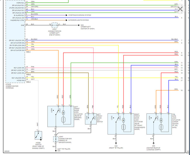
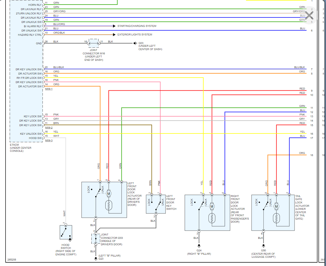
All other doors unlock. If driver's side door is open and I hit the unlock button on driver's side door, the locks start to lock and unlock about 3 times. Do I need to reprogram my keyless remote or is this a more serious issue that needs to be handled by mechanic?
Dec 31, 2012 at 9:11 PM





