The turn signals, taillights, back up lights, and the brake light on the upper part of the tailgate are not lighting up?

2007 HONDA ODYSSEY
200,000 MILES • 2WD • AUTOMATIC
Avatar
BENTOHONDA
  • MEMBER
  • 1 POST
I have a huge safety issue with my van. The front headlights, fog lights and the left and right brake lights work fine. Literally no other light on the outside of the vehicle works. The turn signals, taillights, back up lights, and the brake light on the upper part of the tailgate are not lighting up. I am at a loss and i have tried to figure out what fuses might be out, but they all seem to be fine. Any help would be appreciated.
Aug 28, 2022 at 6:54 PM
Advertisement
Avatar
STRAILER
  • CERTIFIED EXPERT
  • 53,855 POSTS
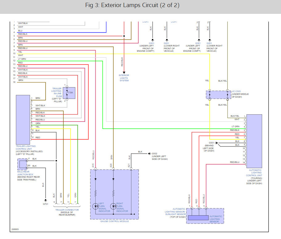
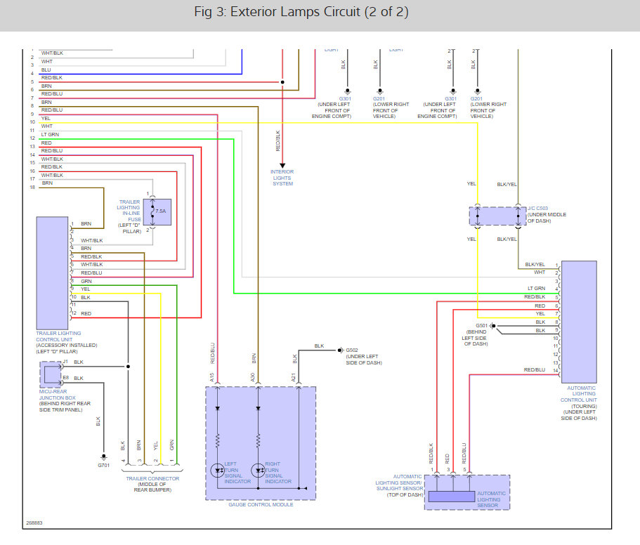
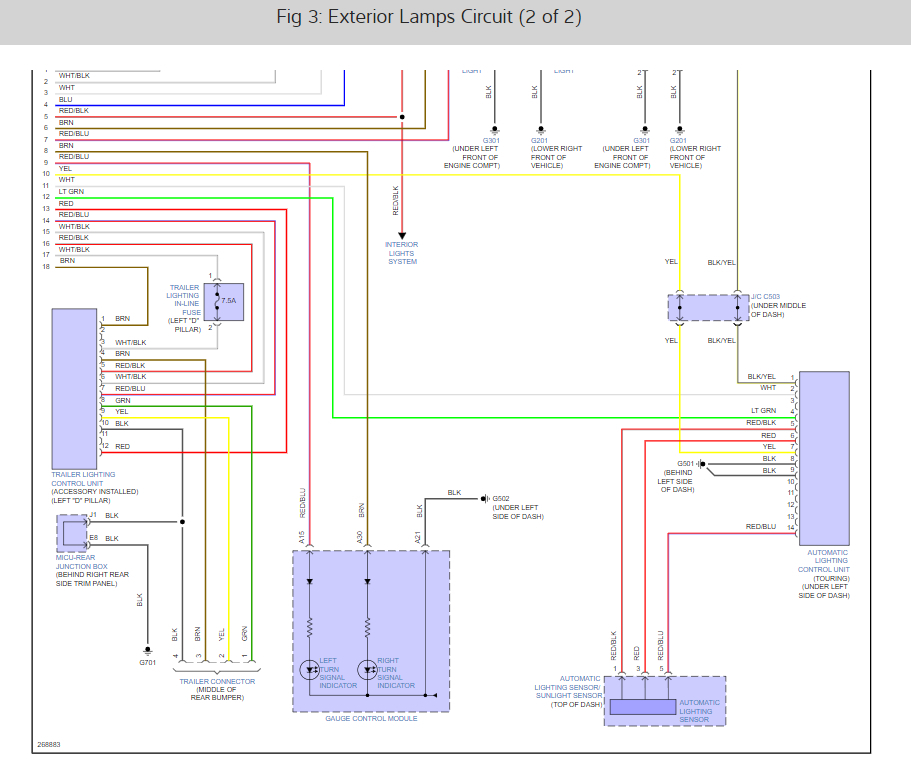
It sounds like the MICU has gone out, but we should check the fuses # 7, 21 in the driver side fuse panel and # 5 in the passenger side fuse panel. Here is the guide to help you check the fuses and the fuse location in the diagrams below. Also, I have included the wiring diagrams for the exterior lamps as well so you can see how the system works.

https://www.2carpros.com/articles/how-to-check-a-car-fuse

Check out the diagrams (below). Please let us know what you find. We are interested to see what it is.
Aug 29, 2022 at 10:47 AM