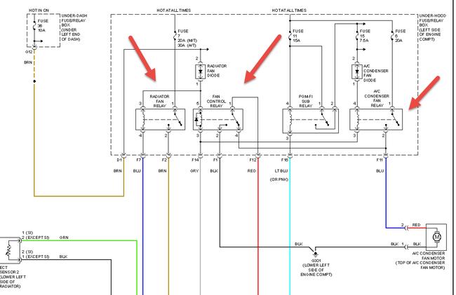
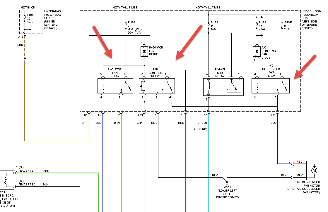
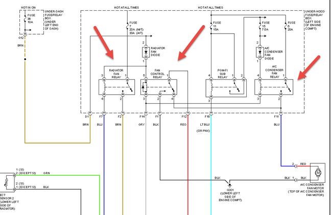
I had my a/c system replaced last year. After I got it back everything was fine for several months. Then my a/c compressor fan would constantly run. The fan eventually began making noise and basically burnt up. I recently replaced the fan myself and it works great. The problem is now that the fan continues to run about 99% of the time that the a/c is running. It will cycle off for a short time but then turn right back on. I read online that it could be the blower relay so I switched that out which was just a fuse. The fan continues to run.
I read more online and it sounds like it could be the a/c switch or the a/c accumulator but I don't want to just throw parts at it in the hopes it will get fixed. With summer right around the corner I am worried that the fan will just burn out again.
Any help would be greatly appreciated.
Thank you,
Josh
I read more online and it sounds like it could be the a/c switch or the a/c accumulator but I don't want to just throw parts at it in the hopes it will get fixed. With summer right around the corner I am worried that the fan will just burn out again.
Any help would be greatly appreciated.
Thank you,
Josh
May 5, 2014 at 7:19 PM
