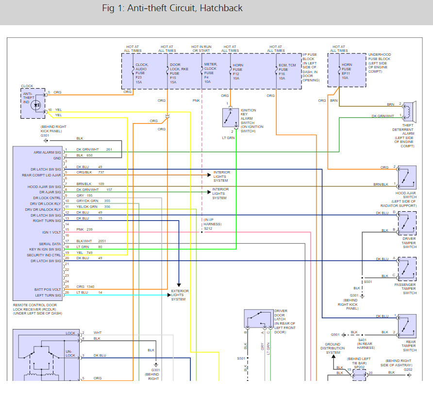
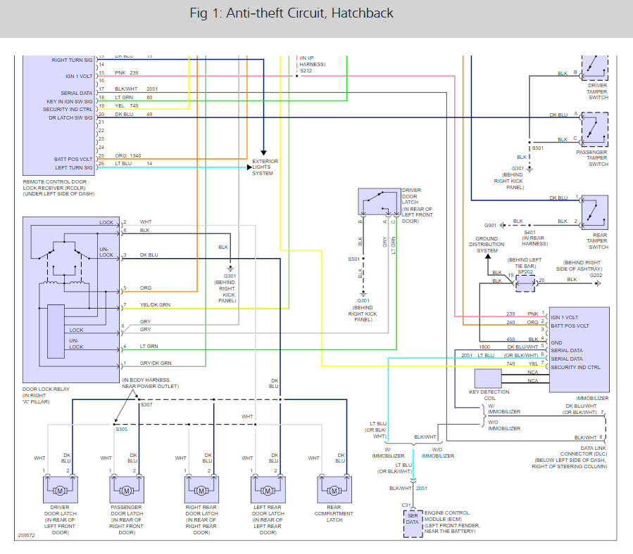
I own a 2007 Holden Barina TK7 1.6 litre auto hatch. I currently have a problem whereby sometimes after the vehicle is locked and the indicator lights have flashed to signify the car is locked (as they should), some time later the indicator lights will flash intermittently at random for around 30 seconds and then turn themselves off. In other words they malfunction. This seems to occur about once every 2 or 3 days when the vehicle is parked. The vehicle is stock standard and has had no modifications done to it. I either see this happen or people inform me that the car lights are flashing. Can you please help me fix the problem ?
Regards
Doug
Regards
Doug
Jun 3, 2011 at 1:54 AM


