Engine Oil Pressure Sensor and/or Switch Replacement
Tools Required
J 41712 Oil Pressure Switch Socket
Removal Procedure
Remove the intake manifold.
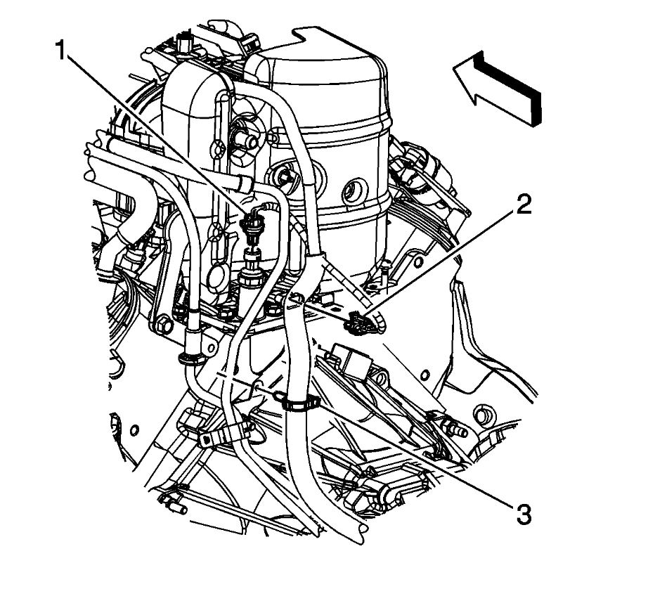
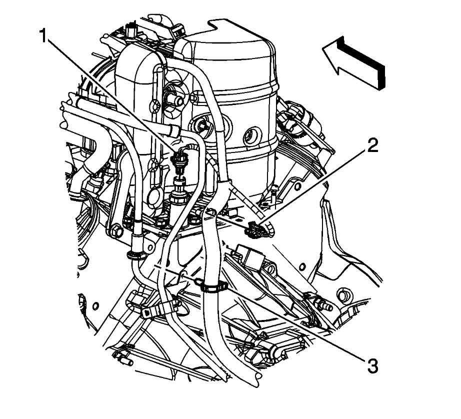
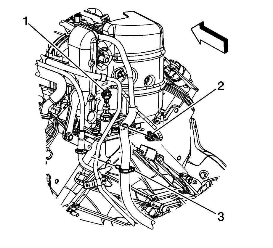
Disconnect the engine harness electrical connector (1) from the oil pressure sensor.
If not equipped with active fuel management perform the following step, using J 41712 or equivalent, remove the oil pressure sensor (706) and washer (707).
If equipped with active fuel management perform the following step, using J 41712 or equivalent, remove the oil pressure sensor (706) and washer (707).
Installation Procedure
Apply sealant to the threads of the NEW oil pressure sensor. Refer to Sealers, Adhesives, and Lubricants.
Notice: Refer to Fastener Notice.
If equipped with active fuel management perform the following step, using J 41712 or equivalent. Install the oil pressure sensor (706) and washer (707).
Tighten the sensor to 35 N.m (26 lb ft).
If not equipped with active fuel management, perform the following step, using J 41712 or equivalent. Install the oil pressure sensor (706) and washer (707).
Connect the engine harness electrical connector (1) to the oil pressure sensor.
Tighten the sensor to 35 N.m (26 lb ft).
Install the intake manifold.
There is a picture below of the location
Dec 18, 2012 at 4:00 AM