2007 Ford Fusion fan blades broke

2007 FORD FUSION
90,000 MILES • 2.3L • 4 CYL • FWD • AUTOMATIC
Avatar
HARMTM
  • MEMBER
  • 1 POST
How do I remove the shroud?
Apr 9, 2014 at 6:28 AM
Advertisement
Avatar
HMAC300
  • CERTIFIED EXPERT
  • 48,601 POSTS
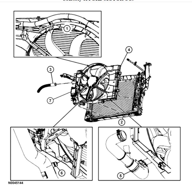
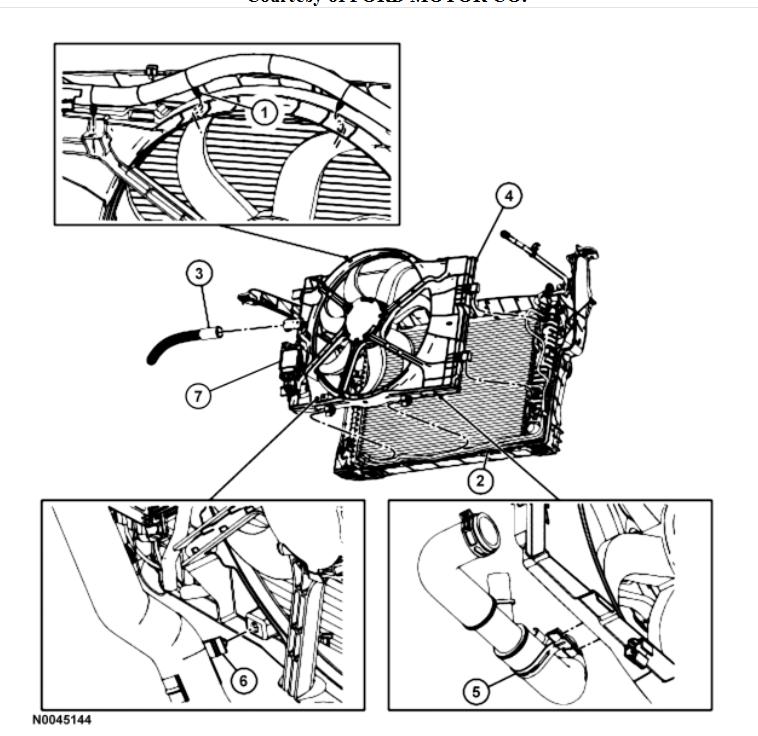
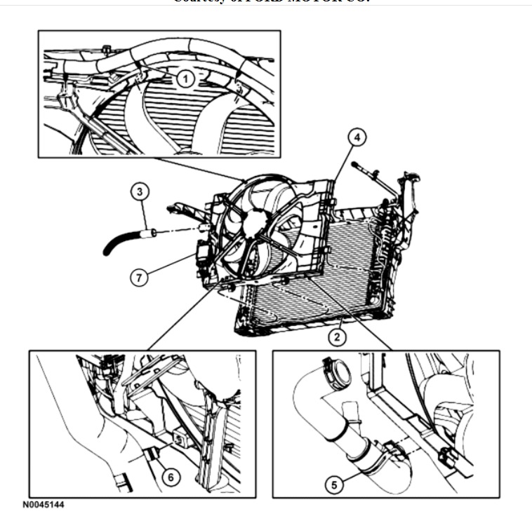
in this order
Description
113A506Wiring harness retainer
27H420Transmission cooler tube (automatic transmission only)
314A464Cooling fan motor and shroud electrical connector
48C607Cooling fan motor and shroud
5-Lower radiator hose bracket
6-Lower radiator hose retainer (3. ol only)
76E5Z-8B658-AFan Control Module/Relay
Apr 9, 2014 at 7:09 AM