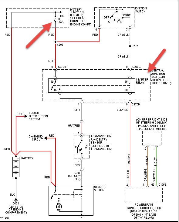
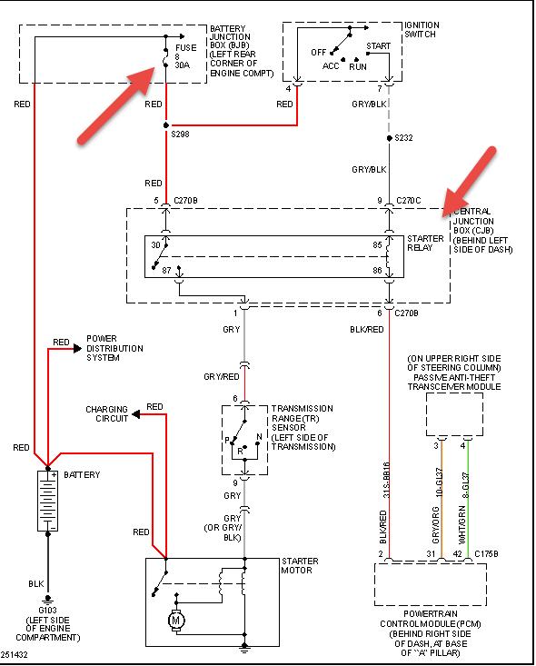
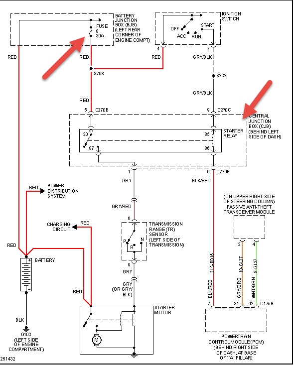
broke down a week ago due to broken alternator ( AA advise ) we have put a new battery a new alternator and a new starter motor on the car the reason for new starter motor as because when we put the new alternator on the engine management came on again, the car seemed to be running fine for a coupe of days then died we then put the starter motor on as there was a clicking noise however the car still wont start and the clicking noise remains we're totally out of ideas, might it be electrical? as I'm recovering from cancer and don't get sick pay we honestly don't have the funds to take it to a garage any advise will be very much appreciated thanks for your time
Lou & Pete Clarke
Lou & Pete Clarke
Feb 21, 2014 at 8:38 AM

